engine light codes

2003 LAND ROVER DISCOVERY
99,000 MILES • V8 • 4WD • AUTOMATIC
Avatar
ROSS1285
  • MEMBER
  • 1 POST
what does code p1590 mean
Mar 2, 2010 at 7:47 AM
Advertisement
Avatar
DAVE H
  • CERTIFIED EXPERT
  • 13,384 POSTS
DTC P1590-P1592: ABS - ROUGH ROAD SIGNAL CIRCUIT MALFUNCTION
Description
When the vehicle travels across rough terrain, or on rough roads the ECM could falsely interpret suspension vibrations as a misfire and invoke engine misfire protocols and/or set a false DTC. The Self-Leveling and Anti-Lock Brake System (SLABS) ECU sends a rough road PWM signal to the ECM. Based on this rough road PWM signal, the ECM can suspend misfire detection for as long as the vehicle is travelling on a rough road.
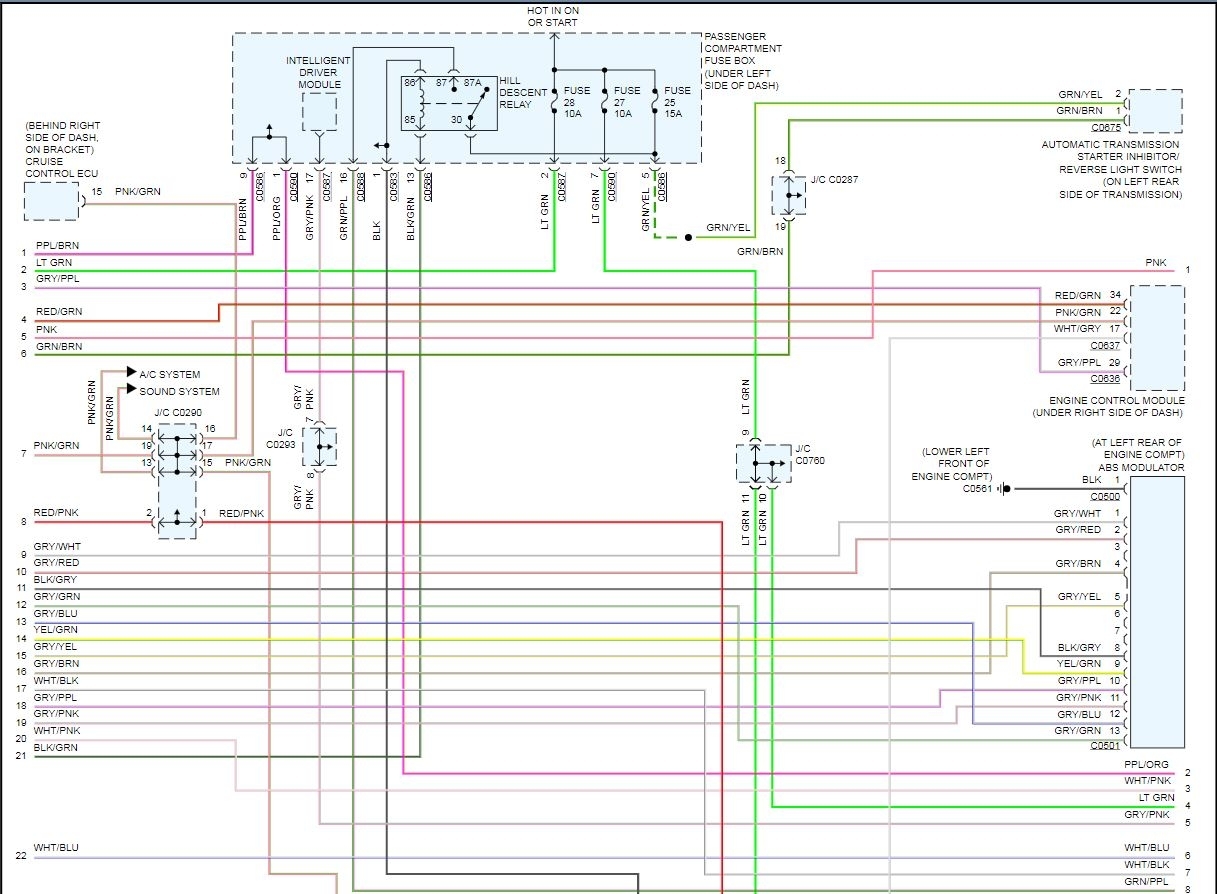
Rough road signal input is measured at ECM 40-pin connector C0637 terminal No. 34 (Red/Green wire on Discovery; Yellow/Pink wire on Range Rover). The SLABS ECU rough road PWM signal varies in accordance with changing road conditions. The rough road PWM signal operates at a frequency of 2.10-2.56 Hz. ECM rough road control is based on specific changes to the PWM signal. If there is a rough road PWM signal failure the Hill Descent Control/Anti-Lock Braking System (HDC/ABS) warning light may be illuminated.
Diagnostic Aids
The rough road PWM signal can fail in the following ways:
Harness or connector damage.
SLABS wheel speed sensor failure.
If there is a rough road signal malfunction, the following DTCs may be set:
If DTC P1590 is set, there is an ABS rough road signal circuit malfunction. Hardware is okay, but the SLABS ECU is sending an error signal.
If DTC P1591 is set, there is a low ABS rough road signal circuit. Signal from SLABS ECU is shorted to ground.
If DTC P1592 is set, there is a high ABS rough road signal circuit. Signal from SLABS ECU shorted circuit to battery voltage.
Diagnosis & Repair
When ignition is turned on and during vehicle operation, ECM checks rough road signal circuits. If expected signal is not seen, ECM will store a DTC. Using an oscilloscope or Snap-On(R) PAC ensure SLABS ECU PWM signal indications are consistent with road conditions. See ROUGH ROAD PWM SIGNAL INDICATIONS table. If PWM signal is not as specified, check circuits for opens or shorts. Check for poor power and ground connections and/or loose wires at ECM. See WIRING DIAGRAMS article. Ensure ABS wheel speed sensors are operating properly. Repair as necessary. When DTC P1590-P1592 repairs are completed, perform REPAIR CONFIRMATION DRIVE CYCLE "A" .

For your code its most likely a wheel sensor or other ABS related issue, when on the scanner verify wheel speed signal

Read the guides on using a meter and testing wiring, they will help

https://www.2carpros.com/articles/how-to-use-a-voltmeter


https://www.2carpros.com/articles/how-to-check-wiring


The wiring diagrams for the entire ABS/Traction control system are attached below
Mar 12, 2010 at 5:43 AM