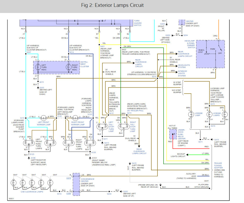
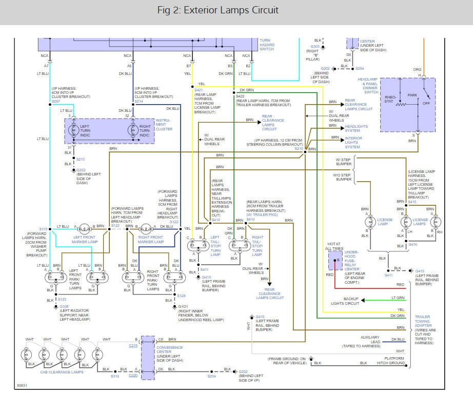
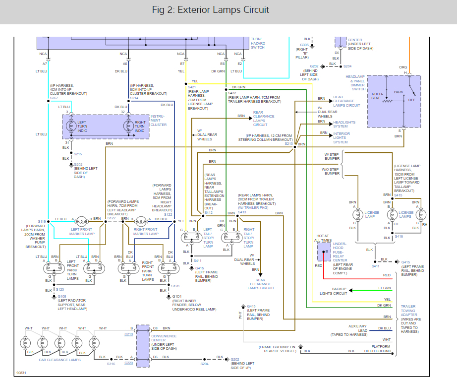
Truck is off for hours and suddenly the front and side marker lights, the rear taillights, the instrument cluster lights, the 4wd indicator lights, as well as the buzzer/chime with door closed turn on and stay on. the doors also locked themselves. They all shut off when I removed fuse #3 from fuse box at the end of dash. The owner's manual says fuse #3 is for Courtesy lamps, Cargo lamp, Glove box lamp, Dome reading lights, Vanity mirrors and Power mirrors. When fuse #3 is replaced, everything stays off for a few hours, and then turns on again. Now with Fuse #3 out, just the dome lamp and courtesy lamps come on with the door closed and truck off. I noticed that Circuit Breaker A was extremely hot (Power door lock,6-way power seat, Keyless entry module). Could it be a bad relay, and which one would that be? Am I having a wiring meltdown behind the fuse box? I haven't been able to find a bad ground and the fuse and breaker do not blow, at least there is still continuity through them. Any suggestions would be appreciated. Thanks.
Jan 19, 2023 at 6:19 AM





