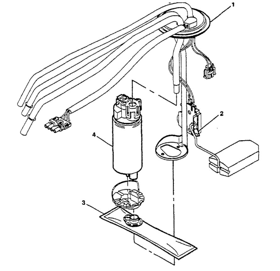
We started our car and everything was normal, it idled fine and did not shake. However we pulled to the edge of the driveway and while pulling out on the road there was no power. No check engine light and the car did not stall. We coasted to the other driveway and pulled back in and hit the gas pedal and it worked. Could you please tell me what may cause this?
Jul 2, 2021 at 1:24 AM




