Low beam LED not working?

2017 FORD EXPLORER
108,000 MILES • 6 CYL • 4WD • AUTOMATIC
Avatar
EH FOWLER
  • MEMBER
  • 1 POST
Drivers side low beam LED lights not working. I replaced LED headlight module. Only 1 of hot pin at the connection.
Mar 13, 2025 at 12:33 PM
Advertisement
Avatar
STEVE W.
  • CERTIFIED EXPERT
  • 15,113 POSTS
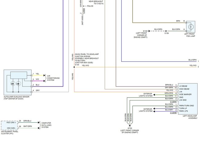
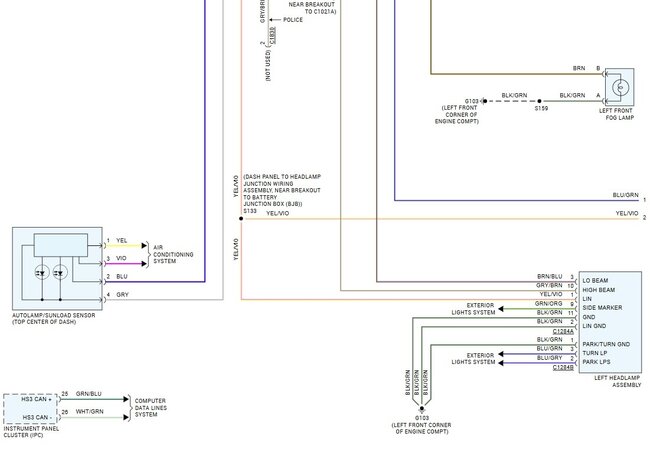
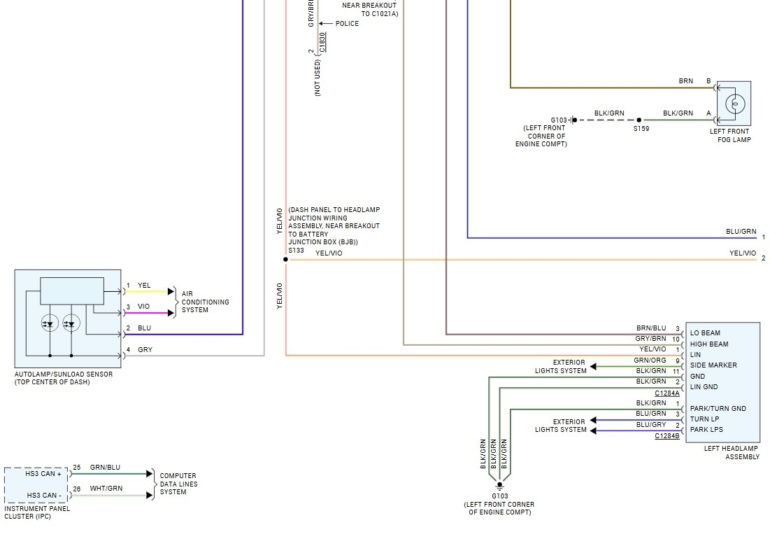
Looking at the wiring it looks like the low beam is fed directly from the BCM which is a common failure item. However, to be sure a couple of tests should show the issue. You say it's low only? High and marker work? If yes, then it isn't a fuse or ground issue as those are both shared. That leaves the BCM or the wiring. Grab a simple test light and go to the connector for the left side module. Turn on the low beam lamps. Now use a needle to slip between the wire and the insulation in the back of the connector (back pinning) at the Brown wire with blue stripe. Connect the test light to a known ground. Does it light when you touch the needle? If yes there is a problem in the connector or in the headlight assembly. No light = go to the BCM at the left side of the dash and find connector C2280G and the same Brown blue wire. Use the needle to go into the back of that terminal, does the light come on? No- replace the BCM. However, unless you have a dealer level scan tool with TPMS abilities and at least 2 keys for the truck you may want a shop to handle the repair.

Place the first key in the ignition lock cylinder or the backup starting location.

Turn the ignition lock cylinder to the RUN position or press the START/STOP button and wait approximately 6 seconds.

Turn the ignition lock cylinder to the OFF position or press the START/STOP button and remove the first key.

Place the second key in the ignition lock cylinder or the backup starting location.

Turn the ignition lock cylinder to the RUN position or press the START/STOP button.
The keys should now be in the system.

Next is the parameter reset. This is where you have to have a scan tool and follow the PATS procedure.
Next you need to program the new BCM with the proper as built data. You can usually pull this from the existing module as long as it still operates.
Then you configure the immobilizer using the scan tool and then use it to do a battery monitor reset.
Now you need to use the scan tool to configure the customer options. Like heated seats or fog lamps.
Next you need to reset and retrain the TPMS sensors and then run a scan to be sure it is set up correctly.
Now you set up the PAM module and you are done, except to test that everything now works.
Mar 13, 2025 at 6:01 PM