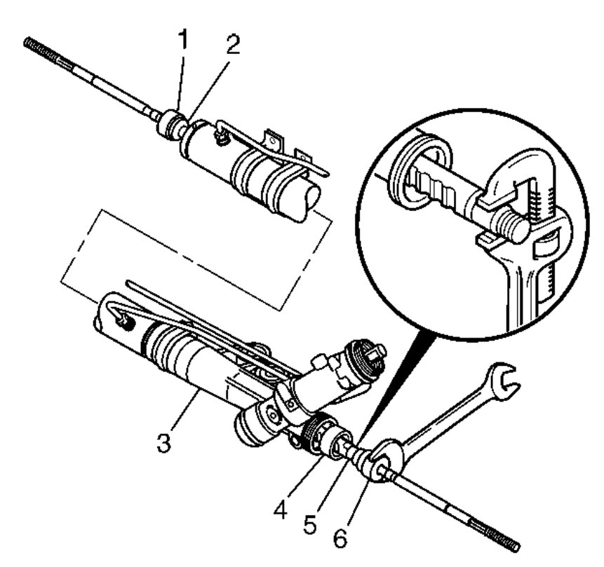
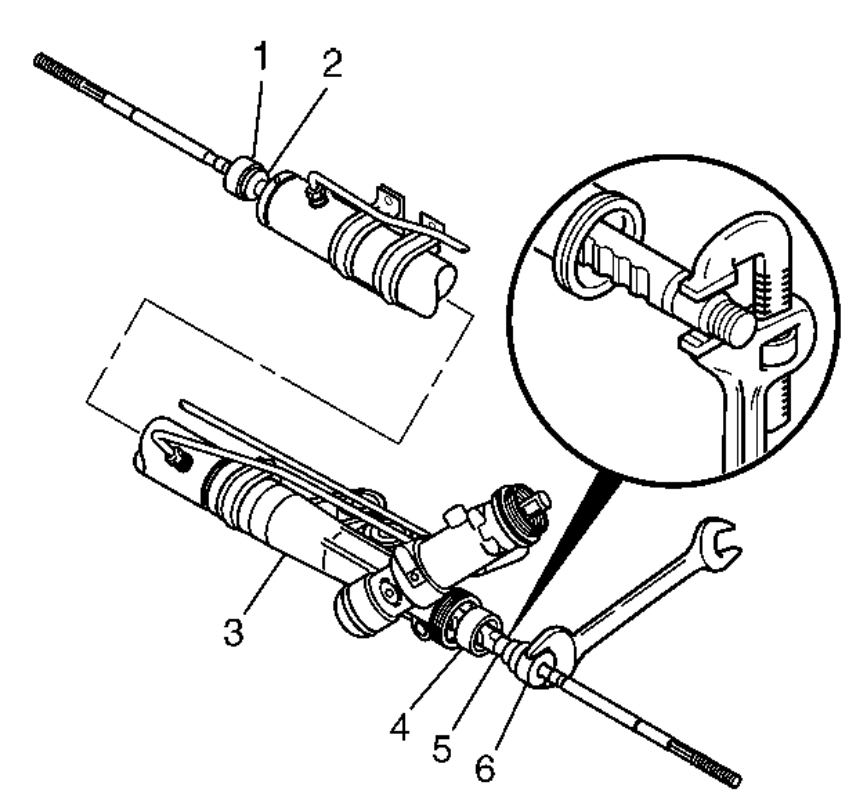
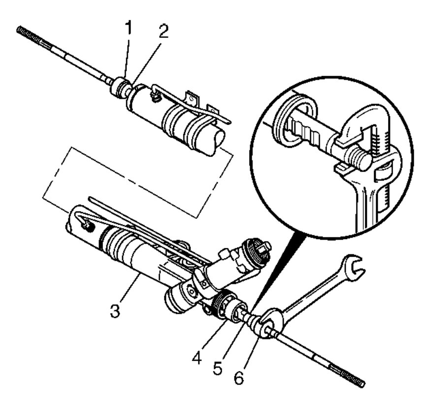
When I turn the tire side to side there's a knocking sound where the inner tie rod meets the rack. Rack is about a year and a half old and is not leaking at the rubber boots. I put new struts about 2 years ago and new CV axles a few days ago, because when I turn the steering wheel from lock to lock with the vehicle on the ground, I hear a clicking sound.
Jul 2, 2025 at 8:31 PM
