Hi,
If the oil is full, the oil light shouldn't be coming on. To be honest, it sounds like a rod or main bearing. Is there anything that makes it stop?
Based on the sound and the fact the oil pressure light is coming on, I suspect the oil pump has failed. What you could do is check the oil pressure using a mechanical pressure gauge. Most parts stores will lend one to you. Basically, you simply remove the electric oil pressure sensor and screw in the mechanical one. Start the engine and see what the pressure is.
Here is a link you may find of interest:
https://www.2carpros.com/articles/high-or-low-engine-oil-pressure
If the noise is a main bearing or rod bearing, the engine will need to be rebuilt. Actually, you may be better off finding a used engine with low mileage. It likely would be cheaper.
If you want, you could take the oil pump apart and inspect it and rebuild it. However, that will not likely get rid of the noise you hear.
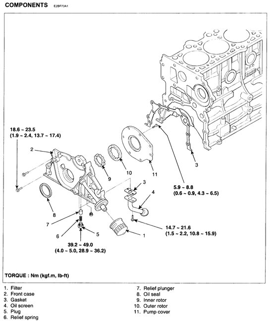
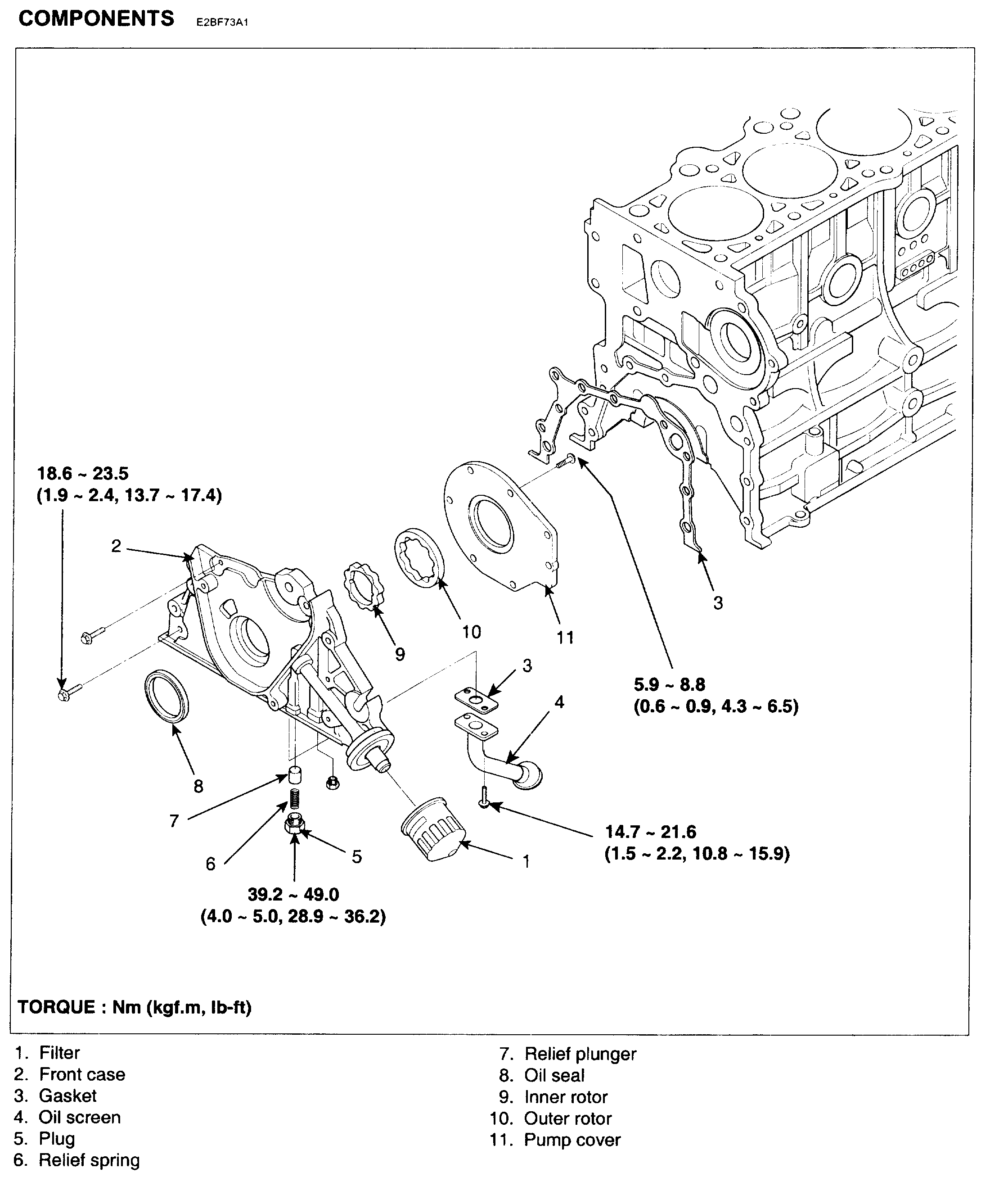
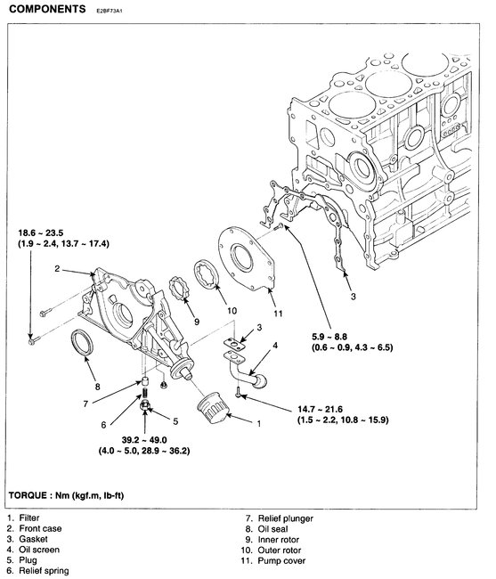
If you look at the attachments below, they include the directions and related pictures for removal, inspection, and replacement of the oil pump.
Let us know.
Take care,
Joe
See pics below.
Images (Click to enlarge)
Mar 28, 2021 at 8:39 PM