Good morning, RON BICKERS,
I am curious about the knocking though are you hearing it, or do you have a code for it?
If you are hearing it take the plugs out and inspect them to make sure they are not hitting the piston.
When you got the parts did everything match up?
P2303-Ignition Coil 'B' Primary Control Circuit Low
P2305-Ignition Coil 'B' Secondary Circuit
P2308-Ignition Coil 'C' Secondary Circuit
P2311-Ignition Coil 'D' Secondary Circuit
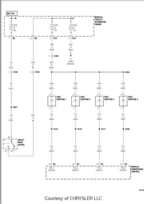
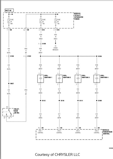
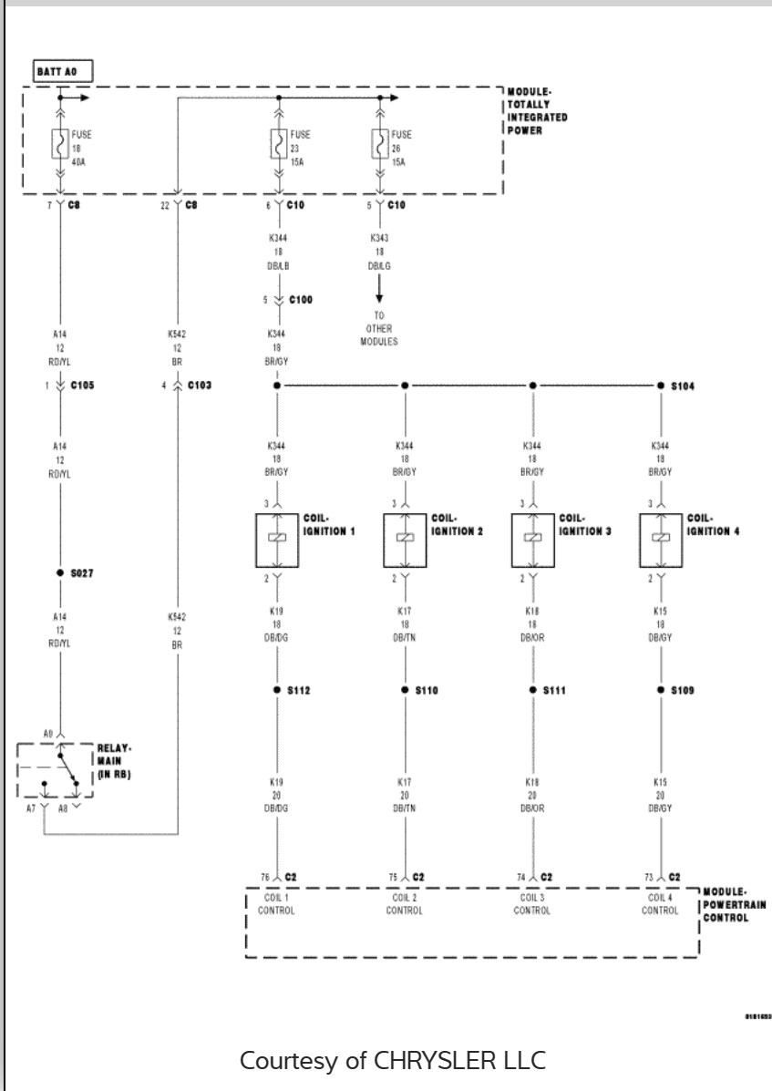
The coils are laid out A, B, C, D. "A" being the closest to the front of the engine or where the serpentine belt is then continues down the line. Because you have a primary and secondary circuit code but don't seem to affect all the cylinders, we should look at the wiring first.
I would visually inspect the wiring harness. With the ignition off look for any chafed, pinched, or partially broken wires. Also check for any broken, bent, pushed out or corroded terminals. When checking the harness make sure to be very thorough.
I will add some images of other tests you can perform if no damage to the harness is found. Follow each step completely without skipping anything.
In my opinion I believe the problem might be in the harness on top of the motor probably closer to the "D" coil
Hope this helps.
Thank you,
Brendon
2CarPros
Images (Click to enlarge)
Mar 14, 2023 at 6:12 AM