knock sensor wiring diagram

2001 BUICK REGAL
180,000 MILES • 3.8L • V6 • 2WD • AUTOMATIC
Avatar
LISAGILPIN
  • MEMBER
  • 8 POSTS
need wiring diagram for knock sensor 2001 buick regal 3.8
Aug 30, 2025 at 9:06 PM
Advertisement
Avatar
MECHTRIX
  • CERTIFIED EXPERT
  • 382 POSTS
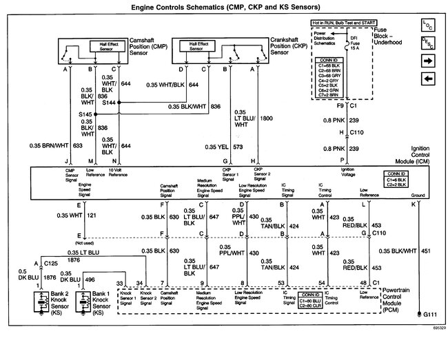
Knock sensor wire diagram
Please click the image below
Aug 30, 2025 at 10:11 PM
Avatar
LISAGILPIN
  • MEMBER
  • 8 POSTS
Thank you sooo very much! You guys have always come through and its very much appreciated.
Aug 31, 2025 at 5:45 PM
Advertisement
Avatar
STRAILER
  • CERTIFIED EXPERT
  • 53,855 POSTS
MECHTRIX is one of our best! Please use 2CarPros anytime we are here to help.
Aug 31, 2025 at 5:46 PM
Avatar
MECHTRIX
  • CERTIFIED EXPERT
  • 382 POSTS
Ha Yep I'm one of them but kens the best ..we're all pretty good though especially when we stick together somtime its the only way to solve a problem right ? good lookin out guys bew well"
Aug 31, 2025 at 6:00 PM