Knock sensor code?

2002 GMC TRUCK
93,000 MILES • 6.0L • V8 • 4WD • AUTOMATIC
Avatar
DLYNCH10
  • MEMBER
  • 1 POST
When very cold in the winter the engine would idle rough until slightly warm and go away, then it started happening in warmer weather but no code on the dash. I brought it to the shop and had them do knock sensors and intake manifold. Then it started throwing a code for faulty knock sensor, the shop did the repair twice using ACDelco parts. The code still comes on, any help would be greatly appreciated. The code comes on after the second day after the repair.
May 29, 2023 at 6:25 AM
Advertisement
Avatar
BRENDON S
  • CERTIFIED EXPERT
  • 653 POSTS
Hello DLYNCH10,

Would you mind sending me the codes so I can take a look?

Any other codes?

Any coolant loss at all?

Thank you,
Brendon
May 30, 2023 at 9:09 AM
Avatar
DLYNCH10
  • MEMBER
  • 1 POST
Codes were P0332, even when sensors switched it through the same code, no coolant loss to the best of my knowledge.
May 30, 2023 at 7:50 PM
Advertisement
Avatar
BRENDON S
  • CERTIFIED EXPERT
  • 653 POSTS
Good morning, DLYNCH10,

So, this code P0332, is refereeing to the signal being low that it is putting out to the PCM on bank 2 only. This is the rear sensor.

If both sensors were faulty, you should have a code for bank 1 which is P0327.

Some causes include:
Bad Sensors
Coolant system issues
Lean Air/ Fuel mix
Exhaust Gas Circulation (EGR) System issues
Bad wiring

I am leaning towards a wiring issue myself.

Was the harness ever replaced when they did the sensors?

Since the sensors were replaced twice with OEM sensors, I think something else might be going on. Since you mentioned it has gotten worse over time it is possible it is a corrosion issue as we all know corrosion happens over a period of time, so it would make sense.

Now these sensors are very fragile. All it takes is for the parts guy to drop in the store and its junk. But for this to happen twice with 4 separate sensors seems a little unlikely to me.

There was a Technical Service Bulletin (TSB) put out in June of 2002. The problem was water intrusion into the rear sensor. The fix was to replace the rear sensor and add RTV around the entire hole to act as a dam for any water that might end up in that area. I will add the TSB for you.

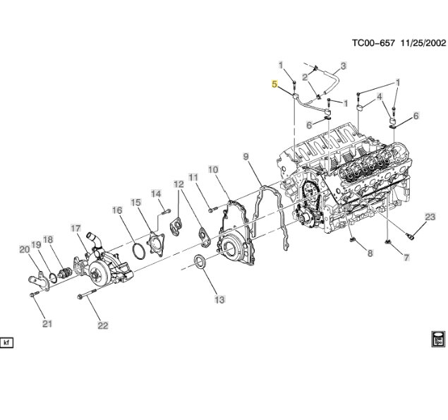
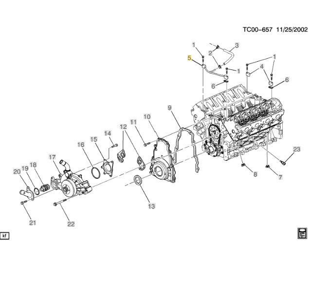
Another thing that would happen is the coolant bleed pipe that goes across from one head to the other would rot out and leak some coolant causing the same issue. I will add a picture of what this pipe looks like. Its purpose was to allow air trapped in the system to move into the bleed pipes so that coolant will reach the top of the head. The picture I have added is a redesign. Usually, it goes to each corner of the heads, but it should give you an idea what I am talking about.

You can test for any leaks pretty easily with a coolant pressure tester that you can rent at an auto parts store. It is possible it might be leaking and getting on the sensors.

Here is an article on how to do this test:
https://www.2carpros.com/articles/radiator-pressure-test

When you do the pressure test you can look under the center of the intake with a light and see if there are any leaks.

Takeaways:
1) I would replace the harness going to the sensors if you haven't already. I would go right to the dealer with your VIN.

2) I would pressure test the cooling system and look for and leaks in the area under the intake manifold.

3) Another issue could be the hood seal along the cowl. If its flat water could be coming off the windshield during a stop and getting on the back of the motor.

4) Look over the TSB, but I would put RTV around both holes not just the rear. Unfortunately, the intake will have to be removed again. I know you had a shop do the intake before so I am not sure if you will be taking it back, but I will include instructions on how to remove and replace the intake manifold in case you need it.

5) Sometimes low octane fuel can cause a knock. I would fill up my tank full of some good gas like the expensive stuff, or you can put in a lower grade and add some Octane booster.
Higher octane fuel will burn slower so the PCM will need to try and advance the timing. I would give it a try and see if it changes anything. I would get the red bottle from Lucas. I will add that for you.

*Note it will take 3 drive cycles to clear this code once the issue is fixed.

Also is this engine original to the vehicle. The reason I ask is the 6.0 is a popular swap so if it has been done it may need a tune. It would run off the 5.3 tune but not well.

Do you know if you are running the LQ4 or the LQ9 for the 6.0? The reason is the LQ9 was a high output LQ4. The did this by changing the shape of the piston and using a thinner metal gasket to give it a higher compression ratio. If you are not sure you may send me your VIN or a picture of the RPO place card in the glove box. It will help later on if we need to do more diagnostics down the road.

Is there any other past codes you have gotten in the last 6 months or so maybe pertaining to a lean condition or and EGR System issue?

Any other issues you can think of?

If you remove the intake here are some tools and notes for that:
The throttle body, fuel rail, injectors and MAP sensor can all be left in place.

You will need:
In. lb. torque wrench
Blue thread lock (Permatex is a good brand.)
Clear RTV
New intake gasket
EGR valve Gasket

Please let me know if I can clarify anything or you need any additional information.

I think for now is to replace the harness to rule out corrosion at the sensor connectors, Put on RTV around both Knock Sensor holes to prevent further water intrusion if that is what is going on, pressure test the cooling system and run some octane booster through your fuel system.

Also, for now don't clear any codes for now, I want to see if any more will pop up over time.

Thank you,
Brendon
May 31, 2023 at 7:39 AM