Knock sensor code

2002 GMC SIERRA
112,000 MILES • 5.3L • V8 • 4WD • AUTOMATIC
Avatar
DCANNON1390
  • MEMBER
  • 40 POSTS
A few months ago my water pump broke and I replaced and I replaced it with regular coolant instead of DeXcool coolant. I now have a knock sensor code. Could that be the reason? If not then what could it be?
Jun 21, 2020 at 12:14 PM
Advertisement
Avatar
ASEMASTER6371
  • CERTIFIED EXPERT
  • 52,796 POSTS
Good afternoon.

No to the coolant causing the issue.

Can I have the code number that was set so I can look it up?

https://www.2carpros.com/articles/how-a-knock-sensor-works

Roy
Jun 21, 2020 at 12:53 PM
Avatar
DCANNON1390
  • MEMBER
  • 40 POSTS
P0332.
Jun 21, 2020 at 1:39 PM
Advertisement
Avatar
DCANNON1390
  • MEMBER
  • 40 POSTS
Should I still drain the coolant and put dexcool in or will it be fine?
Jun 21, 2020 at 1:40 PM
Avatar
ASEMASTER6371
  • CERTIFIED EXPERT
  • 52,796 POSTS
I found a TSB for the code that recommends replacing the sensors and the harness.

did you replace the harness when you did the sensors?

Roy

File In Section: 06 - Engine/propulsion System

Bulletin No.: 02-06-04-023

Date: May, 2002

TECHNICAL

Subject:
Audible Spark Knock (Detonation), MIL Illuminated, DTC P0332 Set (Replace Rear Bank Knock Sensor and RTV Area Around Sensor)

Models:
1998-2002 Chevrolet Camaro, Corvette
1998-2002 Pontiac Firebird with 5.7L Engine (VIN G - RPO LS1)
1999-2002 Chevrolet and GMC C/K Pickup and Utility Models (Avalanche, Silverado, Sierra, Tahoe, Suburban, Yukon, Yukon XL, Yukon Denali, Yukon Denali XL)
with 4.8L, 5.3L or 6.0L Engine
(VINs V, T, Z, N, U - RPOs LR4, LM7, L59, L09, LQ4)

Condition

Some customers may comment on a mild to severe engine ping (commonly referred to as spark knock), usually worse during acceleration and/or an illuminated MIL. Upon investigation, the technician may find DTC P0332 set.

Cause

This condition may be the result of corrosion of the rear bank knock sensor due to water intrusion into the sensor cavity. This condition is more apparent on vehicles in which customers frequently wash the engine compartment.

Correction

Replace the rear bank knock sensor and build a dam (wall) around the sensor using RTV to divert water away from the sensor. Use the procedure and part number listed below.

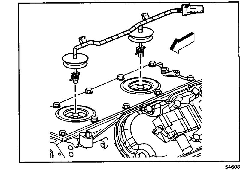
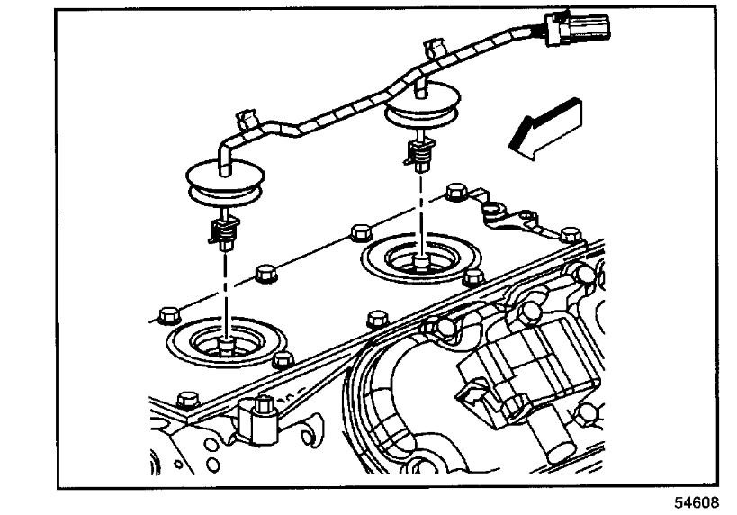
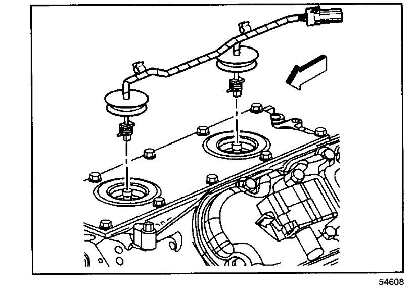
1. Remove the intake manifold. Refer to the Intake Manifold Replacement procedure in the Engine Controls sub-section of the appropriate Service Manual.


imageOpen In New TabZoom/Print


2. Remove the wiring harness assembly from the knock sensor.


imageOpen In New TabZoom/Print


3. Remove the rear bank knock sensor.

4. Install the new rear bank knock sensor.

Tighten

Tighten the knock sensor to 20 N.m (15 lb ft).

5. Install the wiring harness assembly to the knock sensor.


imageOpen In New TabZoom/Print


6. Apply a bead of RTV silicone sealant approximately 9 mm (3/8 in) wide and 6 mm (1/4 in) high along the outside edge of the ridge on the engine block valley cover around the rear bank knock sensor. DO NOT form a complete circle. Leave the rear section open as shown.

7. From the underside of the intake manifold, completely remove the rear intake manifold seal (foam material).

8. Install the intake manifold. Refer to the Intake Manifold Replacement procedure in the Engine Controls sub-section of the appropriate Service Manual.
Jun 21, 2020 at 1:51 PM
Avatar
DCANNON1390
  • MEMBER
  • 40 POSTS
Okay. I'll replace it and tell you if it works.
Jun 21, 2020 at 2:08 PM
Avatar
ASEMASTER6371
  • CERTIFIED EXPERT
  • 52,796 POSTS
Sounds like a plan.

Keep us updated.

Roy
Jun 21, 2020 at 2:09 PM
Avatar
DCANNON1390
  • MEMBER
  • 40 POSTS
Would a rear differential from a 2003 Avalanche fit on a 2002 Sierra?
Jun 22, 2020 at 5:09 PM
Avatar
ASEMASTER6371
  • CERTIFIED EXPERT
  • 52,796 POSTS
We are talking another issue. We can only deal with one issue per question. that is the site rules.

You need to start another question from the beginning.

www.2carpros.com/question/new

Roy
Jun 22, 2020 at 5:12 PM
Avatar
DCANNON1390
  • MEMBER
  • 40 POSTS
Okay.
Jun 22, 2020 at 5:18 PM