Kill switch installation

2020 CHEVROLET SILVERADO
2,000 MILES • 4.3L • 6 CYL • 2WD • AUTOMATIC
Avatar
5123321055
  • MEMBER
  • 16 POSTS
Is it possible to install a kill switch on the new generation 2020 Silverado? There doesn't appear to be a fuel pump fuse anywhere or a stand alone ignition fuse for that matter. Thinking things may be going thru the BCM. Anyway, any thoughts on where one might wire a switch?

Thanks
Jun 1, 2020 at 4:51 PM
Advertisement
Avatar
KASEKENNY
  • CERTIFIED EXPERT
  • 18,907 POSTS
Can you give a little more detail about why you would want to do this? It can be done but if it is for security reasons, it may not be needed. The only way someone can steal this truck is with your key. If you are worried about that then I can understand this switch.

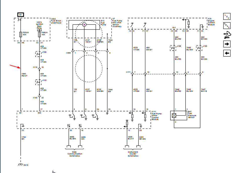
Also, I am assuming you want this wired to the fuel pump so that you have to have the switch on to power the fuel pump? If so, just mount your switch where ever you want in the cab and then run the wires to the B+ wire for the fuel pump which is shown in the wiring diagrams. Cut the wire and splice in each wire from the two position switch you just installed and now the only way the fuel pump control module gets power is when that switch is on.

I also attached a close up view of the fuel pump module fuse which is the fuse for the fuel pump as well. Everything is run through a module these days and in this case it is the fuel pump driver module.

Let me know if you have questions. Thanks
Jun 1, 2020 at 6:16 PM
Avatar
5123321055
  • MEMBER
  • 16 POSTS
I just recently read where thieves are changing out the PCM and taking off in the Silverado. I did notice that my PCM is mounted low under the air box so GM must have addressed that issue. I do have the factory alarm and on star but saw where they disable that pretty quick to. Was just looking for something that might slow them down. I have already done a hood switch so as soon as the hood lever is pulled from inside the cab the alarm goes off. I guess my OCD is showing but I love this truck. Thanks for your advice.
Jun 1, 2020 at 6:29 PM
Advertisement
Avatar
KASEKENNY
  • CERTIFIED EXPERT
  • 18,907 POSTS
I have not heard that one yet but that won't work on the 2020. The PCM is programmed to the VIN and then has what is called a secret key. So when you put the key in the ignition it has a code that is recognized by the theft system. Then the theft module sends another code to the PCM that has to be recognized by the PCM. If that happens, then the PCM will allow the engine to start.

Just swapping the PCM will not allowing this to happen. If you have an article or a link to where you saw this, I would love to check it out and maybe I can shed some light on it or learn something new with what they are doing. Thanks
Jun 1, 2020 at 7:47 PM
Avatar
STEVE W.
  • CERTIFIED EXPERT
  • 15,113 POSTS
I think the poster is referring to a few Silverado's that were stolen in Texas. So far they are not real sure of what they are doing but it has been on 2016-18 trucks as far as I've heard.
I suspect they are using highly modified ECU's that just get the engine to run and bypass all the other electronics. If you're stealing the thing to strip it you don't really care if the windows or stereo are not working as long as you can get the engine to run and the trans to go into limp mode long enough to drive it onto a trailer hidden a mile or two away.
Disabling OnStar is actually pretty simple. either pop the antenna cable free or cover the antenna with a signal blocker.
Jun 1, 2020 at 9:19 PM