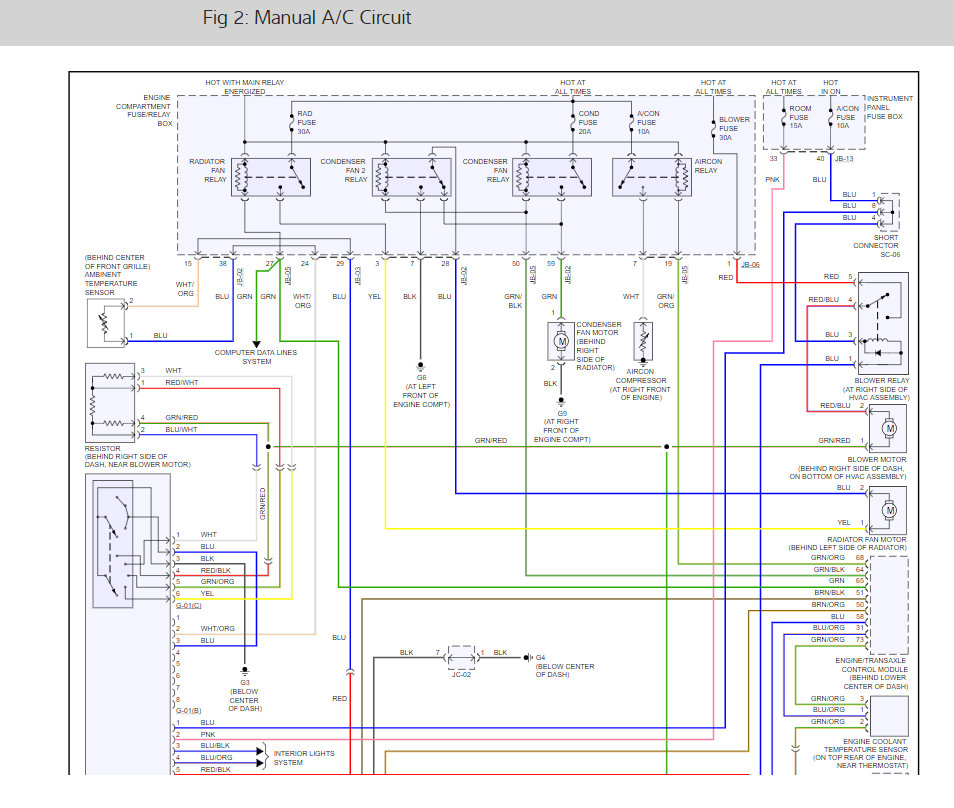
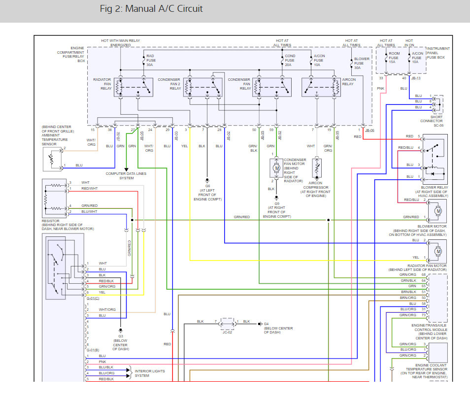
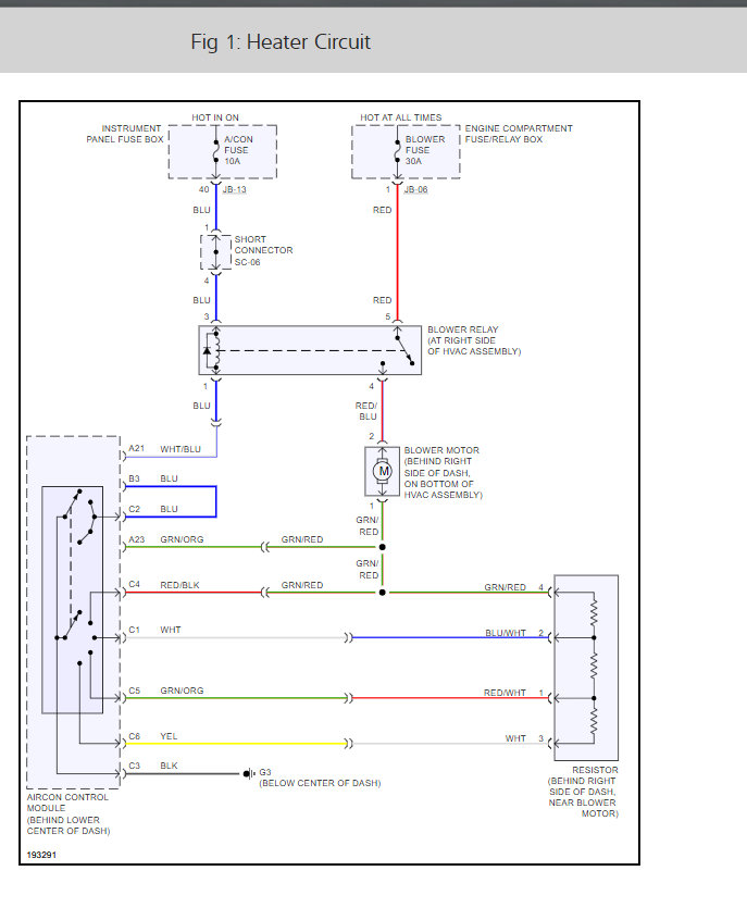
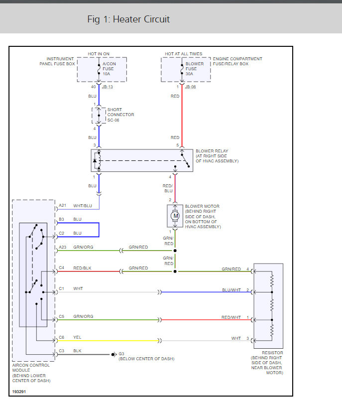
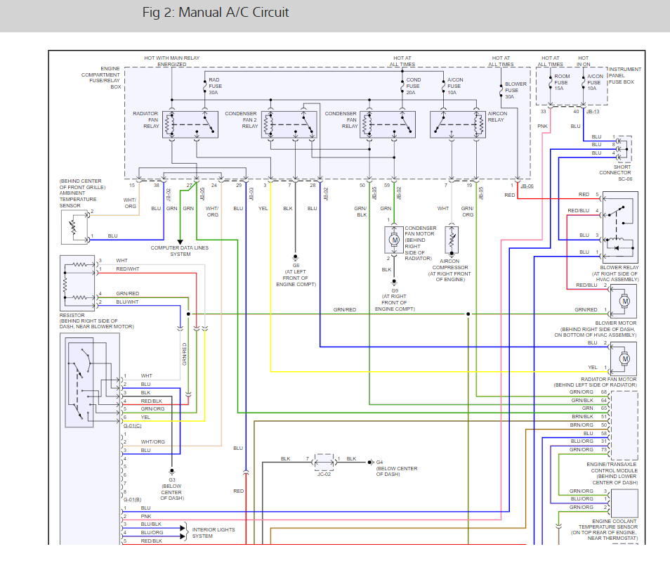
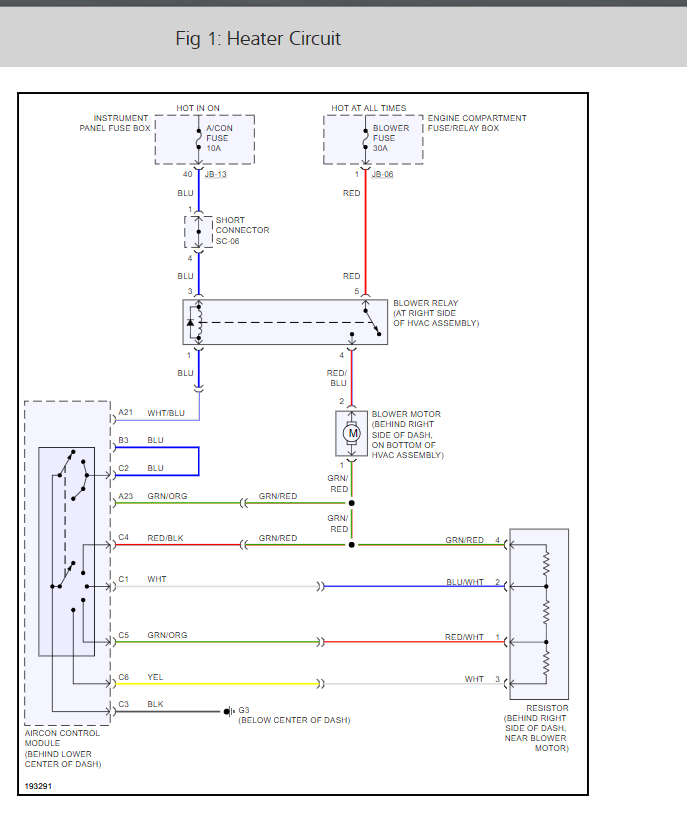
I have a problem with my A/C, The A/C compressor is not getting voltage.When I select the switch for A/C the compressor will not turn on. I know the air duct door is working correctly to choose heat or cold.I have checked with a multimeter for power at the compresser, one lead on ground and the other on the plug, I have checked the triple pressure switch and am not getting power to either of them with A/C selected. I know I have freon in the system. The A/C belt is tight and in good condition. I have checked all the a/c fuses. I have checked the A/C relays and swapped them with same relays. When I jump the A/C control relay with a jumper wire the compressor turns on and the a/c blows cold.I checked for voltage at the A/C control relay and at 85 and 30 terminals there is voltage. Terminal 86 and 87 does not have voltage. It seems like the relay is not getting a power signal when the A/C button is pressed/turned on. Do you think the A/C control switch assembly is bad? On the control switch when you select A/C the button still lights up as if it were working.What are other possible causes of the A/C not working.
Jan 18, 2010 at 7:35 PM


