Speedometer stops working

2004 KIA OPTIMA
65,000 MILES • 6 CYL • FWD • AUTOMATIC
Avatar
LYNDAP
  • MEMBER
  • 1 POST
The speedometer intermitantly quits working. I cannot use my cruise control consistently. Can you help?
May 5, 2009 at 1:37 PM
Advertisement
Avatar
KASEKENNY
  • CERTIFIED EXPERT
  • 18,907 POSTS
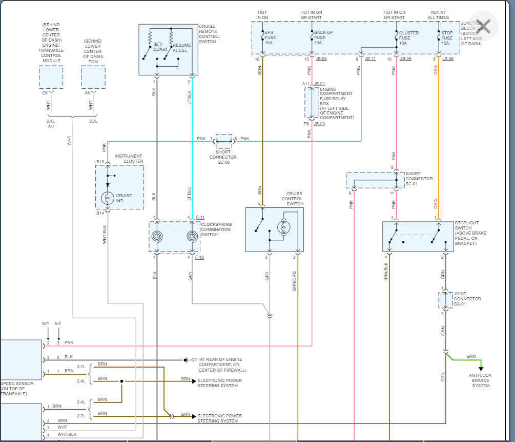
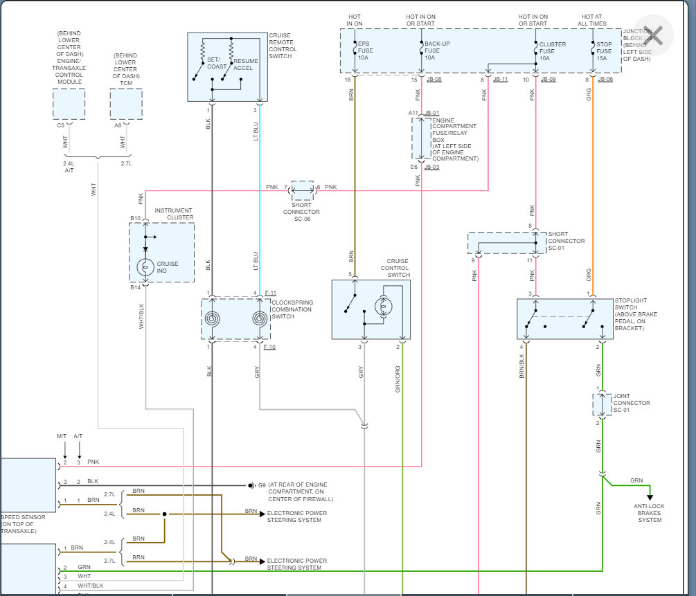
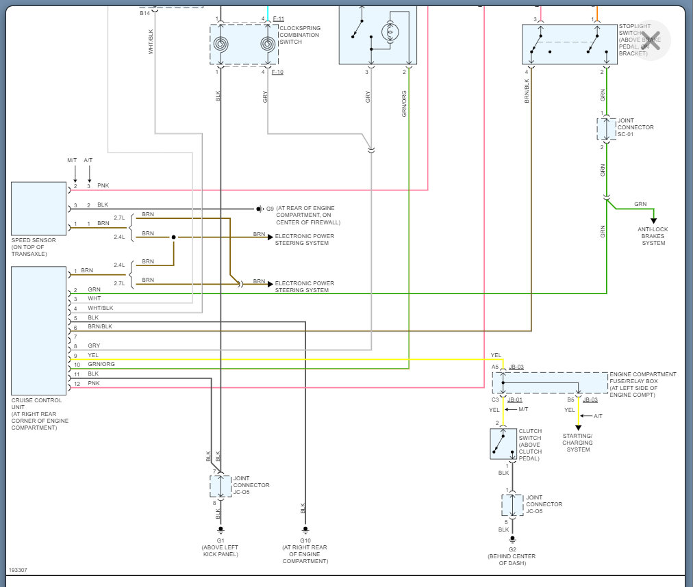
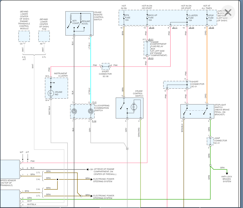
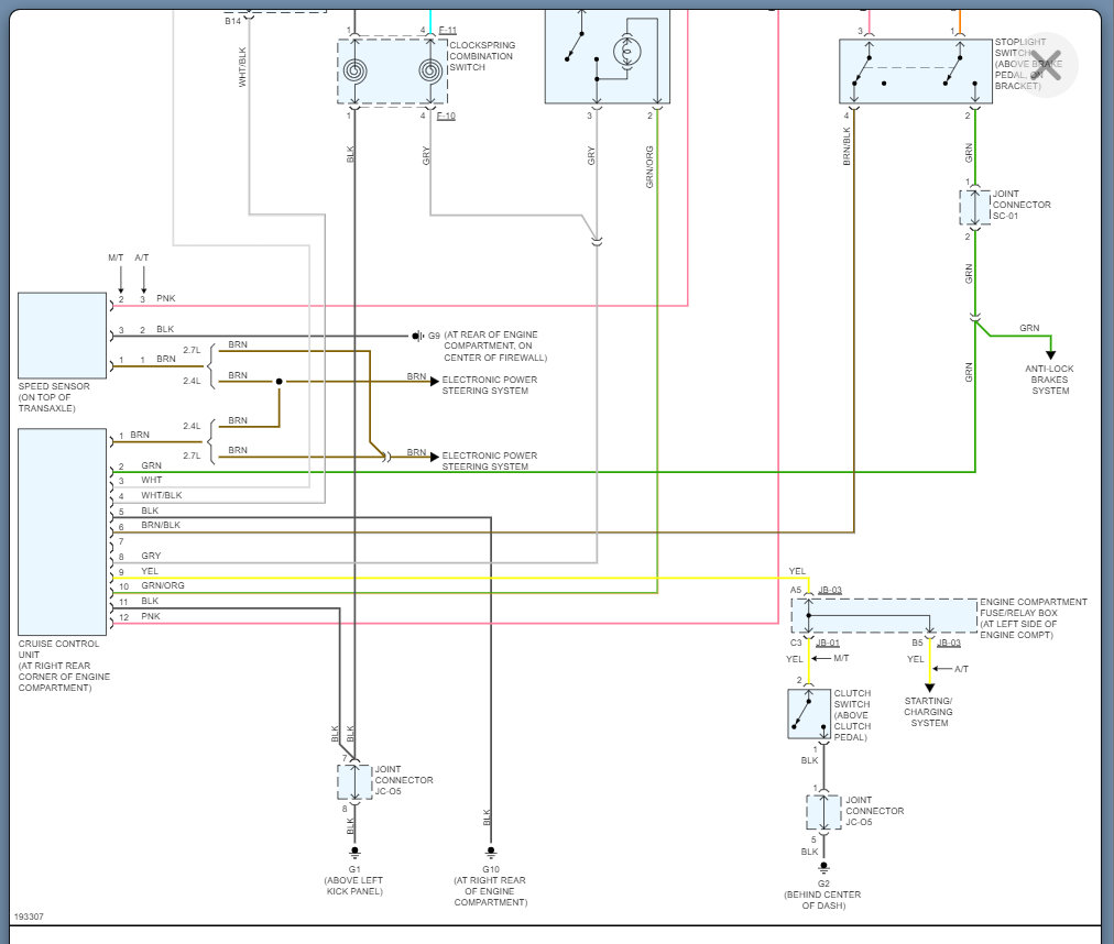
More than likely this is a speed sensor issue.

Below you will find the info from the manual on how to replace this speed sensor as I would suggest replacing it.

The way we need to test this is check the voltage that is coming from the speed sensor and make sure there is a power going to the speed sensor.

Here is a guide that will help with this:

https://www.2carpros.com/articles/how-to-check-wiring

Below you will find the wiring diagram that will help with this info.

Please run through this and let us know what questions you have.

Thanks
Jan 28, 2022 at 6:57 PM