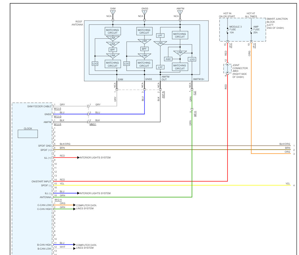
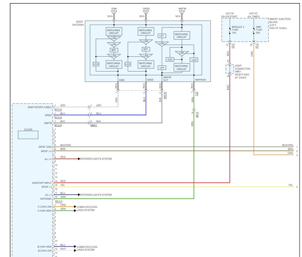
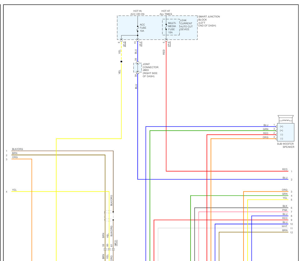
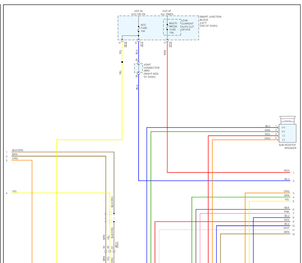
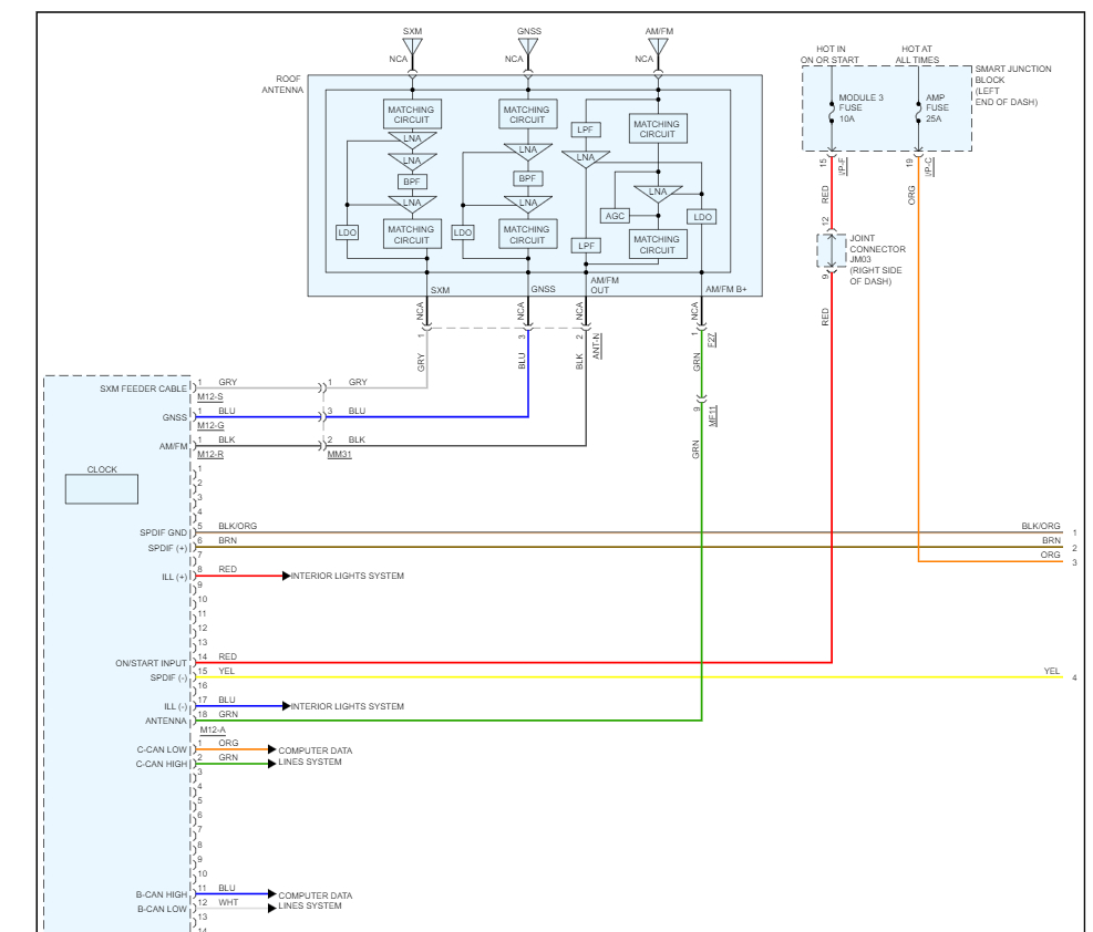
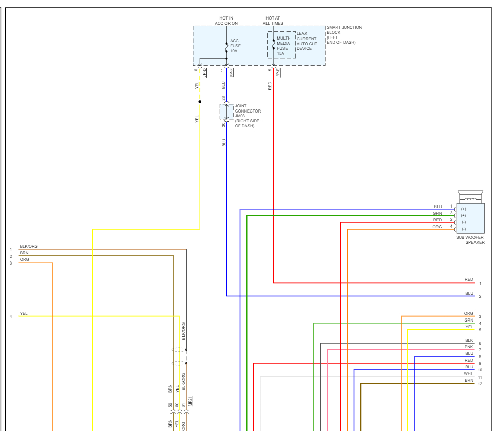
I'm trying to upgrade my OEM 2016 Kia Sorento EX radio to the 2018 OEM radio with the touch screen and Android Auto. Both models are interchangeable but the wiring is different, and I was hoping someone has the pinout for the 2018 OEM radio (96160-C6400WK) so I can configure a connector.
Thanks.
Thanks.
Mar 14, 2023 at 10:44 PM













