Keypad on door not working and half the dash cluster lights not working

2008 MERCURY MOUNTAINEER
190,000 MILES • 4.0L • V6 • 2WD • AUTOMATIC
Avatar
BLAKEGRISHAM06.
  • MEMBER
  • 1 POST
Keyless pad not working dash cluster lights only half work.
Feb 3, 2022 at 7:45 AM
Advertisement
Avatar
KASEKENNY
  • CERTIFIED EXPERT
  • 18,907 POSTS
When you say the keypad doesn't work, I assume you mean it will not lock or unlock? Or do you mean just the lights will not work nor the cluster lights?

Does everything in the cluster operate just half the lights are out?

More than likely, you have an issue with the smart junction box circuit board but let's pick one of these issues and fix it. I suspect that we will fix both but if it doesn't then we can move onto the next.

Trying to figure out how to fix both just gets confusing so it is better to pick one and focus on it.

I would pick up the keypad. So, we need to check the voltage going to the pad and if there is none then we go back to the SJB and check for voltage coming out.

Here is a guide that you may not need to help with checking voltage:

https://www.2carpros.com/articles/how-to-check-wiring

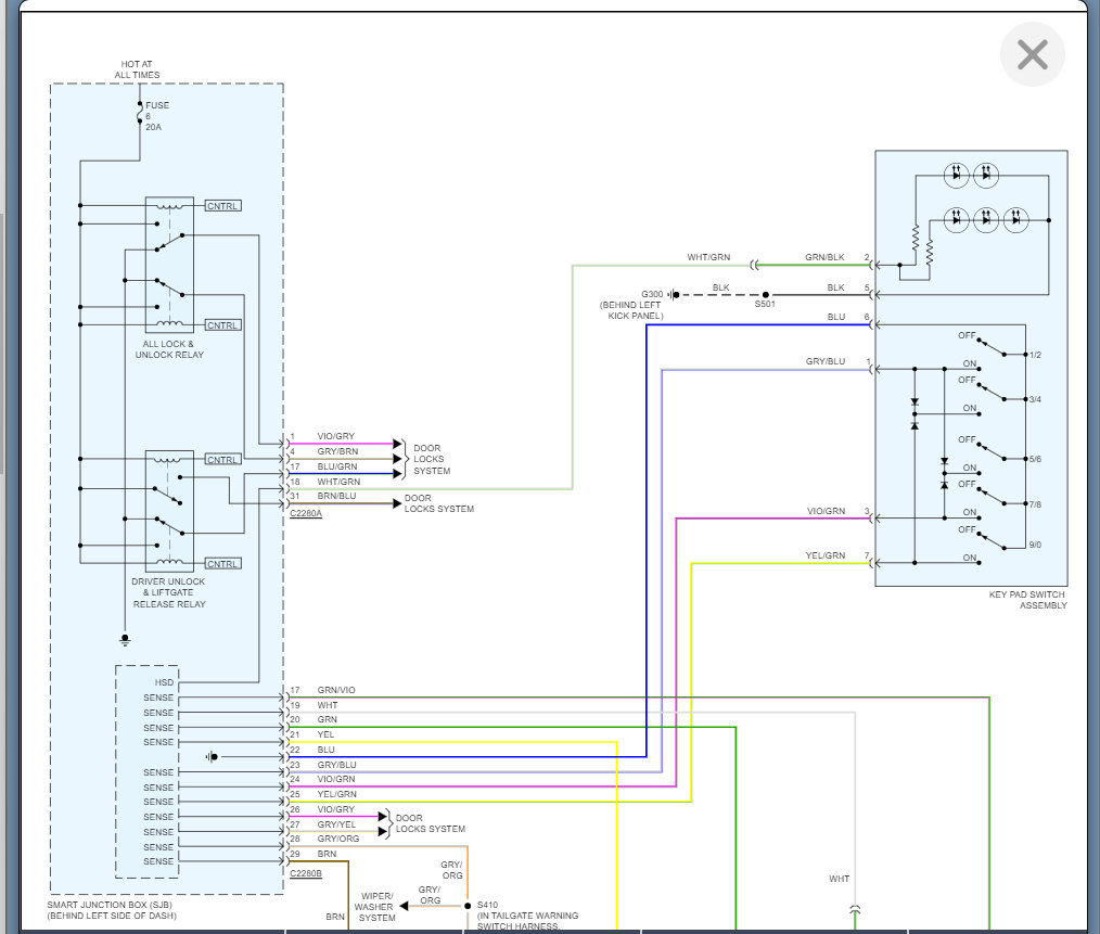
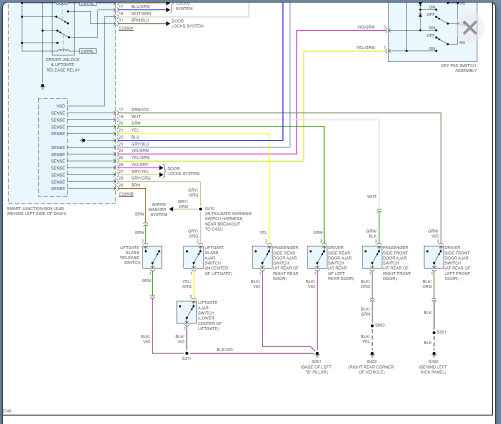
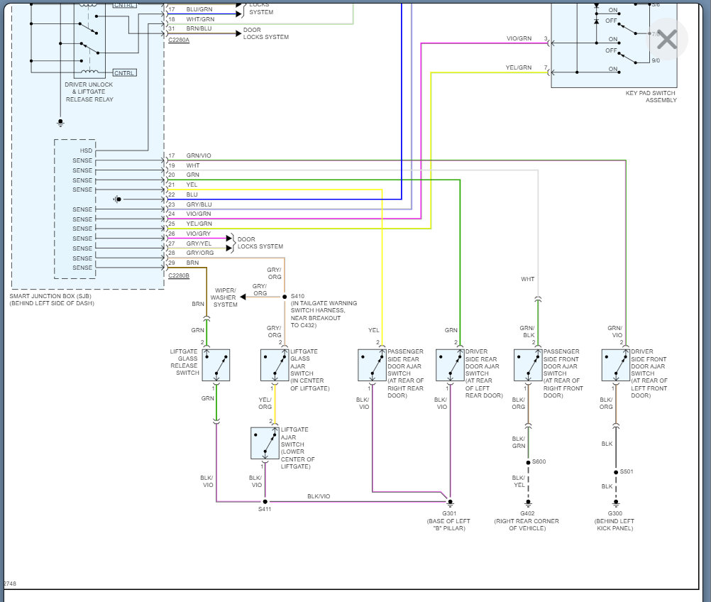
Please review the wiring diagram below and the pinout for the keypad.

Let me know what you find with this, and we can go from there.

Thanks
Feb 4, 2022 at 5:33 AM