Keyless remote, I can unlock my doors using the key fob but cannot lock them?

2011 CHEVROLET CAMARO
74,000 MILES • 3.6L • V6 • 2WD • AUTOMATIC
Avatar
BJSMUSIC
  • MEMBER
  • 3 POSTS
They lock and unlock using the lock switch inside the car.
Jun 19, 2023 at 11:29 AM
Advertisement
Avatar
STRAILER
  • CERTIFIED EXPERT
  • 53,854 POSTS
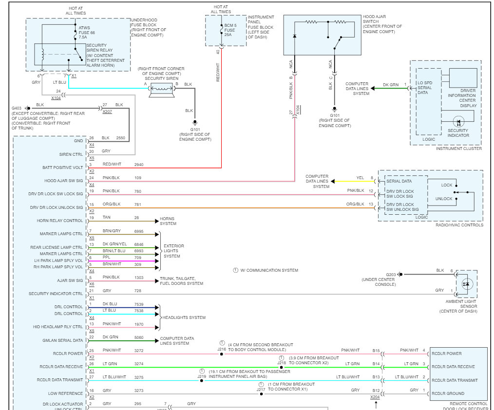
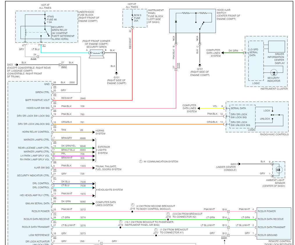
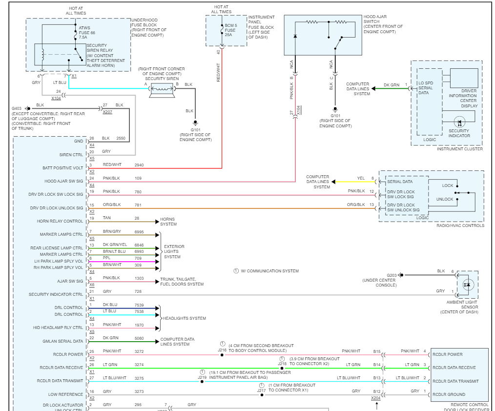
Most of the time the button on the remove goes bad. I would try a new one first. here are the wiring diagrams for the locks so you can see how the system works, also we can do a CAN scan to see if the BCM is bad which can cause this problem as well. You can get a CAN scanner (Controller Area Network) which will work on most cars from Amazon.

here is a video to show you how:

https://youtu.be/u-4syLc-ifQ

Here is a link to a new remote which you can program:

https://amzn.to/3CCNM9d

Here is how to change the BCM out as well in case you need it, you can get a preprogrammed unit by searching Google or Ebay. Check out the images (below). Please let us know how it goes.
Jun 20, 2023 at 4:05 PM
Avatar
BJSMUSIC
  • MEMBER
  • 3 POSTS
The button in the fob was bad, it would unlock but not lock! Replacement fob, fixed it. Thank you
Jun 22, 2023 at 2:32 PM
Advertisement
Avatar
STRAILER
  • CERTIFIED EXPERT
  • 53,854 POSTS
Thanks for letting us know, we are here to help, please use 2CarPros anytime.
Jun 23, 2023 at 10:22 AM