☰
Login
Join
×
Home
Answered Questions
Repair Topics
Repair & Service Guides
Popular Questions
Warning Lights
Trouble Codes
How It Works
Testing / Diagnostics
Symptoms
Videos
Login
Become a Member
Home
Chevrolet
Silverado
Security
Keyless Entry
Keyless entry wiring diagram needed
2003 CHEVROLET SILVERADO
155,000 MILES • 8.1L • V8 • 4WD • AUTOMATIC
LOUD PELLETIER
MEMBER
39 POSTS
FOLLOW
hello, I would like to have the wiring diagram of the keyless entry for the truck listed above lt and how the keyless entry works.
Sep 14, 2021 at 6:16 AM
Advertisement
DANNY L
CERTIFIED EXPERT
5,648 POSTS
Hello, I'm Danny.
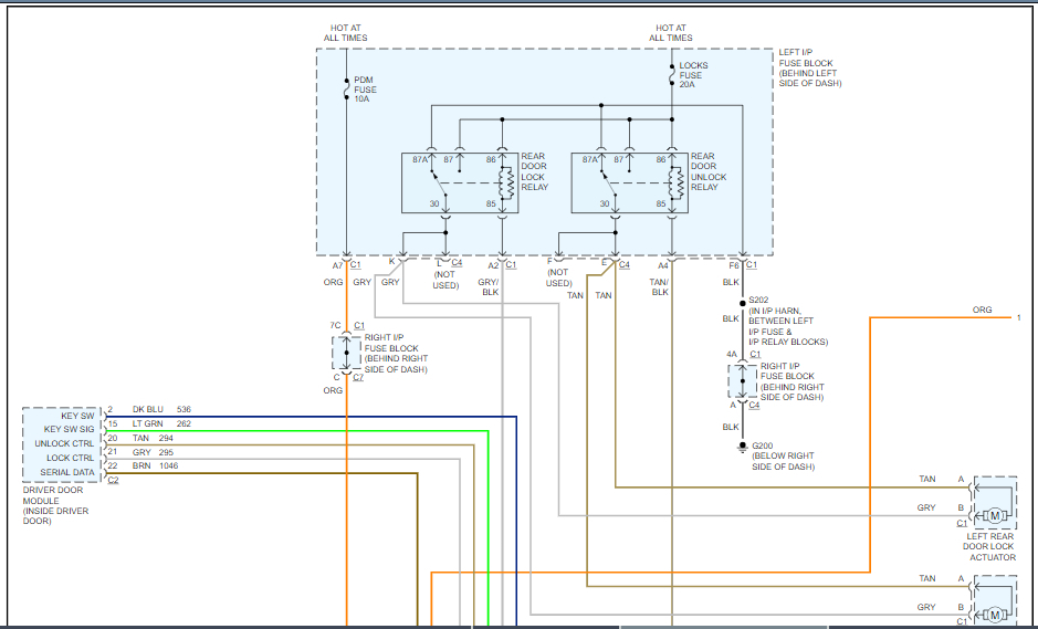
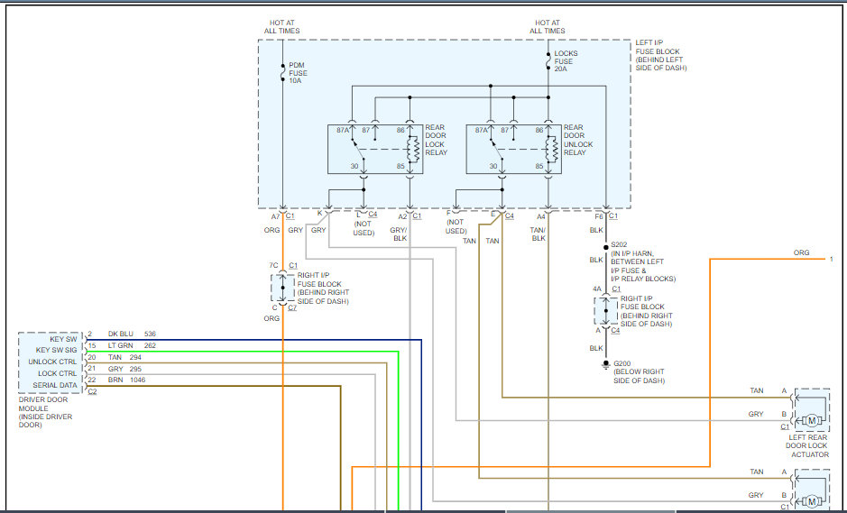
Here is the information you requested. This is a tutorial on how to test electrical wiring if needed:
https://www.2carpros.com/articles/how-to-check-wiring
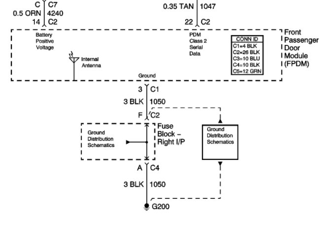
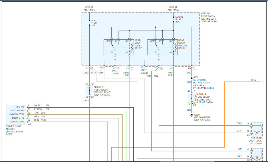
I've attached below pictures showing the keyless system description and wiring diagram. I've cut the pages into three pieces so you can view larger. Hope this helps and thanks for using 2CarPros.
Images (Click to enlarge)
Sep 14, 2021 at 7:08 AM