Key-less entry not working properly

2012 FORD MONDEO
120,000 MILES • 2.0L • 2WD • AUTOMATIC
Avatar
BILLY WHIZZ
  • MEMBER
  • 1 POST
In The last 4 days my key-less fob will no longer lock my car doors. instead it clicks and then the 4 windows all come down. so I cannot lock my car.
Aug 6, 2019 at 5:14 AM
Advertisement
Avatar
STRAILER
  • CERTIFIED EXPERT
  • 53,854 POSTS
Hello,

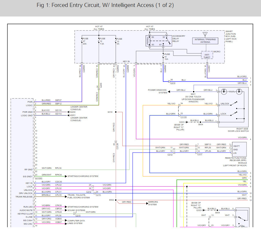
It sounds like the remote function actuator might be going out. We should check the fuses first. Here is a a guide to help and the fuse location below along with the security system wiring diagrams so you can see how it works and which fuses the check:

https://www.2carpros.com/articles/how-to-check-a-car-fuse

The smart junction box goes out in these cars as well and is where the remote function actuator is located. Check out the diagrams (below). Please let us know what you find. We are interested to see what it is.

Aug 7, 2019 at 7:15 PM