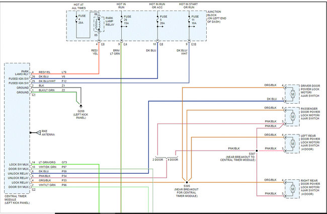
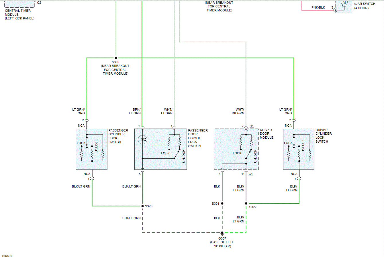
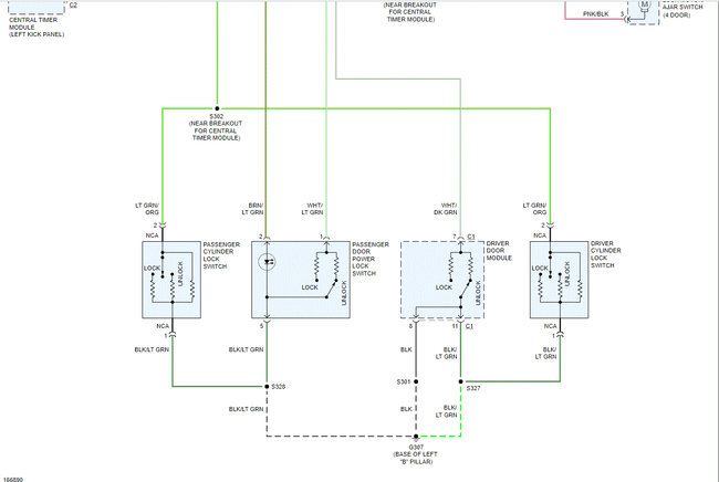
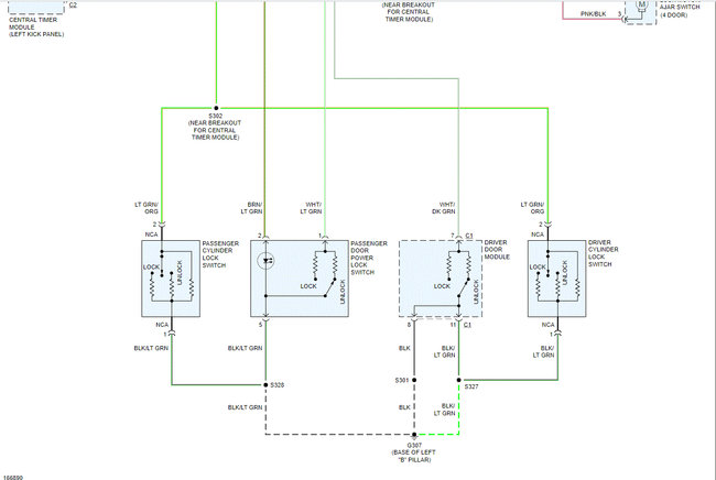
I have a auto starter system with keyless entry, I’m trying to install it on my vehicle but I can’t find the wires for the lock/unlock. mine has a factory keyless that doesn’t work anymore.
Apr 1, 2021 at 5:52 PM

