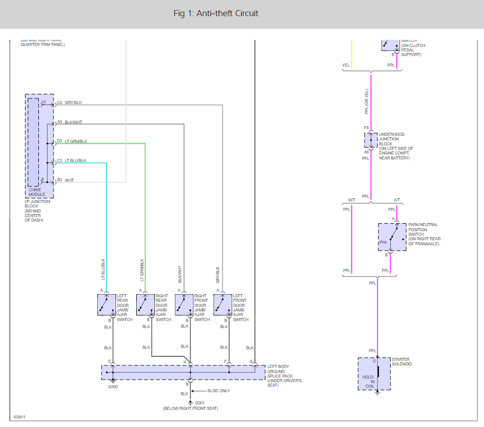
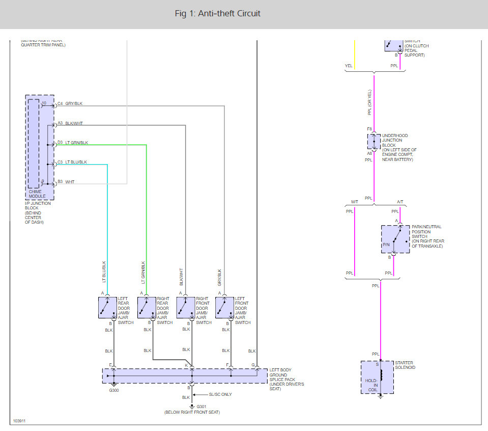
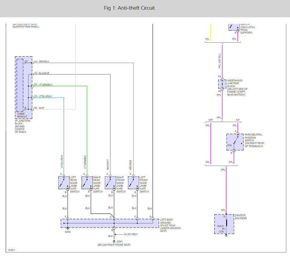
I tried to unplug the plug from the key-less receiver and I pulled the wire out of the wire harness. need to see diagram to properly insert wire for proper function.
Aug 17, 2017 at 6:56 PM

