key fob programming not working?

2006 PONTIAC GRAND PRIX
248,679 MILES • 3.8L • V6 • 2WD • AUTOMATIC
Avatar
RONALD DEVOLD
  • MEMBER
  • 134 POSTS
I purchase this car without any key fobs. I purchased two new fobs and plugged in a diagnostic tool and is unable to program the remotes. It keeps saying programming failed. My question is, could it be a faulty ECU or wrong type of key fob because there is one with remote start and one without. Also, could it be some type of controller in the car that is faulty?
Jun 4, 2023 at 7:59 AM
Advertisement
Avatar
STRAILER
  • CERTIFIED EXPERT
  • 53,854 POSTS
Yes, it could be the fobs or the BCM needs to be replaced, I would start with a CAN scan, you can get a CAN scanner (Controller Area Network) which will work on most cars from Amazon.

Here is a video to show you how:

https://youtu.be/u-4syLc-ifQ

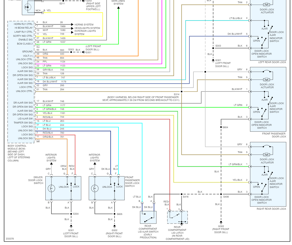
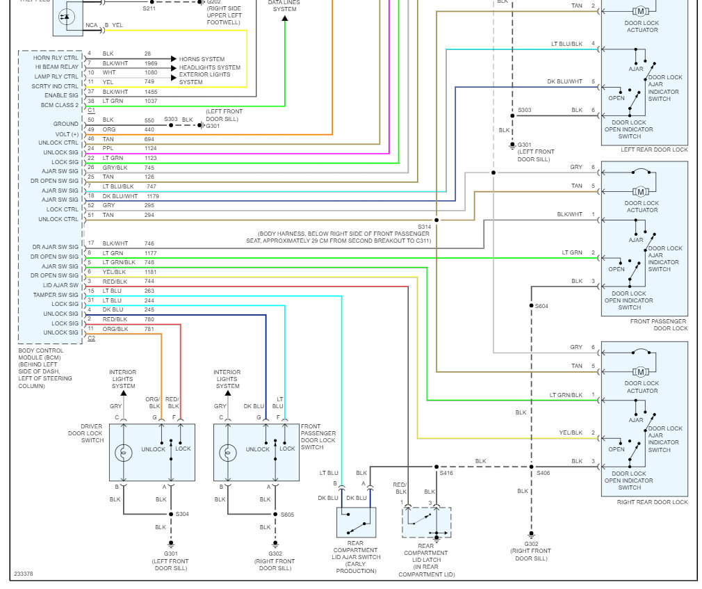
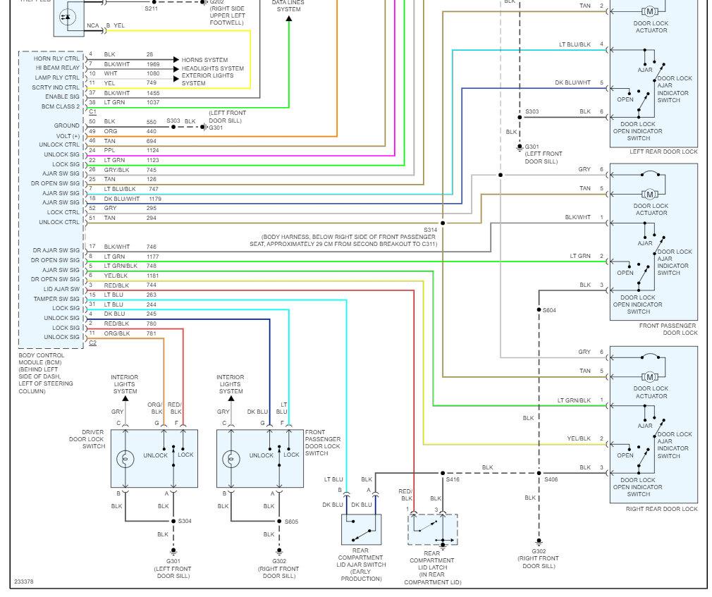
Here is how to change out the BCM in the images below in case you need it. Also, I have included the security system wiring diagrams so you can see which fuses to test and how the system works. Check out the images (below). Let us know what happens and please upload pictures or videos of the problem so we can see what's going on.

Jun 5, 2023 at 10:36 AM
Avatar
RONALD DEVOLD
  • MEMBER
  • 134 POSTS
yes, i have AUTEL MaxiSys MS906 BT.
Jun 5, 2023 at 6:11 PM
Advertisement
Avatar
STRAILER
  • CERTIFIED EXPERT
  • 53,854 POSTS
Those are good scanners.
Jun 6, 2023 at 8:37 AM
Avatar
RONALD DEVOLD
  • MEMBER
  • 134 POSTS
The only codes I have are the throttle pedal code and throttle code.
Jun 17, 2023 at 4:08 AM
Avatar
STRAILER
  • CERTIFIED EXPERT
  • 53,854 POSTS
Faulty ECU or controller: While it is possible for a faulty ECU or controller to cause programming issues, it is less likely in this case, especially if the rest of the vehicle's functions are working properly.
Jun 17, 2023 at 9:53 AM
Avatar
RONALD DEVOLD
  • MEMBER
  • 134 POSTS
I purchased an OEM Key Fob and still cannot program it.
Aug 1, 2023 at 3:38 AM
Avatar
STRAILER
  • CERTIFIED EXPERT
  • 53,854 POSTS
Did it come with instructions? some aftermarket key fob are better for programming FYI.
Aug 2, 2023 at 6:16 PM
Avatar
RONALD DEVOLD
  • MEMBER
  • 134 POSTS
No. I purchased it online and the description states it must be programmed by a professional automotive locksmith or dealership.
Aug 3, 2023 at 3:27 AM
Avatar
RONALD DEVOLD
  • MEMBER
  • 134 POSTS
I had also reprogrammed the ECU using GM Tech online software and still no luck.
Or is it the BCM?
Aug 3, 2023 at 3:35 AM
Avatar
STRAILER
  • CERTIFIED EXPERT
  • 53,854 POSTS
Yep, the BCM is what holds the key and fob programming. Let me know what happens please.
Aug 3, 2023 at 10:24 AM