Key will not turn and stuck in park

1998 TOYOTA CAMRY
170,000 MILES • 4 CYL • 2WD • AUTOMATIC
Avatar
ZACK CALLENDER
  • MEMBER
  • 4 POSTS
My key won't turn fully in the ignition. I can turn the key enough to unlock the steering wheel. But also the shifter is stuck in park so I can't move my vehicle to work on it.
Aug 31, 2019 at 11:19 AM
Advertisement
Avatar
STRAILER
  • CERTIFIED EXPERT
  • 53,855 POSTS
Hello,

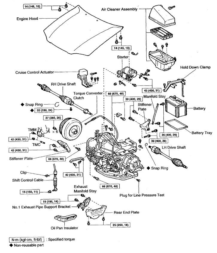
This is common when the shift cable wears out. here are instructions on how to change it out in the diagrams below. Also check the shift lock ECU remove the electrical connector to check for corrosion. Check out the diagrams (below). Please let us know what you find. We are interested to see what it is.

Sep 1, 2019 at 11:34 AM