Key tumbler not working

2003 HYUNDAI TIBURON
125,000 MILES • 2.4L
Avatar
TAMARATATE91
  • MEMBER
  • 1 POST
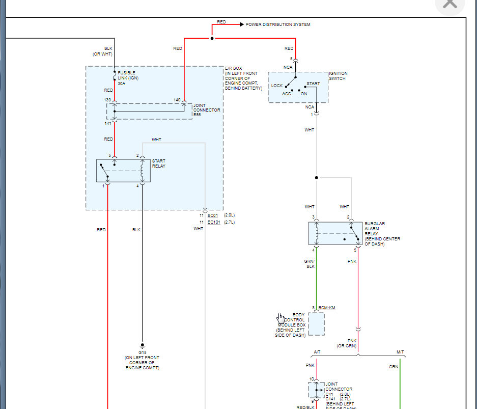
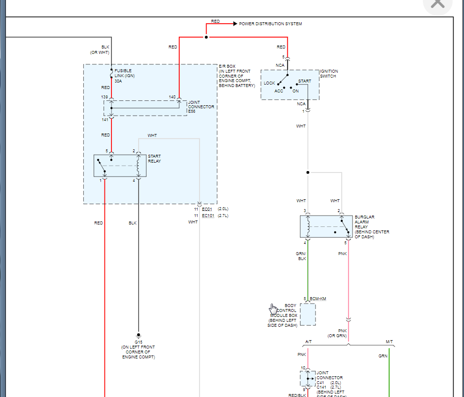
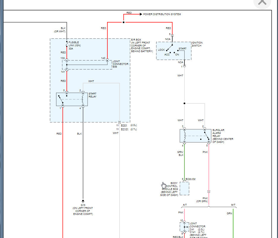
Key was broken in ignition so I removed the ignition switch and tried turning it with a screwdriver and it won’t turn the engine over. The battery was just charged up to 100%. And it’s been snowing so I’m not sure if it’s frozen or not.
Feb 15, 2021 at 3:57 AM
Advertisement
Avatar
KASEKENNY
  • CERTIFIED EXPERT
  • 18,907 POSTS
When you say you remove the ignition, can you get a picture of what you removed? I suspect you removed the switch as well and if that is the case then it will not start unless the switch sees a valid key that is turning the cylinder. So a screw driver will not accomplish this.

If the engine will not even turn over to try and start then I suspect the screw driver is not turning the actual switch which means it needs to be replaced.

When you turn the key do the dash lights come on?

https://www.2carpros.com/articles/ignition-switch-wont-turn-stuck

Let me know if you can get some pictures and we can go from there. Thanks
Feb 16, 2021 at 9:29 AM