Ignition key switch replacement now the security light is on why?

2002 CHEVROLET CAVALIER
149,000 MILES • 2.2L • 4 CYL • FWD • AUTOMATIC
Avatar
AMANDA FUNK MARSHALL
  • MEMBER
  • 15 POSTS
My key switch locked up and I could not turn the car off nor could I get the key out of the switch. I got a new switch already in the lock cylinder and put in in. I did the anti theft process of leaving switch in run position until the anti-theft light stopped blinking, but my car still will not start. Key switch is turning on to start, but engine is making no effort to start?? I need advise as to what to do now?
Jun 19, 2016 at 1:54 PM
Advertisement
Avatar
SATURNTECH9
  • CERTIFIED EXPERT
  • 30,869 POSTS
Did you do the pass lock ten minute each key cycle until the light turns off then turn the key off for ten seconds then try to start it then wait ten minutes till the security light turns off? it has to been done three times in a row to learn the new pass lock sensor.
Aug 24, 2020 at 11:19 AM
Avatar
AMANDA FUNK MARSHALL
  • MEMBER
  • 15 POSTS
No I do not think I did it three times in a row. I had left the switch on for like twenty minutes at a time until I ran the battery down. I hot wired my car to drive it home so the battery is fully charged now.how can I go about re-doing the three times in a row because my anti-theft light is no longer blinking ? My boyfriend took a couple of fuses out of the panel also before we tried resetting the car and new switch. When I questioned this he became ill and said it had nothing to do with the car firing. One fuse is for the radio and inside lights, the other one says horn maybe. Should these be plugged back in? Also I was going to try in the morning taking the battery cable off to try and reset? If I do this should the key be turned on before I disconnect the battery?
Aug 24, 2020 at 11:19 AM
Advertisement
Avatar
SATURNTECH9
  • CERTIFIED EXPERT
  • 30,869 POSTS
So does the security light stay on solid or flash with the key in the run position? when the pass lock sensor is replaced you have to crank the engine release the key leave the key in the run position till the security light turns off Then turn the key off for ten seconds then repeat the cycle two more times. I would replace the fuses just to be sure i have no idea for sure what fuses were taken out. Disconnecting the battery will not relearn the pass lock sensor.
Aug 24, 2020 at 11:19 AM
Avatar
AMANDA FUNK MARSHALL
  • MEMBER
  • 15 POSTS
Okay I did this three times in a row and still the car wont start? The anti-theft light comes on briefly when I turn the key on but does not blink nor does it stay on solid.its the only one that goes completely out for the 10 min sessions does it make a difference if some of the fuses are turned upside down? I just was putting the fuses he took out back and noticed some are turned wrong, like a 20 amp looks like 02 amp is this a problem?
Aug 24, 2020 at 11:19 AM
Avatar
SATURNTECH9
  • CERTIFIED EXPERT
  • 30,869 POSTS
The fuses work the same upside down or right side up.If the security light goes out I would think it's not the anti theft keeping it from starting.But don't know for sure does the engine crank and not start?
Aug 24, 2020 at 11:19 AM
Avatar
AMANDA FUNK MARSHALL
  • MEMBER
  • 15 POSTS
The engine does not even crank when the switch is turned over
Aug 24, 2020 at 11:19 AM
Avatar
SATURNTECH9
  • CERTIFIED EXPERT
  • 30,869 POSTS
So you replaced the cylinder the key goes in and the switch also?
Aug 24, 2020 at 11:20 AM
Avatar
AMANDA FUNK MARSHALL
  • MEMBER
  • 15 POSTS
Yes all that you mentioned
Aug 24, 2020 at 11:20 AM
Avatar
SATURNTECH9
  • CERTIFIED EXPERT
  • 30,869 POSTS
If the starter isn't working that isn't effected by the anti theft.Do you have a test light to do some testing?
Aug 24, 2020 at 11:20 AM
Avatar
AMANDA FUNK MARSHALL
  • MEMBER
  • 15 POSTS
I have a very cheap tester that has a clip to hook to whatever but I'm not sure I know how to use it. But I will give it my best shot at figuring it out. Everything else is working correctly when I turn the switch on. The motor just will not turn over.when the old switch locked up all the electrical stuff went hay wire......windows wouldn't roll down, radio would come on go off, guages stopped working. Now that I put another switch on its all working correctly now. Its really testing my last nerve but I have to fix it being its my only ride.
Aug 24, 2020 at 11:20 AM
Avatar
SATURNTECH9
  • CERTIFIED EXPERT
  • 30,869 POSTS
Have you checked to see if you have any blown fuses?
Aug 24, 2020 at 11:20 AM
Avatar
AMANDA FUNK MARSHALL
  • MEMBER
  • 15 POSTS
Yes I checked all the fuses inside the car and under the hood. All checked good EXCEPT (1) under hood that is a 10amp that says CRANK? Took the fuse out and there's NO power going to the slot where this fuse goes?? The switch checked good, the solenoid checked good......all but that 1 fuse checked good.the wires going to the panel under hood ALL checked good for no power to be going to that slot for the 10amp crank fuse?? Battery is charged. Tried swapping the 10amp crank fuse and the fuse showed to be good in another slot, and a good fuse didn't light up in the crank slot??
Aug 24, 2020 at 11:20 AM
Avatar
STRAILER
  • CERTIFIED EXPERT
  • 53,854 POSTS
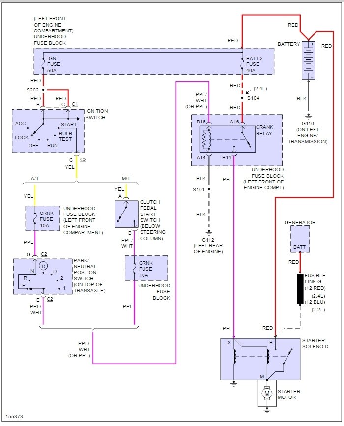
Hi Amanda,

I founds this wring diagram for you it looks like the crank fuse is being fed by the ignition switch and then a 50 amp fuse, please test through the switch harness and let us know

Best, Ken

Aug 24, 2020 at 11:20 AM
Avatar
AMANDA FUNK MARSHALL
  • MEMBER
  • 15 POSTS
There is power on everything INSIDE the car. There is power on everything under the hood EXCEPT the 10amp crank fuse.I took fuse out and tested the slot that the fuse goes in and I have no power.I put the fuse in another slot and it lit up so the fuse is good.I took a fuse that lit up and placed it in the crank slot and I did not show power. So all fuses are good. All relays are good.All wires are good. Solenoid is good.Everything shows to have power except that 10amp crank fuse that appears to feed off the 50 amp ingnition fuse. When I try to start the car all guages are working lights come on and the anti theft does NOT blink it just goes out. I want to run something else by you but don't want to confuse you so I will ask your opinion when I hear back from you.
Aug 24, 2020 at 11:20 AM
Avatar
AMANDA FUNK MARSHALL
  • MEMBER
  • 15 POSTS
I'm about to go nuts so I've even thought about trying this::: my old key switch locked up due to a bad tumbler the silver piece that the switch goes down in----the new switch I put on came already put together. Why can't I take just the switch that the key goes in out and put my old key switch in the new tumbler and crank the car and drive somewhere anywhere LOL am I crazy to want to do that? Seems like it would work but I'm no mechanic.Do you understand what I want to try? Seems almost too easy------im willing to try anything at this point. I can't thank you people enough for hanging in here with me thru this nightmare. I sincerely appreciate all of you.
Aug 24, 2020 at 11:20 AM
Avatar
SATURNTECH9
  • CERTIFIED EXPERT
  • 30,869 POSTS
Doesn't look like that fuse has power unless your cranking the engine.You have a manual transmission?Also it's not Ment to start with a screwdriver that's what the pass lock system is for to keep people from starting line you were suggesting.
Aug 24, 2020 at 11:20 AM
Avatar
AMANDA FUNK MARSHALL
  • MEMBER
  • 15 POSTS
Ok then that has the electrical checked out! And no I have an automatic transmission........also I did not suggest starting it with a screwdriver ever again! I had to do this when it locked up in order to get it home without having a large tow bill to pay! I had suggested taking the new switch out of the new tumbler(which is what locked up to start with) and puting my old switch in the new tumbler and using my old key to fire it hopefully! That's what I wanted an opinion on----whether or not I could do this and hopefully be finished with this nightmare. But I'm no mechanic and that's why I asked.
Aug 24, 2020 at 11:20 AM
Avatar
SATURNTECH9
  • CERTIFIED EXPERT
  • 30,869 POSTS
You can try it but the pass lock doesn't effect the starter not working.Unless your new switch is bad.It's worth a shot.See if the yellow wire coming out of the switch has power with the key in the start position.
Aug 24, 2020 at 11:20 AM
Avatar
AMANDA FUNK MARSHALL
  • MEMBER
  • 15 POSTS
No yellow wire coming out of plug in switch does NOT light up
Aug 24, 2020 at 11:20 AM
Avatar
SATURNTECH9
  • CERTIFIED EXPERT
  • 30,869 POSTS
Do the two red wires going into the switch have battery voltage to them?you checked for power to the yellow wire to the switch with the key in the start position correct?
Aug 24, 2020 at 11:20 AM
Avatar
AMANDA FUNK MARSHALL
  • MEMBER
  • 15 POSTS
Yes I have power on yellow wire coming off switch. Do not see any red wires?? The black wire and thin white wire going in to the switch I do hve power on those also
Aug 24, 2020 at 11:20 AM
Avatar
SATURNTECH9
  • CERTIFIED EXPERT
  • 30,869 POSTS
Do you have power to both sides of the crank fuse while the key is in the start position?
Aug 24, 2020 at 11:20 AM
Avatar
AMANDA FUNK MARSHALL
  • MEMBER
  • 15 POSTS
Are u talking about the( 2) 10amps under the hood?
Aug 24, 2020 at 11:20 AM
Avatar
STRAILER
  • CERTIFIED EXPERT
  • 53,854 POSTS
Can you send pictures of what you are talking about? that would help us.
Aug 24, 2020 at 11:20 AM
Avatar
MAXIMILIAM
  • CERTIFIED EXPERT
  • 436 POSTS
The small 10amp (the top one facing you) is the only one that will not light up! Fuse is good but no power in its slot?

/Amanda
Aug 24, 2020 at 11:20 AM
Avatar
AMANDA FUNK MARSHALL
  • MEMBER
  • 15 POSTS
I don't have power on the 10amp crank fuse under the hood in the picture.I took a wire and put it with the 2nd 10amp fuse and went to put it in with the dead 10amp and the car started!! I pulled the dead crank fuse out & just touched the wire to the slot and the car started again.. What could be going on now?
Aug 24, 2020 at 11:20 AM
Avatar
STRAILER
  • CERTIFIED EXPERT
  • 53,854 POSTS
It sounds like you have a connection problem with the fuse panel itself, can you remove it and disassemble it to look for broken wires, you can also wire in a separate fuse holder and just run new wires.
Aug 24, 2020 at 11:20 AM
Avatar
SATURNTECH9
  • CERTIFIED EXPERT
  • 30,869 POSTS
The yellow wire from your ignition switch feeds power to that fuse only when the key is in the start position.You said the yellow wire coming off the ignition switch has battery voltage when the key is in the start position?if so then you have a open from the ignition switch to the fuse box somewhere.
Aug 24, 2020 at 11:20 AM