Key is not snapping back after cranking?

2008 FORD F-250
115,000 MILES
Avatar
ZJGUARD
  • MEMBER
  • 8 POSTS
I just finished installing a new used engine in my truck listed above power stroke. When I turn the ignition key to start and let go it stays forward and is cranking so I have to manually turn it back and it shuts the truck off. I've changed out the tumbler and ignition switch. Now I'm stuck and need some direction. Thank you
Jan 23, 2023 at 9:01 AM
Advertisement
Avatar
STRAILER
  • CERTIFIED EXPERT
  • 53,854 POSTS
Sure, the problem is the ignition switch (electrical part), here are instructions on how to change it out in the images below. If you have changed this part already, can you remove the switch and work it manually to make sure the return spring inside the switch is working? If so, check the control shaft between the lock and the switch; everything must work smoothly. Check out the images (below). Please let us know if you need anything else to get the problem fixed.
Jan 23, 2023 at 12:42 PM
Avatar
ZJGUARD
  • MEMBER
  • 8 POSTS
So, when I unplug the electrical connection from the ignition switch the key snaps back perfectly but when the switch has power the key stays forward in the cranking position. I also pulled the starter solenoid fuse and the key functions as it should.
Jan 23, 2023 at 2:32 PM
Advertisement
Avatar
STRAILER
  • CERTIFIED EXPERT
  • 53,854 POSTS
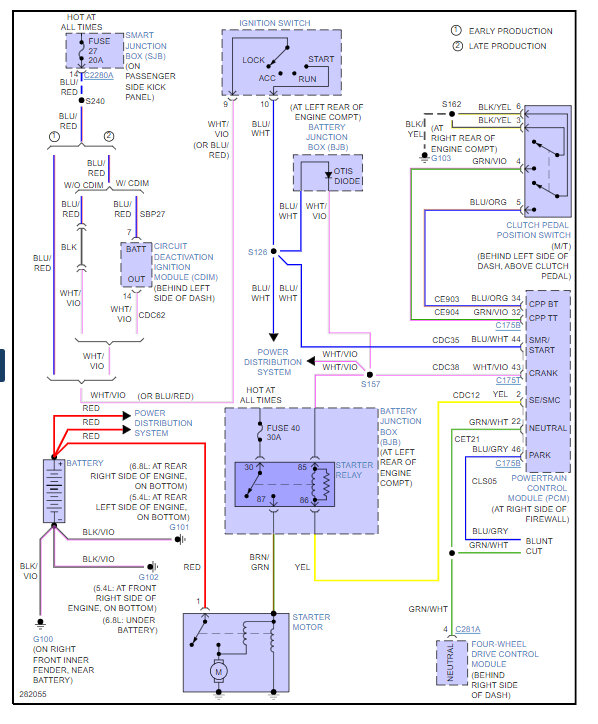
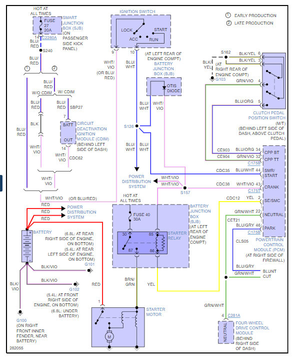
lol, I love this job, always something new. Did it act this way with the old switch? It sounds like the OTIS diode is not working. It is located in the fuse panel under the hood, left rear. Here is the starter wiring diagrams so you can see how the system works. Here is the location of the diode. Please let me know.
Jan 24, 2023 at 11:04 AM
Avatar
ZJGUARD
  • MEMBER
  • 8 POSTS
Haha, thank you Ken! These diagrams are exactly what I needed. Hopefully a new OTIS fuse will do the trip. I will keep you posted and thanks again.
Jan 24, 2023 at 12:07 PM
Avatar
ZJGUARD
  • MEMBER
  • 8 POSTS
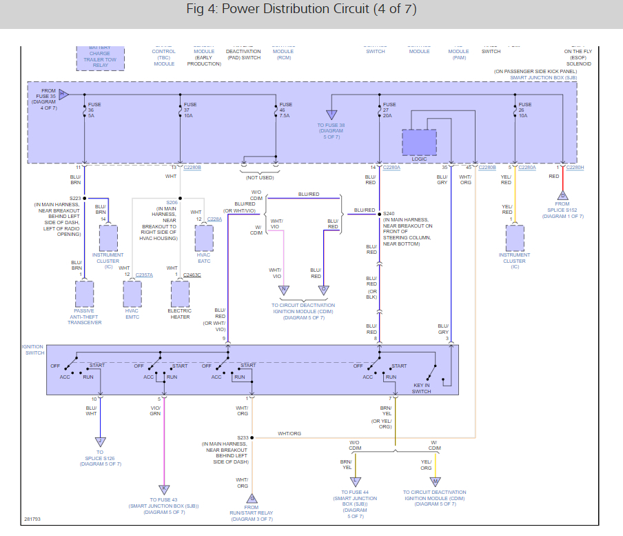
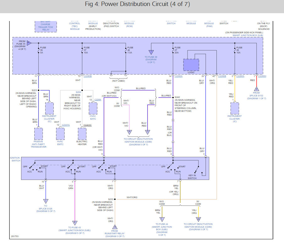
Do you have a power distribution wiring diagram you can send me? The fuse box on the passenger side kick panel. Is that DIODE fuse you circled for diesels?
Jan 24, 2023 at 12:27 PM
Avatar
ZJGUARD
  • MEMBER
  • 8 POSTS
I've done everything I can think of to fix this issue. My next step is towing it to a diesel mechanic in defeat.
Jan 25, 2023 at 2:56 PM
Avatar
STRAILER
  • CERTIFIED EXPERT
  • 53,854 POSTS
Did you find the Diode? here are the wiring diagrams for the ignition switch. The fuse panel is the same for the diesel engine truck. Let me know, this is a good one!
Jan 26, 2023 at 5:05 PM
Avatar
ZJGUARD
  • MEMBER
  • 8 POSTS
Awesome! I had no idea they were the same. This should help me identify the issue. I will let you know what the problem was and how it got resolved. Thanks Ken.
Jan 26, 2023 at 5:39 PM
Avatar
STRAILER
  • CERTIFIED EXPERT
  • 53,854 POSTS
You are welcome, I have never heard of this problem before in the 40 years of doing this, lol.
Jan 27, 2023 at 10:58 AM