Key fob will not open trunk and trunk ajar warning when closed?

2015 FORD MUSTANG
40,000 MILES • 2.3L • 4 CYL • TURBO • 2WD • AUTOMATIC
Avatar
KGLEN
  • MEMBER
  • 1 POST
Ford Mustangs have had an issue with the trunk wiring resulting in faulty trunk release and back up camera issues. They've issued a recall but only to fix the backup camera. I had already checked the wiring a little while back and did find a couple wires that needed to be repaired. It fixed the camera but not the trunk release.

There are three ways to open the trunk.
1. an interior button which does work without problems.
2. an exterior button at the trunk that only works when the car is locked.
3. the remote key fob which doesn't ever work.

There is also a dash light that remains on saying trunk ajar when it is closed.

I have checked the fuses which are good and so I plan to check the trunk wiring again since i do not know what else to check. Could you please tell me which wire, or wires go to the trunk release? Lastly, is there a sensor or switch that I should be also checking?

Your time and assistance are appreciated!
Mar 22, 2023 at 9:08 AM
Advertisement
Avatar
STRAILER
  • CERTIFIED EXPERT
  • 53,854 POSTS
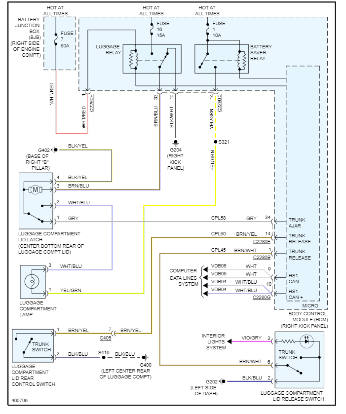
It sounds like the trunk latch is bad/broken but I would check the fuse # f1 and # f16 in the fuse panel on the right side of the interior compartment kick panel. Here is a guide to help and the fuse location below also I have included how to change the trunk latch out and I found the wiring diagrams so you can see how the system works. Check out the images (below). Let us know what happens and please upload pictures or videos of the problem so we can see what's going on.
Mar 22, 2023 at 5:38 PM