Key fob not working

2012 HONDA FIT
95,600 MILES
Avatar
WILL REY
  • MEMBER
  • 31 POSTS
My smart key will not open the doors. also, my lock/unlock button inside car will not lock or unlock the doors either.

I have replaced the key fob battery still does not work.
Aug 12, 2017 at 10:09 PM
Advertisement
Avatar
STRAILER
  • CERTIFIED EXPERT
  • 53,854 POSTS
Hello,

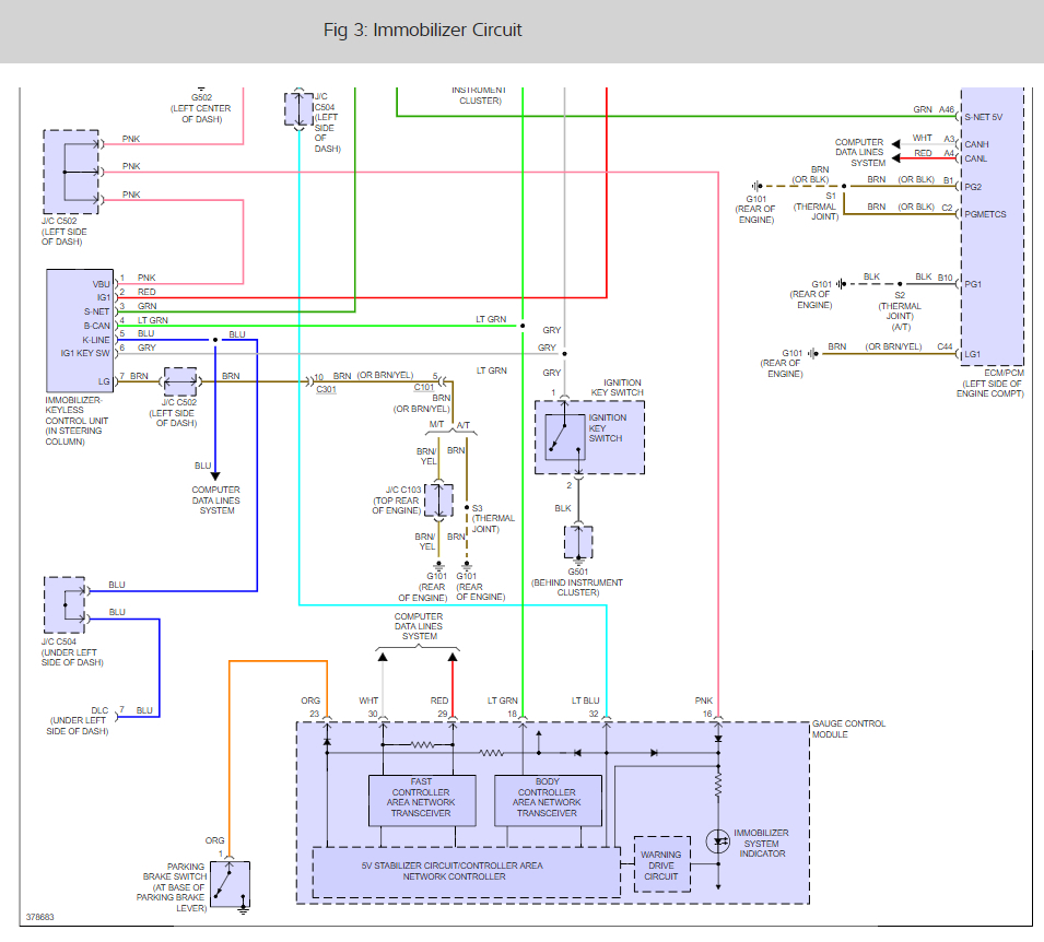
It sounds like you have a fuse that is out, Here is a guide and some diagrams (Below) that will help us find the problem.

https://www.2carpros.com/articles/how-to-check-a-car-fuse

Please run this test and get back to us we are interested to see what it is.

Cheers, Ken
Aug 14, 2017 at 6:34 PM