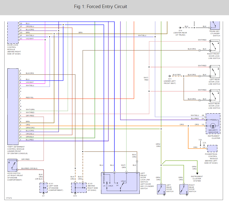
My car will turn on the key fob alarm and sound whenever I turn off my car and shut and lock my door. This is causing my car battery to be drained out completely within two or three days if I do not drive it for one day in between those three days. Can this alarm system be disconnected and will I be able to start my car without it?
Feb 8, 2018 at 10:25 AM

