Key fob

1998 BMW 328
190,000 MILES • 6 CYL • 2WD • AUTOMATIC
Avatar
RABIDHAB
  • MEMBER
  • 3 POSTS
Key fob will not unlock doors or trunk, but arms the alarm. The unlock button in the car works fine. Have to use the key in the lock to lock and unlock the doors.
Sep 7, 2017 at 3:08 PM
Advertisement
Avatar
STEVE W.
  • CERTIFIED EXPERT
  • 15,113 POSTS
Do you have a second fob? If yes try it. It could be a low battery in the bad fob or bad switches in it. But without a second working fob you cannot just change the battery or take it apart.You need a dealer to reset the system for the single fob to work.
Sep 8, 2017 at 1:05 AM
Avatar
RABIDHAB
  • MEMBER
  • 3 POSTS
I have a second fob and it arms and disarms the alarm as well, but does not lock or unlock the doors. I have also checked all fuses and they appear good.
Sep 8, 2017 at 3:55 AM
Advertisement
Avatar
STRAILER
  • CERTIFIED EXPERT
  • 53,854 POSTS
It sounds like you have an alarm module going out but to be sure I would double check all of the system fuses becasue that is more than one.

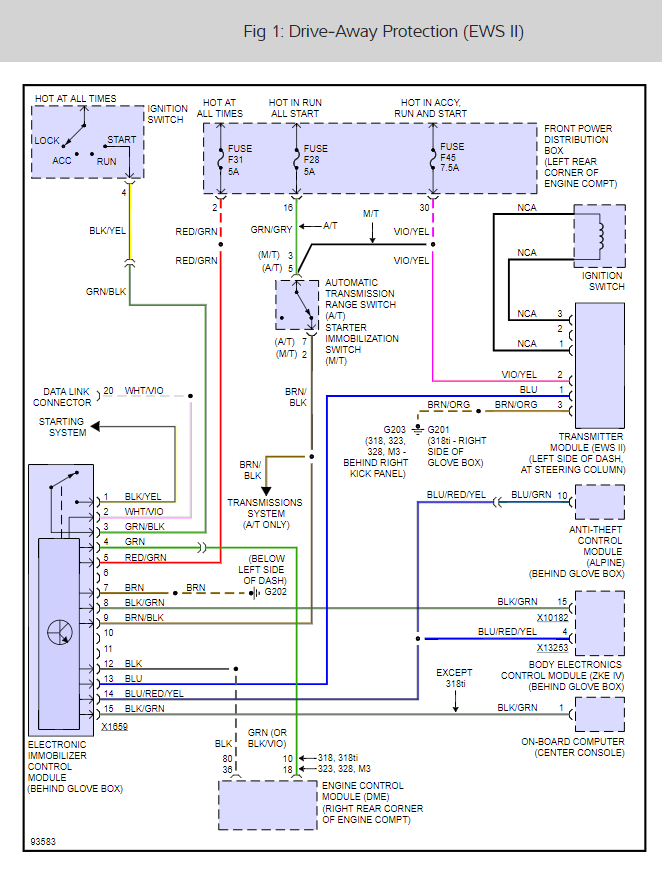
Here is a wiring diagram to help you see what fuses need to be checked.

https://www.2carpros.com/articles/how-to-check-a-car-fuse

Please let us know what you find.

Cheers, Ken
Sep 9, 2017 at 11:11 AM
Avatar
STEVE W.
  • CERTIFIED EXPERT
  • 15,113 POSTS
If I remember correctly the BMW alarm module is a dealer installed unit. Plug and play as the wiring is already there. A 3 button remote with lock/unlock, panic and alarm arm/disarm on it.
Do you hear 3 chirps when you try to lock/unlock the car?
If so it is likely to be a bad actuator sense switch, there are switches in the door locks as well as the hood and trunk. They tell the BCM and alarm system if the doors/hood/trunk are closed. If any of them fail the locks will not respond.
The problem is determining which switch is the problem. Normally the doors and trunk will show a "door ajar" warning. If you don't see that it is probably the hood switch. They are a common issue. The test is to disconnect it, if the door locks start working you found the problem.
You can also look at the switch status on a factory scan tool. It would tell you which one is bad real quick.
Sep 9, 2017 at 5:06 PM
Avatar
RABIDHAB
  • MEMBER
  • 3 POSTS
Steve
Your analysis was right on. it was the hood switch. It was loose and slipped down and was not being activated. Thanks for your professional help.
Don
Sep 10, 2017 at 5:32 PM
Avatar
STEVE W.
  • CERTIFIED EXPERT
  • 15,113 POSTS
You are Welcome. Come back anytime. We are here to help.

Thank You for using 2carpros.com.
Sep 10, 2017 at 5:49 PM