Keihin 2 bbl carb.' ED07G' I would like to know how to adjust carb during cold start to have it idle
at 2000 rpms. The electric choke and diaphram choke I believe is functional (opens after engine warms up)..
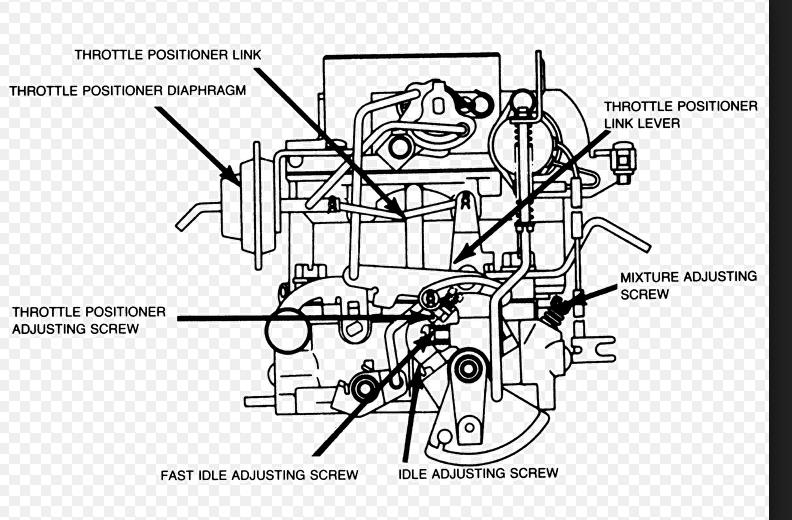
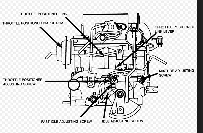
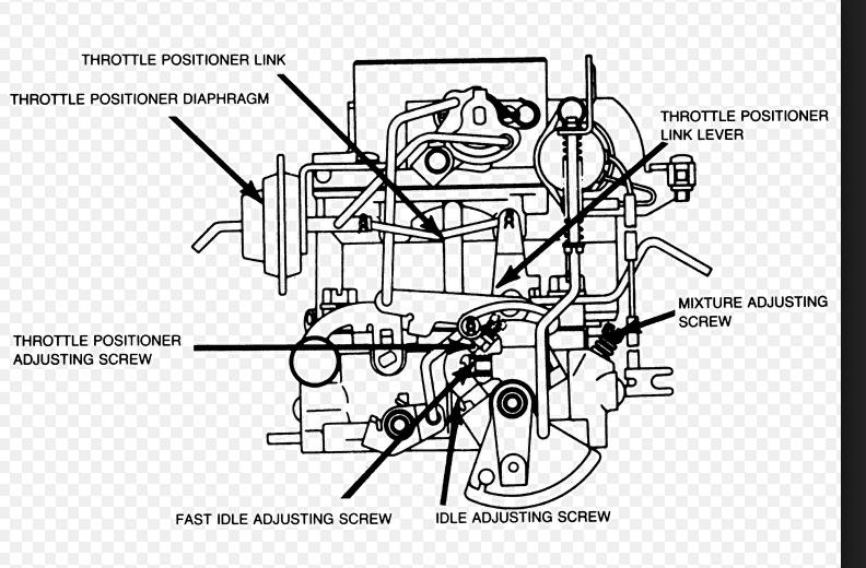
Currently, fast idle speed is too slow (stalls)..I pump/prime the throttle to keep it running until engine warms up (choke opens etc). Is there an adjustment (screw) for the fast idle cam?. I've checked and triple checked for vacuum leaks etc...I know where and how to adjust the idle screw for normal idle of 750 rpms..thanks
ps (I took carb apart to clean etc...)
at 2000 rpms. The electric choke and diaphram choke I believe is functional (opens after engine warms up)..
Currently, fast idle speed is too slow (stalls)..I pump/prime the throttle to keep it running until engine warms up (choke opens etc). Is there an adjustment (screw) for the fast idle cam?. I've checked and triple checked for vacuum leaks etc...I know where and how to adjust the idle screw for normal idle of 750 rpms..thanks
ps (I took carb apart to clean etc...)
Nov 23, 2013 at 5:26 PM



