Keeps discharging, alternator will not charge unless the fan kicks in

1996 ISUZU TROOPER
195,455 MILES • 3.2L • 6 CYL • 4WD • AUTOMATIC
Avatar
BIGG69SGV
  • MEMBER
  • 1 POST
I've had this vehicle for about going on three years I got a good price. He ran well when I got it it still runs well the only problem is that it keeps discharging and I've changed the battery, have changed the alternator, I've changed all belts, I've changed the fan and the fan clutch. The reason for that is because my alternator will not charge unless the fan kicks in. And the past year-and-a-half I've gone through two alternators and two batteries. Maybe someone can help me with this. I'm open to all suggestions. thank you
Mar 14, 2021 at 9:31 AM
Advertisement
Avatar
KASEKENNY
  • CERTIFIED EXPERT
  • 18,907 POSTS
Are you referring the the engine cooling fan? I show you have a fan clutch which is heat activated with a viscous clutch.

If this is the case, then that is odd that the alternator would only charge when this is on as they clearly have nothing to do with each other.

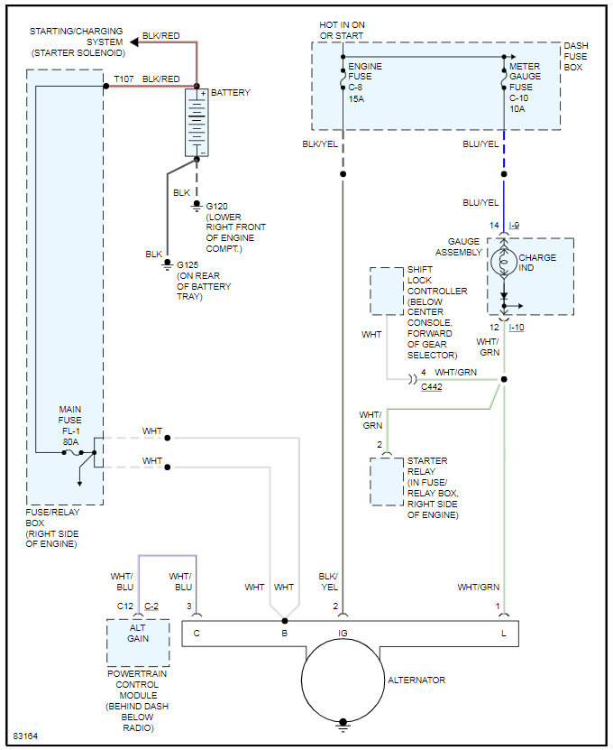
However, I would start with checking the voltage coming from the PCM to the alternator to make sure it is commanding it on.

https://www.2carpros.com/articles/how-to-check-wiring

Below is the wiring diagram to help with this. It may be as simple as a PCM issue but let's start with this. Let me know if you have questions.
Mar 15, 2021 at 6:35 PM