Keeps blowing fuses

2000 NISSAN ALTIMA
130,000 MILES • 1.5L • 4 CYL • AUTOMATIC
Avatar
HEATHER M GOOCH
  • MEMBER
  • 3 POSTS
I keep replacing the fuses under dash and hood to try and fix my dash lights, tail lights and tag light. I cannot get them to work but a few seconds before it blows all the fuses again. What do I need to look for to stop this problem? And could a bad alternator be causing this issue at all?
Dec 4, 2018 at 3:29 AM
Advertisement
Avatar
ASEMASTER6371
  • CERTIFIED EXPERT
  • 52,796 POSTS
Good morning,

No, the alternator will not cause this issue.

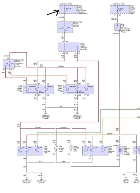
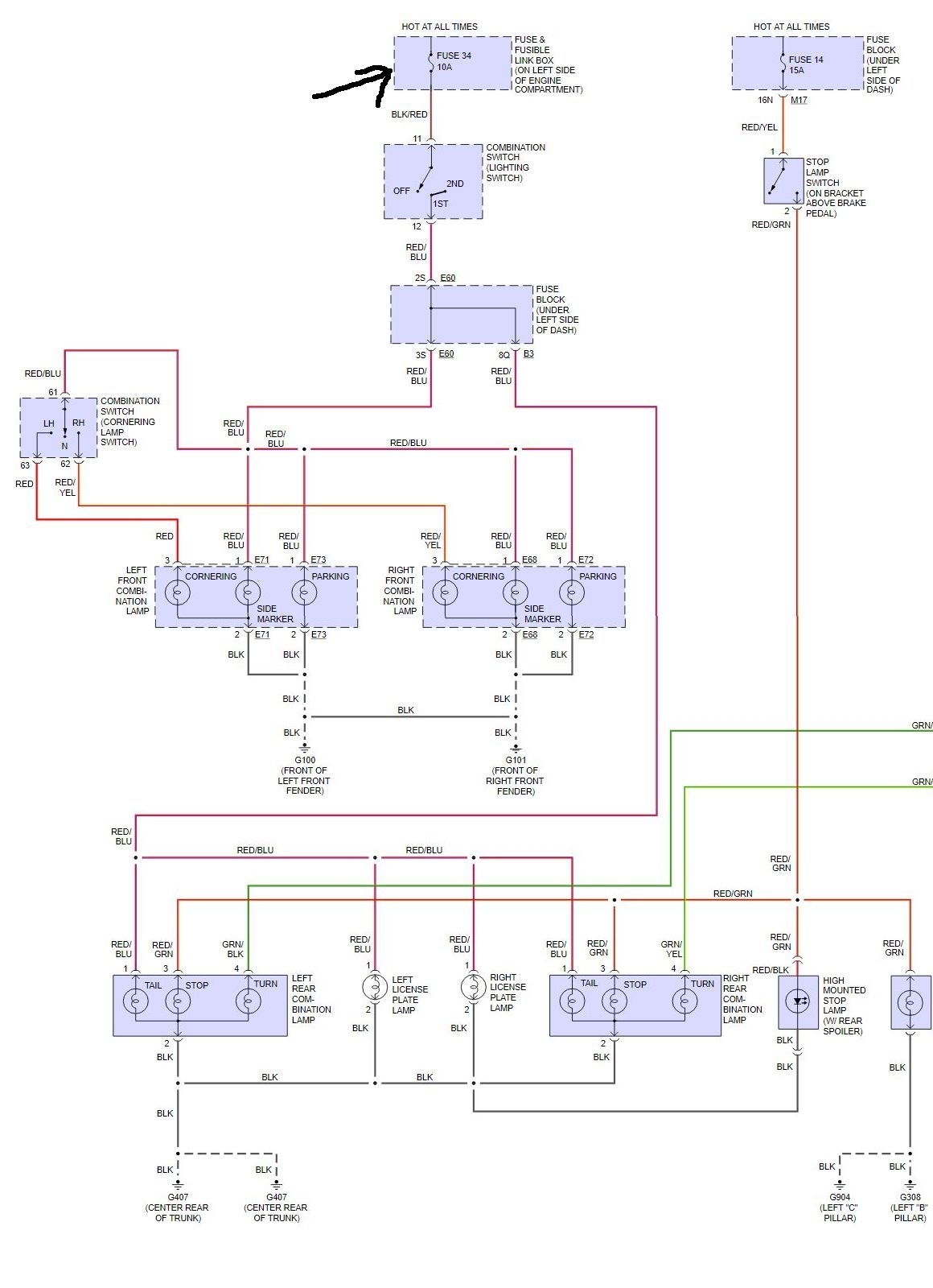
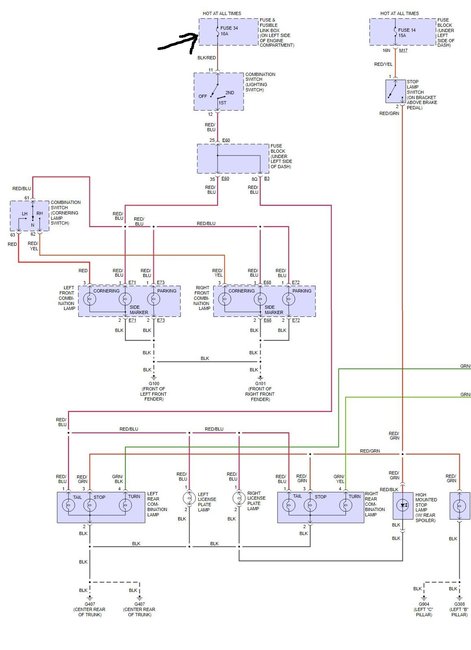
What fuse is the one that constantly blows?

https://www.2carpros.com/articles/how-a-car-fuse-works

Fuses blow for a reason as there is too much current being pulled through the system. Most of the time it is a short in the wiring.

Whatever you do, do not put in a bigger fuse as it will cause more wiring damage and make the situation worse.

Roy
Dec 4, 2018 at 4:24 AM
Avatar
HEATHER M GOOCH
  • MEMBER
  • 3 POSTS
Tail light fuse.
Dec 4, 2018 at 11:13 AM
Advertisement
Avatar
ASEMASTER6371
  • CERTIFIED EXPERT
  • 52,796 POSTS
Let me check.
Dec 4, 2018 at 11:17 AM
Avatar
STEVE W.
  • CERTIFIED EXPERT
  • 15,113 POSTS
The most likely reason the fuse blows fast would be a short in the wiring to the lights on that fuse. When you put the new fuse in does it blow without you turning the light switch on? Or does it take a couple seconds after you turn the switch on? Either way the only way to fix the problem is to find the short. However it could be anywhere in the circuit. There are a few short finder items sold but the best way to test is to divide the system. First you need a self resetting circuit breaker to install in place of the fuse. Then start with the tail lights. Remove them one at a time, unplug one, turn on the switch, breaker trips, unplug the other one. Now do the same with the front lamps. Then you follow the wiring to the next connector. As you unplug and test you watch for the step where the breaker doesn't trip. The problem is in the last item you unplugged.

Could you please verify the engine size and which version of the Altima this is GLE, GXE, SE, or XE? Service info shows a 2.4 liter engine.
Dec 7, 2018 at 11:01 PM