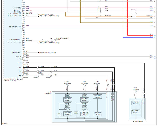
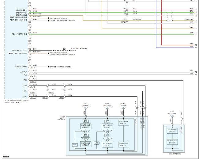
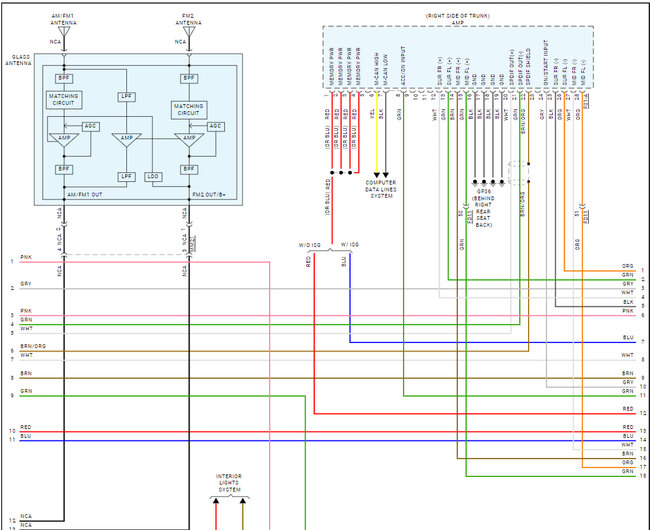
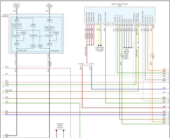
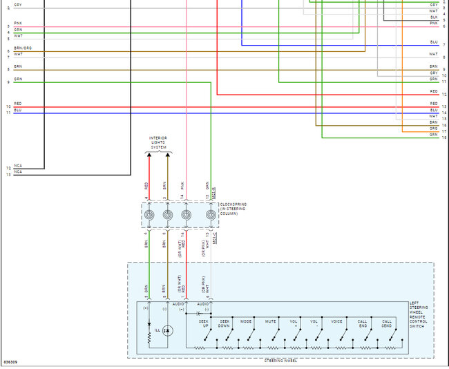
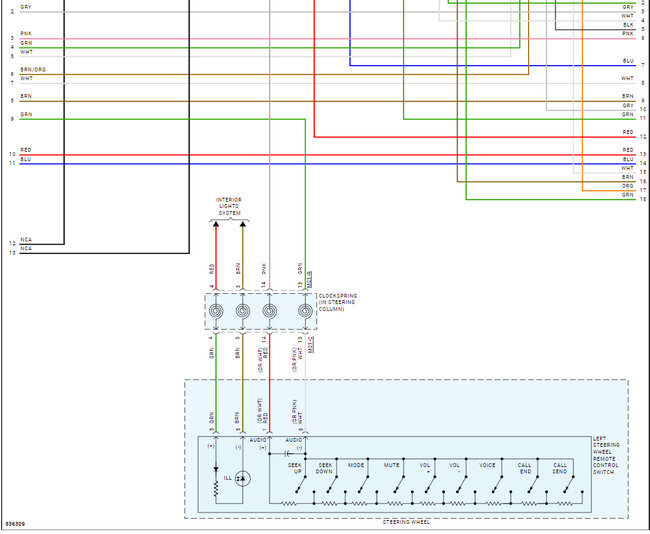
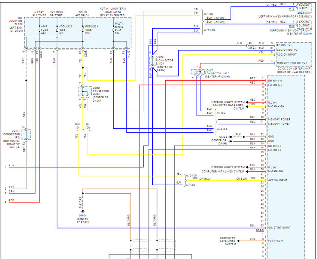
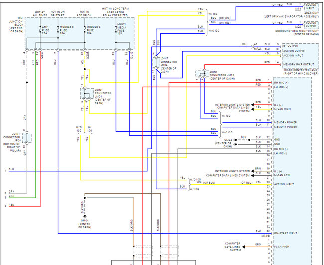
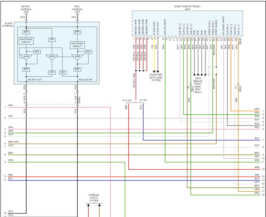
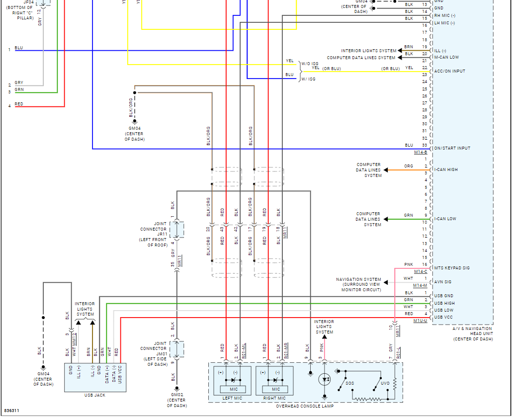
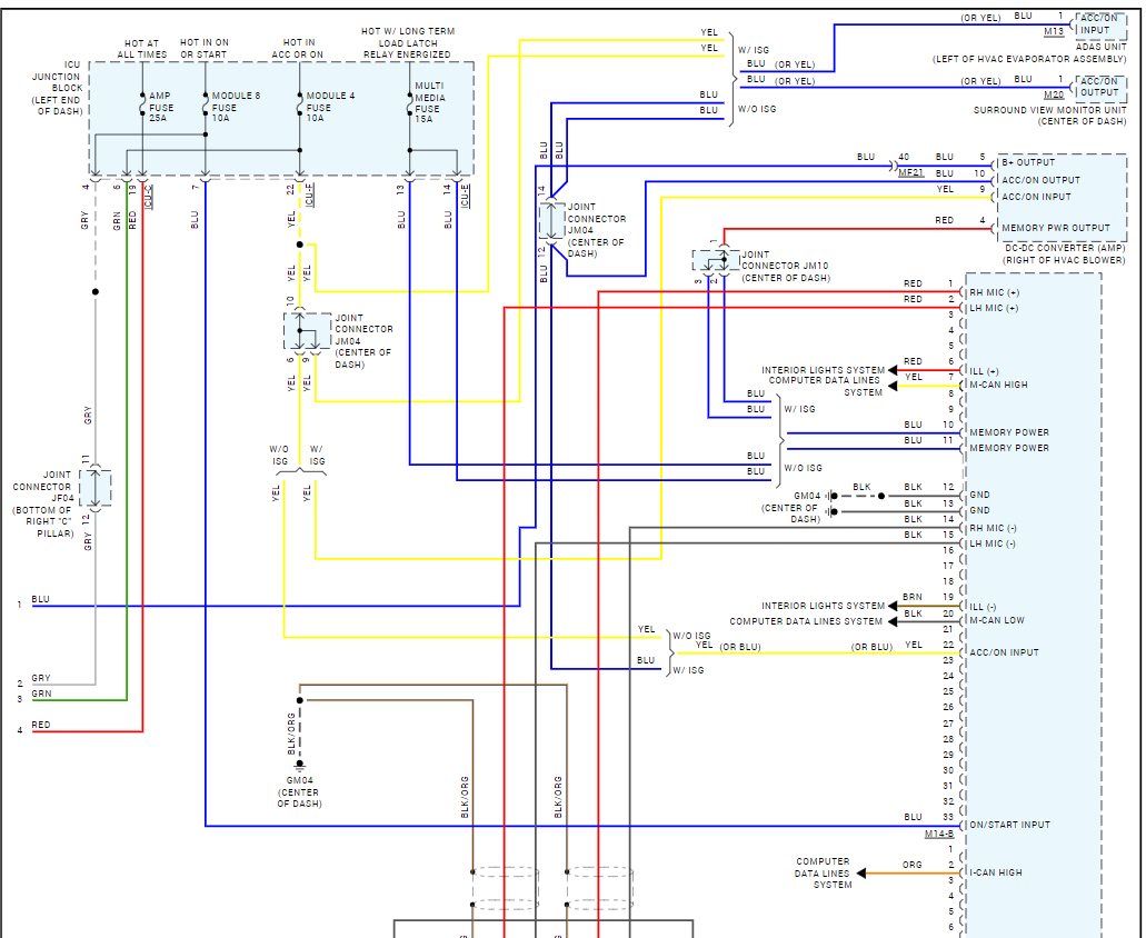
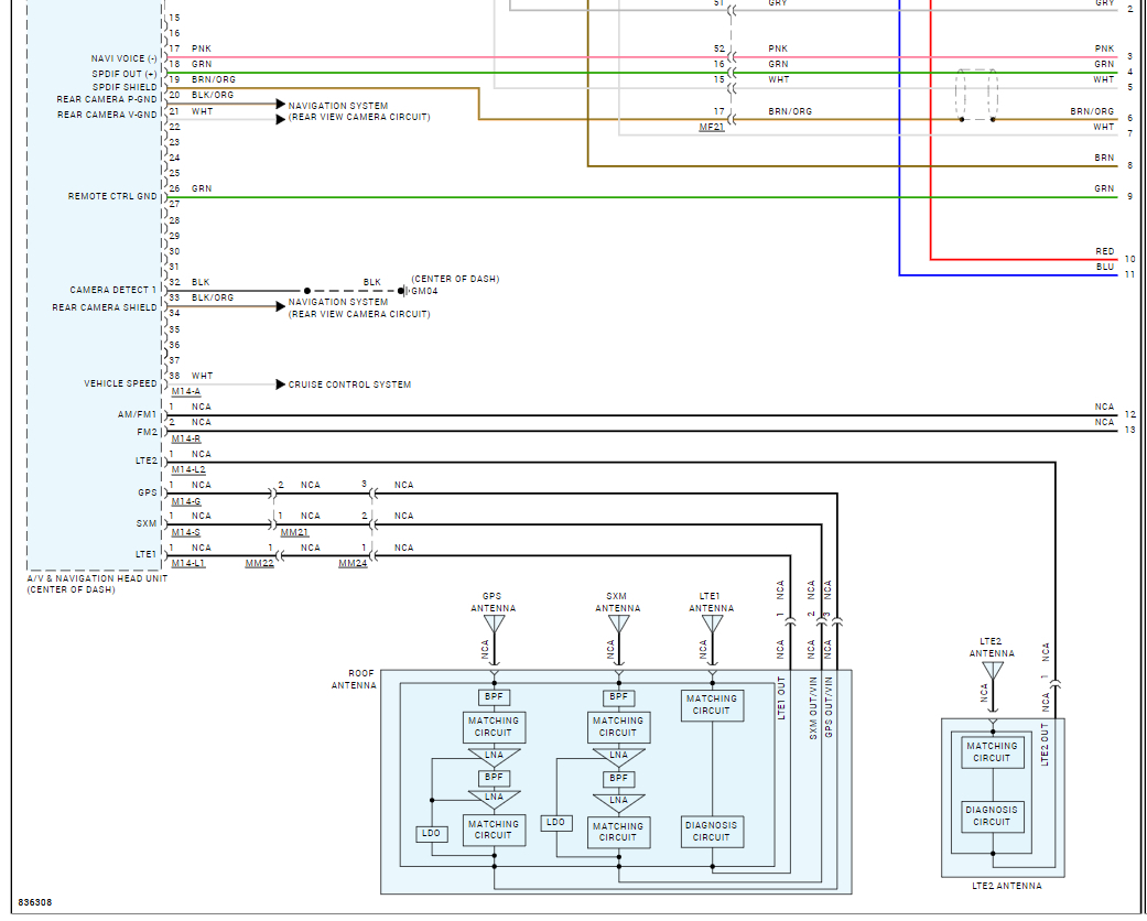
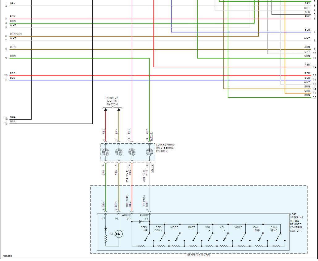
Hi, I have an EX-model which includes a Bose system. I saw on another post a condensed wiring diagram of the speakers themselves however I was hoping there was a chart/pathway diagram that shows the signal/wiring path from the radio to the built in amplifier and then a diagram chart of input/output of the amplifier itself
Apr 5, 2024 at 10:46 AM







