Engine will not crank over

2007 NISSAN PATHFINDER
156,000 MILES • 1.0L • 6 CYL • 2WD • AUTOMATIC
Avatar
LUCINDA FLOYD
  • MEMBER
  • 1 POST
Will not crank over, bought as is. Replace starter relay, checked starter (checked good), battery charged, still will not crank or start. Put key in switch dashboard lights up, but the headlights come on, will not show park in the indicator box on dashboard, no chimes for door open, key in switch or headlight being on. There is no check engine light on. The lady I bought it from said she stopped at a stop sign, it quit running she tried starting it, would only turn over but not start. Had it towed home, parked it then drivers window got broken out by rock. Stayed parted for two years with no battery, checked all fuses they are good, no coolant that is leaked into the transmission. Please help me figure this out.
Aug 16, 2017 at 10:04 AM
Advertisement
Avatar
STRAILER
  • CERTIFIED EXPERT
  • 53,854 POSTS
Hey,

When you try to crank it over does the security light flash? If so please follow this guide to reset the system.

https://www.2carpros.com/articles/how-to-reset-a-security-system

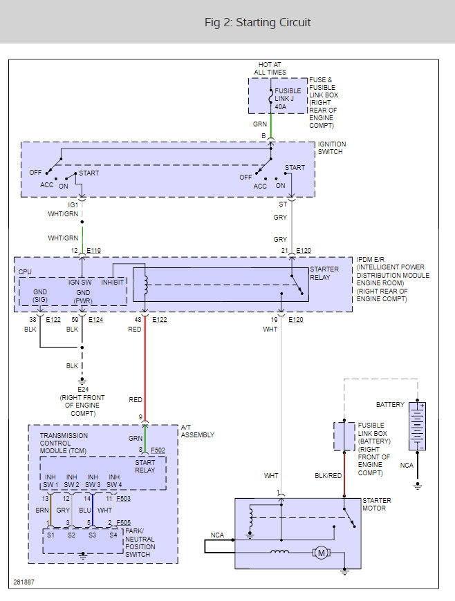
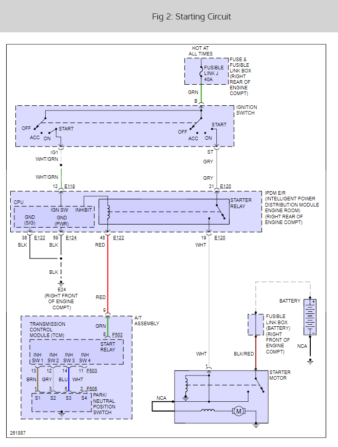
If not here is a wiring diagram to help us with same testing and a guide to boot.

https://www.2carpros.com/articles/how-to-use-a-test-light-circuit-tester

and

https://www.2carpros.com/articles/how-to-check-wiring

It could be the switch going out.

Please let us know what you find.

Cheers, Ken
Aug 17, 2017 at 1:57 PM