I have to jump the solenoid to start my truck

1995 FORD F-350
1,000,000 MILES • 7.3L • V8 • TURBO • 4WD • MANUAL
Avatar
MARKISSYRILLUS
  • MEMBER
  • 7 POSTS
I think it's probably the safety switch to the clutch, but don't know where it is. Or is it something to do with the ignition? Any help to diagnose or what might need to be replaced would be awesome.
Jul 26, 2021 at 11:48 AM
Advertisement
Avatar
ASEMASTER6371
  • CERTIFIED EXPERT
  • 52,796 POSTS
Good afternoon,

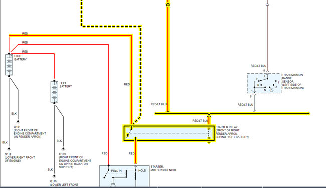
I attached the wiring diagram for you to view. You need to go to the relay and you should have one terminal with battery voltage. There should be another terminal that has a voltage in the start position only.

https://www.2carpros.com/articles/starter-not-working-repair

https://www.2carpros.com/articles/how-to-check-an-electrical-relay-and-wiring-control-circuit

https://www.2carpros.com/articles/how-to-use-a-voltmeter
Jul 26, 2021 at 12:38 PM
Avatar
MARKISSYRILLUS
  • MEMBER
  • 7 POSTS
1 positive 1 negative. The small one with the plug gives nothing with or without power. This is where I jump the truck to start it, and it has been replaced. Been starting it here ever since I replaced it. Starter has also been replaced. I am still lost of where the clutch sensor is and also this truck has a 1995 motor but its in a 1990 body.

Thanks for your time.

Mark
Jul 28, 2021 at 1:56 PM
Advertisement
Avatar
ASEMASTER6371
  • CERTIFIED EXPERT
  • 52,796 POSTS
You never mentioned that in your post.

I attached a picture for you. It is on top of the clutch pedal as I stated before.

Roy
Jul 28, 2021 at 2:02 PM