PCM replacement

2003 JEEP GRAND CHEROKEE
200,000 MILES • 4.0L • V6 • 2WD • AUTOMATIC
Avatar
SKOOTER24
  • MEMBER
  • 275 POSTS
I traced back to a bad computer, never messed with replacing one, what's the best option?
Dec 30, 2020 at 4:02 PM
Advertisement
Avatar
CARADIODOC
  • CERTIFIED EXPERT
  • 34,306 POSTS
The Engine Computer should be the last thing on the list of suspects. What tests led you to that? What were the results of any tests you did?

What are the symptoms? Does the starter crank the engine? Are you working on a failure-to-crank, or a crank/no-start condition? Have you read the diagnostic fault codes?

Here is how to replace the PCM in the diagrams below. Check out the diagrams (Below). Please let us know what you find. We are interested to see what it is.
Dec 30, 2020 at 5:02 PM
Avatar
SKOOTER24
  • MEMBER
  • 275 POSTS
There's no power at all coming from the computer.
Dec 30, 2020 at 5:09 PM
Advertisement
Avatar
SKOOTER24
  • MEMBER
  • 275 POSTS
It has had so many problems first the catalytic converter had a code. then it wouldn't stay running until the O2 sensor was removed. then the fuse box started making all kinds of noise. now nothing, so we thought we could just a old scrap PCM but it has be programmed by the dealer I was told for this vehicle.
Dec 30, 2020 at 5:21 PM
Avatar
CARADIODOC
  • CERTIFIED EXPERT
  • 34,306 POSTS
I'm still not clear on the symptoms. The Engine Computer is not involved with the starter system. If you have a failure to crank, we can diagnose that by taking four voltage readings right at the starter relay socket under the hood. Are you up for that? You can get by with a digital voltmeter, but for this type of test, a standard, inexpensive test light works best.

If the starter is working, but the engine won't run, you'll have to be a lot more specific about what you mean by "no power from the computer". Engine Computers power dozens of circuits on and off at different times. I'll run you through the things to look for and a few tests to get started.

Do you still have the original Engine Computer to stick back in? I'll be back shortly. I'm working on preparing some diagrams so they can be posted.
Dec 30, 2020 at 5:53 PM
Avatar
SKOOTER24
  • MEMBER
  • 275 POSTS
Everything still in. I got my friend's dad he does more with the ECU stuff. he just told us it needs a new computer board and it has to be programmed. but, no it does not start or nothing. The fuses and everything was good days ago and now nothing. it want do anything. Any test procedures and everything you have would be helpful. If it does turn out a bad board what could I do because there no dealer ship around here for that?
Dec 30, 2020 at 6:05 PM
Avatar
CARADIODOC
  • CERTIFIED EXPERT
  • 34,306 POSTS
First of all, I'm not convinced anything is wrong with the computer. Second, I'm not sure if computers have to be programmed yet for 2003 models. Yours might just be plug in and go.

I'm kind of in the dark yet, so I'm going to start you with preliminary starter system tests. Check the battery's voltage first. If you need it, here's a guide that will help with reading the voltmeter:

https://www.2carpros.com/articles/how-to-use-a-voltmeter

They're using an expensive meter here with the "auto-ranging" feature. You don't need that. Harbor Freight Tools has a perfectly fine meter for around $7.00. I can help you with setting it up if necessary.

A good, fully-charged battery will read 12.6 volts. If it's closer to 12.2 volts, it's good, but fully-discharged and isn't going to run a starter motor. Use a small portable charger on the lowest setting and charge the battery for two or three hours. If you find it measures around 11 volts or less, it has a shorted cell and must be replaced.

Another indication of a run-down battery is a fast, loud buzzing or ratcheting noise, like a machine gun sound, when you try to crank the engine. That can also be caused by loose or corroded battery cable connections.

This isn't so common any more, but if you get a single, rather loud clunk from the starter motor each time you turn the ignition switch to "crank", that is due to burned or arced-away contacts in the starter solenoid, or a corroded or loose battery cable. A few voltage tests will narrow it down.

If there's a problem in the starter circuit, the head lights, tail and running lights, dash lights, and other accessories such as power windows and radio will still work. If all of those things are dead, we have to back up and test around the battery and fuse boxes.

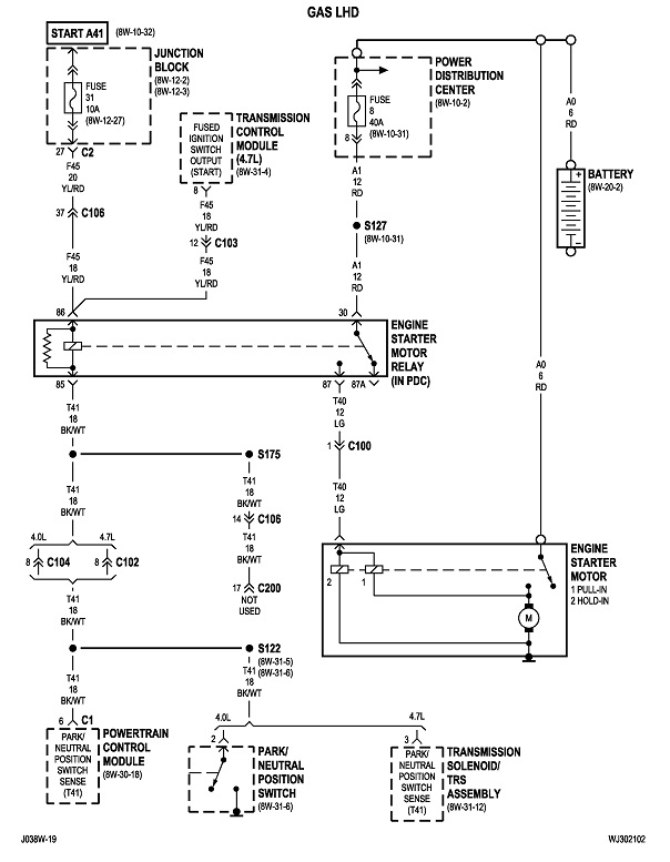
Assuming everything else works, and just the starter doesn't, remove the starter relay from the under-hood fuse box. It's shown in the second drawing. Even though Chrysler was nice and labeled the terminals in the socket, I'm not going to refer to those just yet. That's to show that except for newer models that stuff a bunch of computer controls in the circuit, the following tests apply to all cars that use a starter relay. You can use your voltmeter again, but for this type of problem, the inexpensive, standard test light can be much more accurate, and faster. Here's a link to an article about using a test light:

https://www.2carpros.com/articles/how-to-use-a-test-light-circuit-tester

The third drawing is an enlarged view of the socket we're after. Ignore terminal 87A. That one is rarely used in any application. GM doesn't even include them on their relays. We're interested in the other four. Start with the test light's ground clip attached to the battery's negative post, or to a clean, paint-free point on the engine. At this point I like to touch the probe to the battery's positive terminal just to verify the ground clip has made a good connection. If the light doesn't light up, wiggle and scratch the ground clip until it does. Now we're ready to test.

When you test at a terminal, be careful to not stick the probe into them real far. Just touch the terminals lightly. Poking the probe into them can spread them, then they might make a poor or intermittent contact in the future. Touch the probe to each of the four terminals. The test light should light up on just one of them indicating 12 volts is there. Now do that again while a helper holds the ignition switch in the "crank" position. Now two should light up, the one you found previously and a second one.

For the last two tests, move the test light's clip lead from the battery's negative post to the positive post. We'll be checking for good ground circuits. Ignore 87A again, and the two terminals where you just found 12 volts. We're only interested in the other two terminals. The test light should light up when you touch the probe to either of them.

One of those tests should have not produced the results I described. Now we can look at the numbers on the socket. They correspond to the numbers in the fourth diagram. I'll work later on expanding it if it's too hard to read.

If 12 volts is missing on terminal # 30, check the large 40-amp maxi-fuse, # 8. I pointed that out in the fifth drawing with a purple arrow, . . . because purple is cool. It's rare to find this one blown except after crash damage.

If 12 volts is missing on terminal # 86 when the ignition switch was held in the "crank" position, check fuse # 31. That's in the Junction Block, inside on the left end of the dash. That's my nifty orange arrow in the 7th drawing. If that fuse is okay, you'll notice there's two tiny holes on top for test points. Use the test light to check for 12 volts on both of them when the ignition switch is in "crank". If it's missing on both of them, we'll have to work back toward the switch.

This doesn't apply here, but for the benefit of others researching this topic, mid '90s Jeeps and some other Chrysler models used an ignition switch that had a cam on the end that could crack, then the lock cylinder wouldn't quite turn the switch far enough to get to the "crank" position. Everything else related to the ignition switch still worked. The dealer's parts department has an inexpensive repair kit for that so you don't have to buy a new lock cylinder and have it keyed to match the door lock cylinders. I can describe that in more detail if necessary.

When testing the two ground circuits, if the test light did not light up when probing terminal # 85, the neutral safety switch is not turned on. It's not uncommon for them to develop bad internal contacts. Shift in and out of "park" a few times, then try cranking when it's in "park" and then in "neutral". If that gets the starter working, the switch is going to get worse over time, so get ready to replace it.

The last terminal is # 87. That circuit has continuity to ground through the starter solenoid. Failure of the solenoid for this part of the test is extremely uncommon. Instead, expect to find the light green wire is not connected to the solenoid.

There's the four tests that apply to starter relays on many brands and models. If you noticed the reference to the "PCM", (Engine Computer), at the bottom left of the fourth diagram, that is not actually part of the starter system. It is shown there because it looks at the state of the neutral safety switch when performing some its operations.
Dec 30, 2020 at 8:51 PM
Avatar
SKOOTER24
  • MEMBER
  • 275 POSTS
The PCM was fried. is there any torque specs for mounting the new one in and the bracket?
Jan 4, 2021 at 8:01 PM
Avatar
CARADIODOC
  • CERTIFIED EXPERT
  • 34,306 POSTS
Computers don't "fry", but they can fail. What was yours doing or not doing, or did you just pop a different one in and now everything works? We like to know exactly what went wrong so we can figure out if there's a cause that may result in a repeat failure.

There probably is a torque spec for the mounting bolts, but we usually go by common sense. Two fingers pulling on a quarter-inch ratchet is plenty of force. Around 2003, there were still some Engine Computer plugs that were called "zero-insertion" plugs. The only way to plug them in was to hold them in place, then tighten the bolt in the middle of the plug. That bolt will draw in the plug and hold it in place. You'll feel that bolt become snug when it's tight enough.
Jan 5, 2021 at 4:27 PM
Avatar
SKOOTER24
  • MEMBER
  • 275 POSTS
There was no communication at all. my friend's dad put it on a scanner and checked it and said it was corroded bad. so I'm guessing water got in there somehow. he's more advanced at it then I am and bought a new PCM and going to try that out tomorrow.
Jan 5, 2021 at 6:10 PM
Avatar
CARADIODOC
  • CERTIFIED EXPERT
  • 34,306 POSTS
Dandy. Please keep me updated.
Jan 5, 2021 at 7:05 PM
Avatar
SKOOTER24
  • MEMBER
  • 275 POSTS
Put the new PCM in and it cranked and cut off.
Jan 9, 2021 at 5:24 PM
Avatar
CARADIODOC
  • CERTIFIED EXPERT
  • 34,306 POSTS
Then what? Do you mean the starter stopped cranking the engine or the engine started and ran for a few seconds, then stalled? Will the engine stay running if you hold the accelerator pedal down 1/4"?

If it does, that is to be expected. The engine may not even run unless you do that, and it will tend to stall at stop signs. That's all due to low idle speed. To meet the conditions for "minimum throttle" to be relearned, drive at highway speed with the engine warmed up, then coast for at least seven seconds without touching the pedals.
Jan 9, 2021 at 7:04 PM
Avatar
SKOOTER24
  • MEMBER
  • 275 POSTS
The key is not recognized the key with the ring around it is on the dash.
Jan 9, 2021 at 8:03 PM
Avatar
SKOOTER24
  • MEMBER
  • 275 POSTS
I think they just programmed the PCM but not the skim or key and there no dealer near us. My friend's dad said there's a pin or something.
Jan 9, 2021 at 8:07 PM
Avatar
CARADIODOC
  • CERTIFIED EXPERT
  • 34,306 POSTS
In all my years at the dealership, I only had to do this once for the Engine Computer in a Neon. The SKIM is the Security Key Immobilizer Module. The PIN is a four-digit number that you get from the old computer and save it in the scanner, in this case Chrysler's DRB3. Once the new computer is plugged in, you use the DRB3 to transfer the PIN into it. If I remember right, you can also get the PIN from the dealer's parts department, and enter it manually, but you still need a scanner to do that. If it's not the dealer that sold the vehicle originally, they'll usually ask for proof of ownership.

The DRB3 also did emissions-related stuff on all car brands starting with '96 models, with a extra plug-in card, so a lot of independent repair shops bought them. Also, some of the newer aftermarket scanners may also have this capability, so it would pay to ask around at some local shops.
Jan 9, 2021 at 8:18 PM
Avatar
SKOOTER24
  • MEMBER
  • 275 POSTS
Does the scanner have to be drb3 or is there a cheaper one with same capabilities like on Amazon? because I saw the drb3 and it's in the thousands.
Jan 9, 2021 at 8:38 PM
Avatar
SKOOTER24
  • MEMBER
  • 275 POSTS
Can Ace Hardware do it?
Jan 10, 2021 at 4:48 PM
Avatar
CARADIODOC
  • CERTIFIED EXPERT
  • 34,306 POSTS
The DRB3 kit which included multiple cables and a huge case used to be available from the manufacturer for $6,200.00 on the internet, but I got mine through the dealer I used to work for, for half of that. The last time I looked on eBay, you could find them for less than $2,000.00 for used ones. I sold three new ones to pay for the fourth one that I kept.

These were first obsolete on the 2004 Dakotas and Durangos, and the last year they worked on anything was some 2008 Jeep models. They only work back to '96 models directly, but there are plug-in cards that will let them work back to '94 models or to '83 models. There's also some other specialty cards, but I've never needed them.

For newer models such as my 2014 Ram, I bought a Snapon Solus Edge because a friend has one and I became familiar with it. The drawback is Snapon is very proud of their products, and they charge accordingly for the annual updates, as in $1,000.00 per year. To add to the insult, you can't skip any years. That means if you buy one updated through 2014, you'd have to pay $1,000.00 to have it updated to 2015 before you could pay another $1,000.00 to have the 2016 update installed, and so on for every year up to current. It wouldn't pay to update it in the first place because it would cost more than for buying a brand new one with the latest update. That can work in your favor because if a shop has two or three of them, they only have to update one to be able to work on customers' newest models. They can let the others get old, then sell them when they don't see much use any more. For that reason, you can find these on eBay for less than $800.00. I bought mine in 2018 updated to current at that time, for $1,800.00 from a fellow who always has that model listed multiple times. I wasn't able to check for the SKIM key function because I would need a relevant vehicle to plug the scanner into to access the menus. This would be a question for a Snapon salesman.

Be aware the aftermarket scanners never do quite as much as the manufacturer's scanners will do, but they will do it on more car brands. For example, I have an old "Monitor 4000" which is almost identical to Chrysler's older DRB2. They were both built by the same company, but while the Monitor 4000 does fewer functions than the DRB2, it works equally well on Ford and GM products, and it cost less. The DRB2 only worked on '95 and older models with the older computer language. There were no SKIM keys on any car model at that time.

Matco has been advertising a programmer that might do what you want to do, but I haven't seen one yet. This isn't exactly a scanner as you would think of being "bi-directional", meaning it can show you information, and you can talk back to the computers and command them to do things. GM has always been the leading innovator in things that benefit GM, and one of those things was the need to code computer modules to your specific vehicle. They never released that capability to the independent repair shops in an effort to keep their dealership repair shops busy. They also don't like it when you can buy a good used computer from a salvage yard and have it programmed to your vehicle. This is the problem MATCO addressed with this programmer I'm sorry I don't know any more about it. You might look on their web site for more information, but I'd be pretty sure it would cost more than multiple trips to the dealer for the same service. Even my friend hasn't bought one for his shop yet because with all the new-car dealers he works with being within 20 miles, it is more cost-effective to just trailer cars there to have them programmed. He always has the latest equipment and isn't afraid to spend way too much money on his tools, but he can't justify the cost since this programmer would see so little use.

Also remember there's two parts to transferring the SKIM code to a replacement Engine Computer. First you have to use the scanner to retrieve the code from the old one, then you have to use it o enter it into the replacement computer. I recall you could do just the second part if you knew the PIN already. There is a place to type it into the scanner, and then enter it. The dealer that sold the vehicle new keeps a detailed record of everything related to that vehicle for at least seven years. After that, if they no longer have those records, or if you go to a different dealership, they can get the PIN right from Chrysler.

Even if you find a scanner or programmer that will let you enter the PIN, some people think they'll just try every four-digit number until one works. To prevent car thieves from doing that, you only get three chances to enter the number. I can't remember if a fourth attempt locks that computer permanently or if you have to wait a certain period of time before you can try again.

There are new things happening all the time with replacement keys, probably because the manufacturers have priced their replacements out of reach of many people, and a new key can cost more than an older car is worth. With some older Lexus models, for example, when a fellow bought the car with just one valet key, the only way to get two new keys was to order them with the new, matching Body Computer, from Japan, for $1,500.00. Got'cha". I'd be pleasantly surprised but doubtful the people at hardware stores could program a new key to someone's car, but remember, you're trying to program the computer to the existing keys. I've been told a locksmith can sell you a replacement key and program it for you, but only if you already have one working key they can copy. That's also to prevent them from being able to provide a key for a stolen vehicle.
Jan 10, 2021 at 4:53 PM
Avatar
SKOOTER24
  • MEMBER
  • 275 POSTS
Well dang, seems like so much trouble for one simple task.
Jan 10, 2021 at 5:02 PM
Avatar
SKOOTER24
  • MEMBER
  • 275 POSTS
That's what I told my friend chipping a new key is different than pairing the skim to PCM.
Jan 10, 2021 at 5:05 PM
Avatar
CARADIODOC
  • CERTIFIED EXPERT
  • 34,306 POSTS
All in an attempt to prevent car theft, but going back to GM's anti-theft systems in the '90s, they were real effective, at keeping owners out of their cars.

Here's one more tidbit I want to add. I don't think this applies to your Jeep, so it's mainly for the benefit of owners of other models who may be researching this topic. I've witnessed this three times, and been involved with two of them. The first was on a '92 Dynasty at the dealership. This is where I first learned of this. The second was that friend of mine has a body shop where he specializes in rebuilding smashed one and two-year-old Chrysler products, mainly trucks, and the third was on a '95 Intrepid used by one of Chrysler's trainers, then donated to my community college.

Let me start with my friend who rebuilt an early 2000s Neon. One of the last damaged items to be replaced was the Engine Computer. To verify everything else was okay, he borrowed the computer from another friend's car. The rebuilt car fired right up and ran fine, so all that was needed was to order his own computer. As soon as they put that borrowed computer back into his friend's car, it was a crank / no-start. They trailered it to a dealership, and the fix was to replace the Engine Computer and the Body Computer at the same time.

In the cases of the Dynasty and the Intrepid, both also needed replacement Engine and Body Computers at the same time. The owner of the Dynasty replaced the Engine Computer himself earlier, which turned out to not be the cause of the original problem. One of my students borrowed the Engine Computer out of our Intrepid to see if it would solve a problem in his car. It did not, but now our Intrepid was also a crank / no-start once the original computer was reinstalled.

What happens is the car could have factory anti-theft from the factory, or it could not have that option. If it does, the software in the Engine Computer and in the Body Computer has the programming for that. Anti-theft programming can not be undone except by the people who rebuild those computers. A better way to say it is that programming is in both computers, but it was never activated if the car didn't come with the optional anti-theft system

When you have a car without the anti-theft system, you must only install replacement Engine or Body Computers that also have never had it activated. As long as that remains true, you can swap computers back and forth all day and never cause a problem. Also, when you buy a replacement computer from the dealer's parts department, they always come with anti-theft not activated.

This is where the potential problem comes in. If your car has the factory-installed anti-theft system, lets say you replace the Engine Computer with a new one from the dealer, the Body Computer will teach that anti-theft programming to the new computer the instant you turn on the ignition switch. You don't have to do anything special, and there's no indication that change has taken place. Both computers will function normally. The same is true if you replace the Body Computer. It learns the anti-theft programming from the Engine Computer. In either case, once that programming has been activated, it can't be deactivated. It's burned into the software permanently.

It's when you take a used computer with anti-theft system activated, and put it in a car without the factory-installed system, it teaches it to the other computer the instant you turn on the ignition switch. Now both computers need to see the "disarm" signal from the door lock cylinder or remote key fob, before they will work, but those don't exist, so that signal is never coming.

At this point competent do-it-yourselfers assume the replacement Engine Computer is defective, so they try another one. That one also learns the anti-theft programming if it wasn't already activated. This will go on and on until it is realized both computers have to have deactivated software, and be installed at the same time. It took me most of the school year to convince my tool room attendant of this. He kept on replacing computers one at a time, and never got that engine running until I found a pair of computers without the anti-theft activated, and had a student install both at the same time.

One important variation of this is on '97 Caravans, and probably other model years. In these vans, one computer doesn't teach the anti-theft programming to the other one simply when turning on the ignition switch. Instead, that occurs when the lift gate is unlocked with the key. There's a switch in the latch assembly that triggers that learning. That switch doesn't exist on vans without the anti-theft system, so a replacement computer will never teach it to the other computer. The new computer with activated anti-theft will not work, as before, but it won't harm the other computer. In this model, it is safe to just try multiple computers until you stumble across one with the anti-theft not activated. That one will work like normal.
Jan 10, 2021 at 5:55 PM
Avatar
SKOOTER24
  • MEMBER
  • 275 POSTS
Yeah, see that is what I was thinking. I saw a video from a dealer guy he said as long as you take the PCM and skim and cylinder and install it in yours it'll work if it's not messed up from the junkyard. but most dealers want mess with them and also a Ford guy said you could trick the old one from the junkyard to working as if it was never replaced but you had to have the scanner so either way that's a lost on that one.
Jan 10, 2021 at 6:15 PM
Avatar
STRAILER
  • CERTIFIED EXPERT
  • 53,854 POSTS
I have updated the first response to give you the PCM replacement instructions. Please check it out.
Jan 12, 2021 at 7:10 PM
Avatar
CARADIODOC
  • CERTIFIED EXPERT
  • 34,306 POSTS
Thanks, Ken.

You'll find the torque specs in the fifth panel. Also note there's no mention of the SKIM key. You only have to enter the vehicle ID number with the scanner. You don't have to rewrite the mileage for the computer to work, but it's important to do so for two reasons. The first is many vehicles in this time period had truck emissions systems that included a "Maintenance Required" light on the dash. Those turned on based mostly on mileage, with a little variation from driving conditions. That was to inform owners it was time to have emissions system components inspected. For example, on older Dakotas and Caravans, that light turned on at 60,000 and 120,000 miles, then never again. If you stick in a replacement computer with lower mileage, the light could turn on again shortly after that service was already performed.

The second reason is the Chrysler trainers told us there is data stored in the computer that we can't see or change, but if law enforcement officials send it back to Chrysler, they can see if emissions-related recalls were performed, which diagnostic fault codes were set in the past, when they occurred, and how long it took before the defect was solved. That's all based on mileage, so they want it to be right.

Given how much more advanced aftermarket scanners are today, I would expect almost any independent repair shop could enter this information, but you'd have to get the vehicle there.
Jan 12, 2021 at 9:51 PM
Avatar
SKOOTER24
  • MEMBER
  • 275 POSTS
Called a locksmith and he came and tried but failed. so they are going to send PCM back and have the security part disabled.
Jan 13, 2021 at 1:07 PM
Avatar
CARADIODOC
  • CERTIFIED EXPERT
  • 34,306 POSTS
That doesn't sound possible, but please keep me updated. I have a suspicion they're going to enter the VIN for you, then send it back.
Jan 13, 2021 at 5:47 PM
Avatar
SKOOTER24
  • MEMBER
  • 275 POSTS
I saw a guy he deleted the whole security part. the key still pipes on the dash but it still kept going. so I'm hoping they either do that or he's out of luck unless he goes to the dealer and they are $1,000.00 here for that job.
Jan 13, 2021 at 6:47 PM
Avatar
SKOOTER24
  • MEMBER
  • 275 POSTS
NVM apparently they didn't put the VIN in.
Jan 14, 2021 at 9:47 AM
Avatar
SKOOTER24
  • MEMBER
  • 275 POSTS
We don't have to program the lock cylinder to the new PCM to do we?
Jan 16, 2021 at 11:06 AM
Avatar
CARADIODOC
  • CERTIFIED EXPERT
  • 34,306 POSTS
I never heard of that. The only thing I found is the need to program the VIN into the replacement computer. That is done just before the computer is shipped to you, so you just plug it in and you're done.
Jan 16, 2021 at 6:07 PM
Avatar
SKOOTER24
  • MEMBER
  • 275 POSTS
I saw a mechanic and he had the scanner but he wants $300.00 just to change the key cylinder. I said it don't need that and he said he use to work at the Honda dealership and he said the cylinder was programmed to the other PCM and it had to be replaced and I know about cars and that didn't sound right. once the VIN is in and it's good to go that's it.
Jan 16, 2021 at 6:32 PM
Avatar
CARADIODOC
  • CERTIFIED EXPERT
  • 34,306 POSTS
Honda is way different than Chrysler. There's a large group of trainers that develop classes for the mechanics from independent shops so they can get the same training as those from dealerships. In my area, we have a fellow who owns a shop in Jolliet, IL that specializes in the one out of a hundred cars no one else can figure out. Their main customers are other shops. These instructors also collaborate with corporate trainers from the manufacturers.

The consensus among these instructors is when it comes to "customer-friendly" business practices, the world's leaders are Hyundai, Toyota, and Chrysler, in that order. Chrysler has by far the longest list of innovations that benefit car owners going back to the '50s. Those include the first "AC generator for 1960, (they copyrighted the term, "alternator"), first electronic voltage regulator, first electronic ignition, computer-controlled ignition, lock-up torque converter, first anti-lock brakes, (1969), air bags, and computer-controlled transmission. All other manufacturers always come out with their own versions a few years later.

GM, BMW, VW, and Audi are on the bottom of that list. GM in particular has a whole bunch of policies that benefit GM, at the expense of their customers, and one of those is you can no longer grab a computer from a salvage yard or any other car and just pop it into yours. You must have the VIN programmed in, and they won't allow any shop other than the dealers' to do that. Most of them will only program a new or rebuilt computer that they sell you. Unfortunately, other manufacturers copied that too, but every time a manufacturer puts a road block in our way, the aftermarket industry comes up with a solution. The latest one I've heard about is Matco has a programmer that works much like a scanner, but without all those functions and features. It only allows you to enter what is necessary to make a computer work in your car. I don't know how long these have been out, but it might pay to ask as some local shops.
Jan 16, 2021 at 7:30 PM