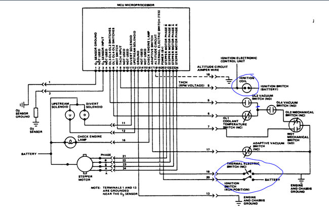
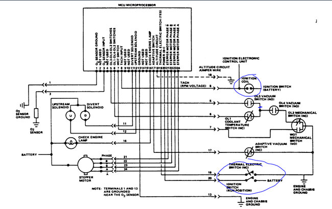
I have an 88 yj that I bought recently, it has a replacement engine that I believe is from an 81 cj it has an offenhauser intake and a Holley 390.
I was driving down the road the other day and it cut off. Wouldn’t start back up immediately but then I got it started and drove home. Now it will only run for a couple seconds and then will shut off.
I am getting plenty of fuel to the carburetor, took off both bowls and the floats are functioning properly and I replaced the needle and seats.
I replaced the coil and spark plugs and the distributor seems to be in good shape, (clean and rotor does not have play).
I do not know what is wrong, I am thinking it is a carburetor issue or vacuum perhaps. Please help.
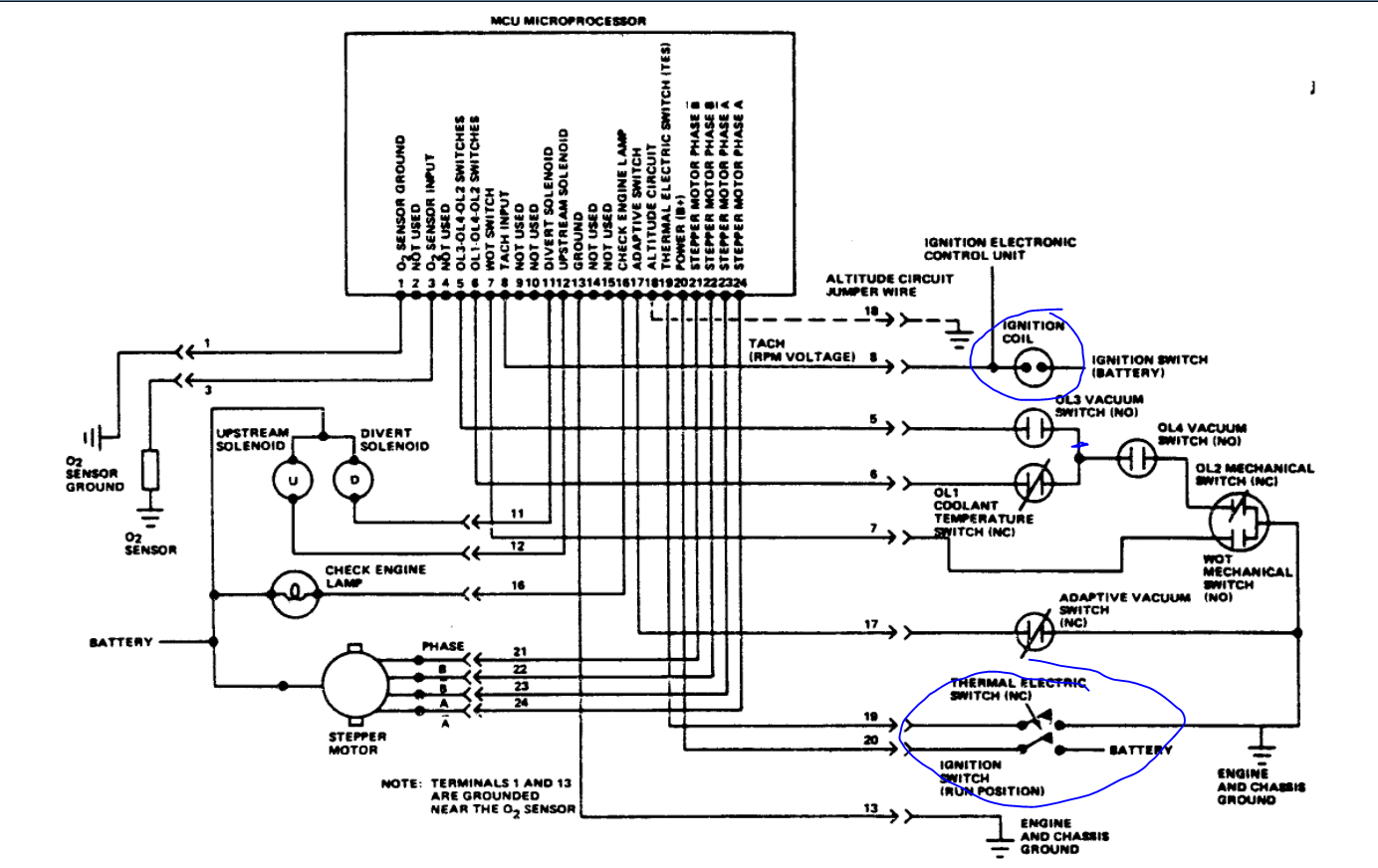
I was driving down the road the other day and it cut off. Wouldn’t start back up immediately but then I got it started and drove home. Now it will only run for a couple seconds and then will shut off.
I am getting plenty of fuel to the carburetor, took off both bowls and the floats are functioning properly and I replaced the needle and seats.
I replaced the coil and spark plugs and the distributor seems to be in good shape, (clean and rotor does not have play).
I do not know what is wrong, I am thinking it is a carburetor issue or vacuum perhaps. Please help.
Jul 16, 2021 at 3:58 PM
