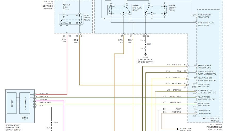
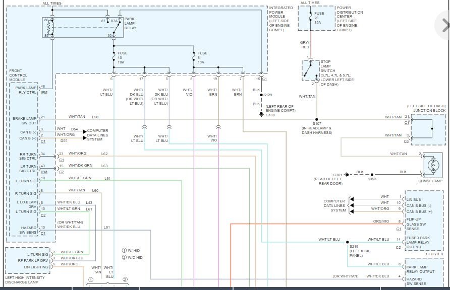
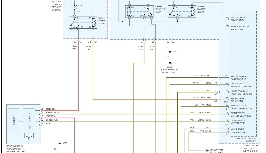
My windshield wipers, headlights, and turn signals stopped working. When I turn on the ignition the head lights come on. I think it may be a fuse issue, but I can not figure out which fuse it may be considering I have three different fuse boxes. They are also numbered, not labeled, I just can not figure this one out. Any advice is welcomed and appreciated!!! Thank you in advance for your help!!!!
Sep 17, 2009 at 6:41 PM













