turn signal relay location?

2000 JEEP CHEROKEE
72,000 MILES • 6 CYL • 4WD • AUTOMATIC
Avatar
PRITCH
  • MEMBER
  • 1 POST
neither of my turn signals are working I have no owners manual and i am unsure of their location-can someone point me in the right direction--i believe it is a bad fuse or relay?
Nov 28, 2008 at 10:47 AM
Advertisement
Avatar
RASMATAZ
  • CERTIFIED EXPERT
  • 75,992 POSTS
Hello,

Remove the knee blocker from the instrument panel. Reach through the outboard side of the steering column opening to access and disengage the combination flasher wire harness connector retainer from the instrument panel diagnostics mounting bracket. Here is the location of the turn signal flasher which is a combination flasher. Check out the diagrams (Below). Please let us know if you need anything else to get the problem fixed.
Nov 28, 2008 at 12:16 PM
Avatar
CIGARRO
  • MEMBER
  • 3 POSTS
Where is the turn signal flasher located on a 2000 Jeep Cherokee Sport?
Feb 9, 2019 at 8:20 PM (Merged)
Advertisement
Avatar
JDL
  • CERTIFIED EXPERT
  • 16,098 POSTS
My database showed this location. Behind the dash on the drivers side.

Feb 9, 2019 at 8:20 PM (Merged)
Avatar
CIGARRO
  • MEMBER
  • 3 POSTS
Thank you, I will let you know if I can find it.
Feb 9, 2019 at 8:20 PM (Merged)
Avatar
JRMS93
  • MEMBER
  • 3 POSTS
Electrical problem 6 cyl Four Wheel Drive Automatic 158450 miles

im replacing my turn signal relay and am wondering if i need to have the exact same flasher? i found several at auto zone that have 2 and 3 terminals, the one i unplugged has 5
Feb 9, 2019 at 8:21 PM (Merged)
Avatar
MERLIN2021
  • CERTIFIED EXPERT
  • 17,250 POSTS
Here is the entire electrical relay and fuse system so you can see whats going on and where to find the turn signal relay. The call it an electronic flasher. Fifth diagram over.

https://www.2carpros.com/articles/how-to-check-an-electrical-relay-and-wiring-control-circuit

Check out the diagrams (Below)

Please let us know what you find. We are interested to see what it is.

Cheers
Feb 9, 2019 at 8:21 PM (Merged)
Avatar
JRMS93
  • MEMBER
  • 3 POSTS
i know for a fact that there are 2 relays/flashers that control the hazards and the turn signals, red turn signals, blue hazards, and its not a fuse, thats the first place i looked, all the fuses are fine
Feb 9, 2019 at 8:21 PM (Merged)
Avatar
MERLIN2021
  • CERTIFIED EXPERT
  • 17,250 POSTS
Okay let me get the wiring diagram so we can see whats going on. Yep just one flasher check it out (below)
Feb 9, 2019 at 8:21 PM (Merged)
Avatar
JRMS93
  • MEMBER
  • 3 POSTS
Okay great I found the flasher unit and replaced it everything working great job for me thank you I cant believe this site is free god bless.
Feb 9, 2019 at 8:21 PM (Merged)
Avatar
DENTINO3
  • MEMBER
  • 4 POSTS
Headlights shut off completely after high beams are turned on 30 seconds. The lights will turn on again after the lights are turned off completely for a few seconds. This pattern repeats each time the high beams are turned on. There appears to be some sort of relay or circuit breaker involved here, but I do not know where to look.
Feb 9, 2019 at 8:21 PM (Merged)
Avatar
CARADIODOC
  • CERTIFIED EXPERT
  • 34,306 POSTS
What year is the vehicle? Older ones have a circuit breaker built into the headlight switch. That one and the dimmer switch should also be checked for overheated wires and connector pins. Burned terminals can be cut out of the plastic connector body and new terminals can be inserted individually. They should be soldered for a good connection even if you use the crimp-on style terminals.

caradiodoc
Feb 9, 2019 at 8:21 PM (Merged)
Avatar
HMAC300
  • CERTIFIED EXPERT
  • 48,601 POSTS
there are no circuit breakers in your system. Just fuses and relays. On the junction block on the left side of dash there is a relay for thehigh beam headlights, try replacing that as it may not be working.there is also a 10 amp fuse there, check that. There is also another fuse #3 at your underhood lelectrical center. check all of these for poorconnections. itcan also be your body control module which has relay controlers inside of it. I can't send a diagram as we can't upload on here yet. hope this helps.
Feb 9, 2019 at 8:21 PM (Merged)
Avatar
HMAC300
  • CERTIFIED EXPERT
  • 48,601 POSTS
ok when i first answered, your year doesn't come through and i looked up 2003 you have a highbeam relay by the left side of radiator. Also you didn't say whether you have drl 's or not as that module may be interfering it's by the blower motor. but check the fuses for contact. it can be your dimmer switch as well it may not be makinggood contactas well.
Feb 9, 2019 at 8:21 PM (Merged)
Avatar
DENTINO3
  • MEMBER
  • 4 POSTS
The jeep is a 1995 Cherokee sport. It does not have daylight running lights. While driving this evening the headlight low beams cut out on three different occasions for a few seconds. This is in addition to the headlights cutting out when the high beams are switched on. Turning off the headlight momentarily seems to correct the problem, at least temporarly. I doubt that it is a blown fuse but I will check these connectors. Which relays control the low and high beams? Their locations?
Feb 9, 2019 at 8:21 PM (Merged)
Avatar
TRADBOWHUNTER56
  • MEMBER
  • 1 POST
When I turn on the head lights my turn signals don't work! They work fine with no head lights! I've messed with them this am and checked all fuses and relays pushing them tight, also noticed mostiure inside one of the head lights but all lights are working! I restarted jeep and checked again and for the moment everything is working again as normal! I need to get this jeep inspected in a week! any thoughts as to if the mostiure in the one head lamp may be causing a short or if the relays or fuses may have loosened!??
Feb 9, 2019 at 8:21 PM (Merged)
Avatar
KHLOW2008
  • CERTIFIED EXPERT
  • 41,814 POSTS
Hi tradbowhunter56,

Symptoms indicates a likely ground circuit fault rather than the moisture.

Lightings share a common ground and there are several points on left and right side for front and rear. When a ground circuit fails, voltage would reverse flow through those lights that are not being operated to get to the next good grounding point available and this would cause them to malfunction.

Check all lighting grounding point to ensure they are clean and secure.
Feb 9, 2019 at 8:21 PM (Merged)
Avatar
DENTINO3
  • MEMBER
  • 4 POSTS
I will pull the switch tomorrow and check for loose connections and heat damage. I'll let you know what I find.
Feb 9, 2019 at 8:21 PM (Merged)
Avatar
DENTINO3
  • MEMBER
  • 4 POSTS
The dimmer switch works well so far, but I cannot tell you if the inst lights went out when the headlights went out. I'll have to check that out, when the lights went out tonight I was on the highway doing 65 so I was too worried about where the road went to notice if they were on or off.
Feb 9, 2019 at 8:21 PM (Merged)
Avatar
LVKIMBRELL
  • MEMBER
  • 1 POST
were do you put it at ?
Feb 9, 2019 at 8:21 PM (Merged)
Avatar
RASMATAZ
  • CERTIFIED EXPERT
  • 75,992 POSTS
The combination flasher is near headlamp switch
Feb 9, 2019 at 8:21 PM (Merged)
Avatar
TOMMYSCHIRMER
  • MEMBER
  • 4 POSTS
I don't believe that its a bulb issue because every once in a while one of the blinkers will blink once when i try to turn them on. Also, the emergency flashers still work, it seems to be a problem with the switch that initiates the turn signal. or maybe a burnt fuse?

-Thanks for your time,
Tommy
Feb 9, 2019 at 8:21 PM (Merged)
Avatar
HMAC300
  • CERTIFIED EXPERT
  • 48,601 POSTS
check your flasher there is one for the hazards and one for the turn signals. it's a combanation sensore and cold be bad for the one side.it's by the headlight switch
Feb 9, 2019 at 8:21 PM (Merged)
Avatar
TENNISPLR
  • MEMBER
  • 1 POST
Electrical problem
2000 Jeep Cherokee 6 cyl Four Wheel Drive Automatic
----------------------------------------------------------------
I have changed the turn signal switch out and i still have no turn signals. I do have the hazard lights thought. What should I check or change? I really dont feel like going to a shop cause I can do most my self. I am just wondering what else there is to check or do?
Feb 9, 2019 at 8:21 PM (Merged)
Avatar
METHOD
  • MEMBER
  • 1 POST
im having issues with my 200 jeep xj as well. but my hazards dont work at all either. You may want to try changing the flasher relay. Under the steering column there is an access panel thats about 2 feet wide. Pull that down. Pull out the metal guard right behind that and you'll have the whole elctrical area by the drivers feet opened up. Looking straight at it in the upper left corner you'll see the flasher relay. its just a plug in relay. I changed mine, didnt fix my issue, but it could fix yours
Feb 9, 2019 at 8:21 PM (Merged)
Avatar
ROCKETTEER
  • MEMBER
  • 8 POSTS
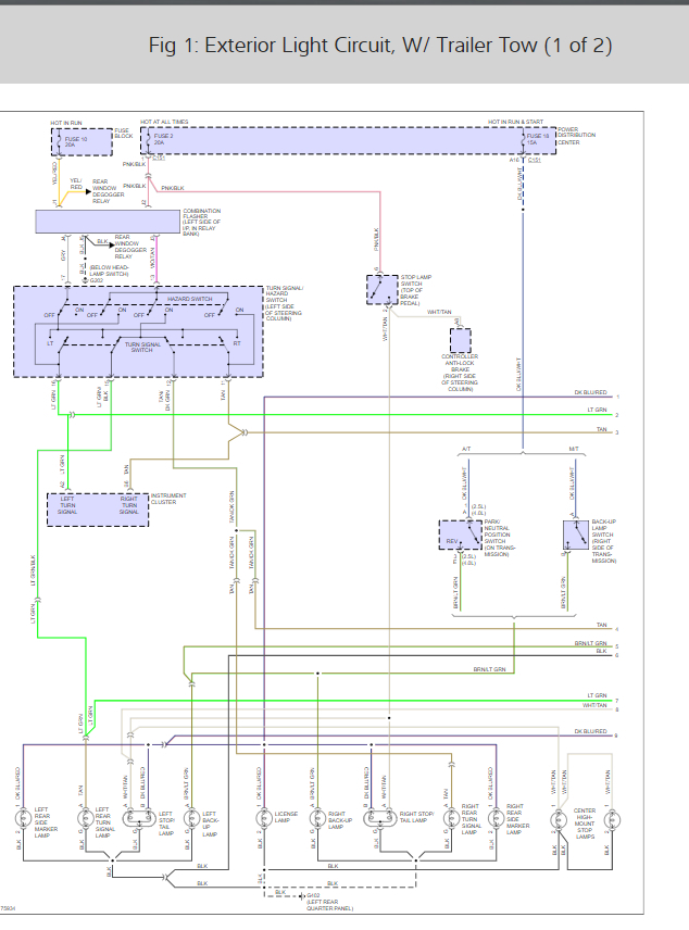
UPDATE: My dad and I spent several hours yesterday investigating the turn signal. We first unbolted the relay panel from under the dash and removed its back cover. There are five wires entering/exiting the combo flasher relay (Tridon EP-27). We found that by jumping across the yellow/red wire (presumably hot) to the purple wire in the center, the turn signal would function! Then we located the path of these terminals within the relay (i.e. on the circuit board) and soldered a jump wire across the two terminal connections. We found that the hazards and turn signals functioned correctly like this, and thought we had solved the problem... HOWEVER, we realized that this "solution" came with its own new problem: when the ignition is turned on, the relay would click constantly (without actually engaging the lamps). This noise is unacceptably annoying, so we had to remove our jump wire and are thus back to square one. I continue to stand by my argument with my dad that the relay is NOT the problem, since I already tried replacing it with a brand new one to no effect. So, I'm convinced that there is a continuity or power delivery issue between the turn signal switch and the relay. That is, we know the relay can actuate the turn signal lamps as it is supposed to, but something is not sending it the necessary power feed in order to do its job.

Two wiring diagrams are attached.

Thanks for further advice!

-Chris
Feb 9, 2019 at 8:21 PM (Merged)
Avatar
ROCKETTEER
  • MEMBER
  • 8 POSTS
Avatar
DOCFIXIT
  • CERTIFIED EXPERT
  • 18,828 POSTS
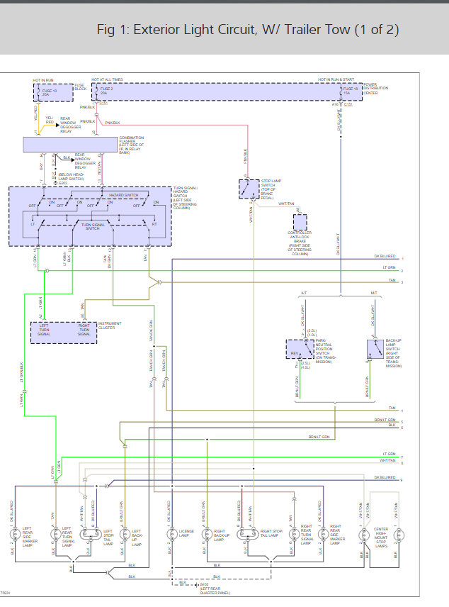
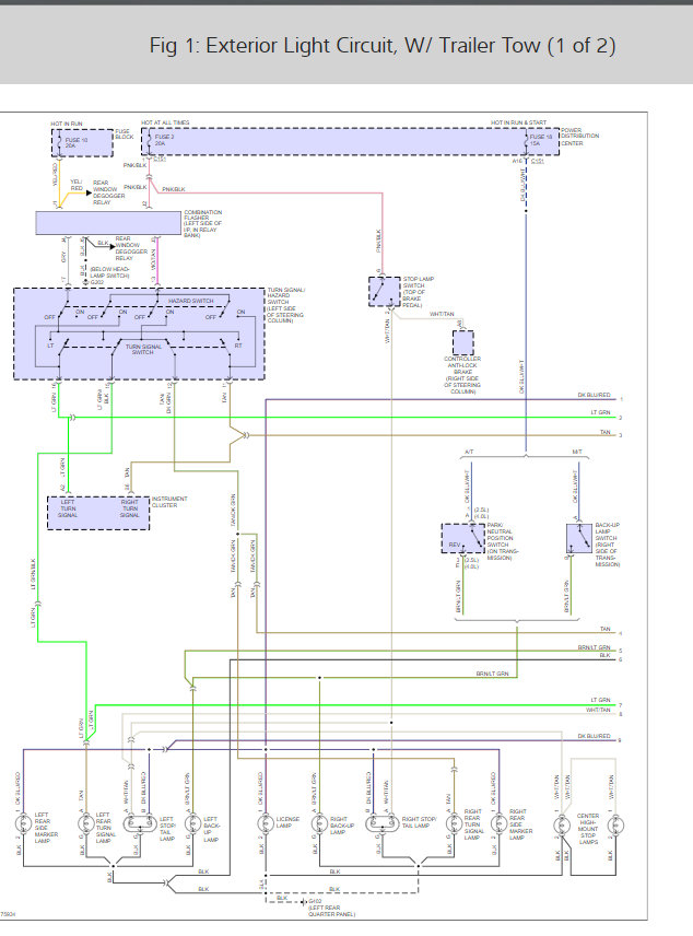
Would you provide production date and is there a trailer tow lighting on Jeep? see diagrams does fuse?relay look like this?
Feb 9, 2019 at 8:21 PM (Merged)
Avatar
ROCKETTEER
  • MEMBER
  • 8 POSTS
Docfixit:

Yes, those fuse/relay panels match mine. The first is the fuse panel in driver's side footwell. The second is the fuse/relay panel that is under the hood of the car, near the battery. What is missing, however, is another relay block that is just below the steering column behind the dashboard. It is this latter relay block that contains the combined T.S./hazard flasher.

YES, the Jeep does have trailer tow lighting.

I cannot provide a production date, but the Jeep was purchased brand new in 1995.
Feb 9, 2019 at 8:21 PM (Merged)
Avatar
DOCFIXIT
  • CERTIFIED EXPERT
  • 18,828 POSTS
Not sure what you see at steering coluumn but flashers are in I/P/ box. Has all the Gerry rig wirirng been removed?
Feb 9, 2019 at 8:21 PM (Merged)
Avatar
ROCKETTEER
  • MEMBER
  • 8 POSTS
The fuse panel diagram you included is found under the dash, but the slot for the turn signal flasher is empty, as is the hazard flasher. These two cylindrical relays are not present anywhere. The combined turn signal/flasher relay is just behind the dash, slightly to the right beneath the steering wheel. I know for a fact that this is the turn signal relay because we have made the turn signal work by playing with this relay. Please read a previous post from me with the exact same title as this one. In it I explained all of the troubleshooting that has gone on so far and I've tried to explain that the fuse/relay diagrams in the Jeep manual and in maintenance manuals are NOT what is seen in my Jeep. I can provide photos if necessary.

As for gerry-rigged wiring... Once upon a time there was an anti-theft ignition kill device installed. However, this has been completely removed along with all its associated wiring. There is trailer lighting, but it was professionally done and I would not be able to recognize any of its wiring unless you told me what to look for.

If you consider what we did while testing the relay (please refer to previous post), it's really pointing toward some power delivery to the flasher relay. We could jump two leads and cause the TS to work. I'm attaching two wiring diagrams. Please look over these and note the hot connection from the ignition switch. This is what we suspect is the problem - that the flasher relay is not getting its operational power from a hot lead.
Feb 9, 2019 at 8:21 PM (Merged)
Avatar
DOCFIXIT
  • CERTIFIED EXPERT
  • 18,828 POSTS
At multi-function flasher check for power on yellow/red and black/white wires? if power put test light on black wire operate turn signals What happens?
Feb 9, 2019 at 8:21 PM (Merged)
Avatar
THERED95SPORTXJ
  • MEMBER
  • 3 POSTS
I have the same problem sorta but the pictures up above you showed the second one doesn't match mine but the 1st one does. I have a 1995 Jeep Cherokee sport. But it was made in July of 94 but the 3rd relay box isn't it either so I'm stuck because my turn signals and Hazards don't work
Feb 9, 2019 at 8:21 PM (Merged)
Avatar
STRAILER
  • CERTIFIED EXPERT
  • 53,854 POSTS
Hello,

It sounds like the flasher is out or you have lost power somewhere. here is the wiring, flasher and fuse panels for you car. please follow this guide and see what you find.

https://www.2carpros.com/articles/how-to-use-a-test-light-circuit-tester

Check out the diagrams (below)

Let us know what happens and please upload pictures or videos of the problem.

Cheers, Ken
Feb 9, 2019 at 8:21 PM (Merged)