No brake lights - fuse?

2000 JEEP CHEROKEE
Avatar
CUDARACER
  • MEMBER
  • 6 POSTS
Six cylinder four wheel drive Automatic 100,000 miles.

No brakes lights on my vehicle. (includes the third eye) I replaced the following; brake switch, column multi switch, taillight fuses and bulbs. I had heard they have problems with the sockets, but the tail and running lights are fine. Any obvious things I have missed?

Thanks,
Dave
Mar 7, 2008 at 11:01 AM
Advertisement
Avatar
RASMATAZ
  • CERTIFIED EXPERT
  • 75,992 POSTS
Do you have power at the brake switch? If so, do a continuity check on the white and tan wire when it leaves the brake switch all the way to the bulb socket-no reading the white and tan is open.

Here is a guide that can help us fix the problem as well:

https://www.2carpros.com/articles/no-tail-lights-exterior-running-lights-tail-lights-out

and

https://www.2carpros.com/articles/how-to-use-a-test-light-circuit-tester

Also, check the main control switch. We are loosing the power somewhere just got to find it

Check out the wiring and fuse diagrams (below).

Please let us know what happens.

Cheers
Mar 7, 2008 at 3:11 PM
Avatar
CUDARACER
  • MEMBER
  • 6 POSTS
I have nothing at the tan and white wire at the brake light switch (plugged or not). The white/pink (brake light sensor) wire has switched power though. other than that nothing. The lights my test light on the brake switch. Both new and the replacement brake light switch do the same. (white/pink has power)
Mar 10, 2008 at 4:42 PM
Advertisement
Avatar
RASMATAZ
  • CERTIFIED EXPERT
  • 75,992 POSTS
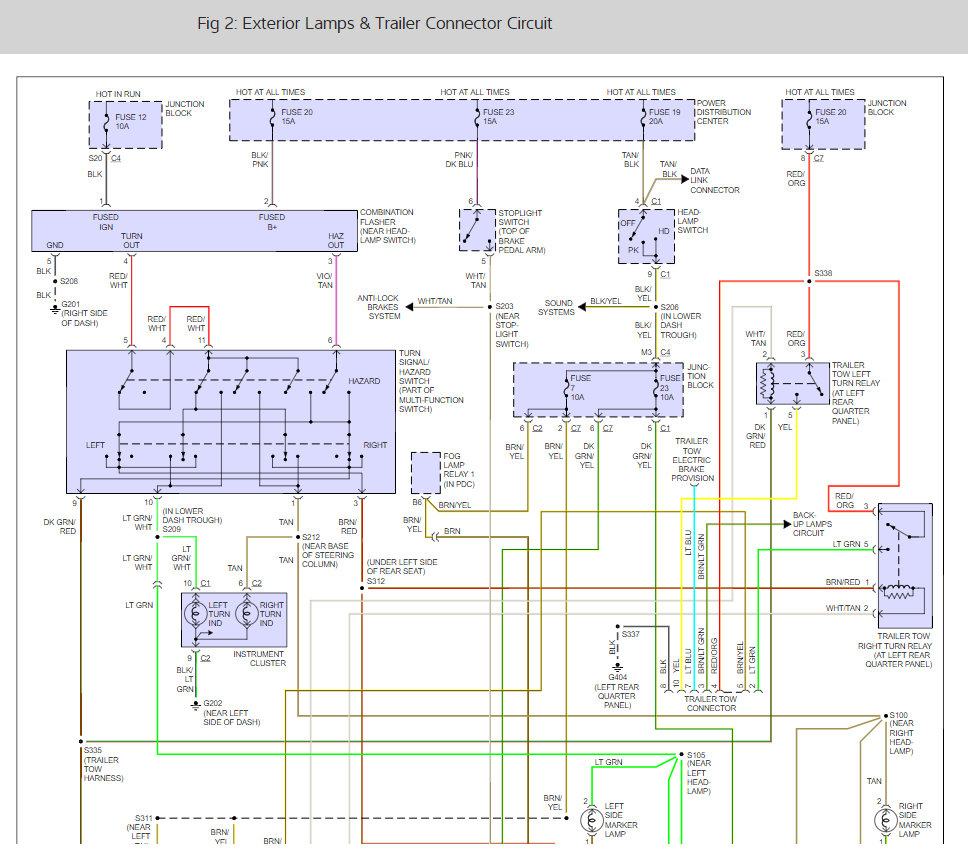
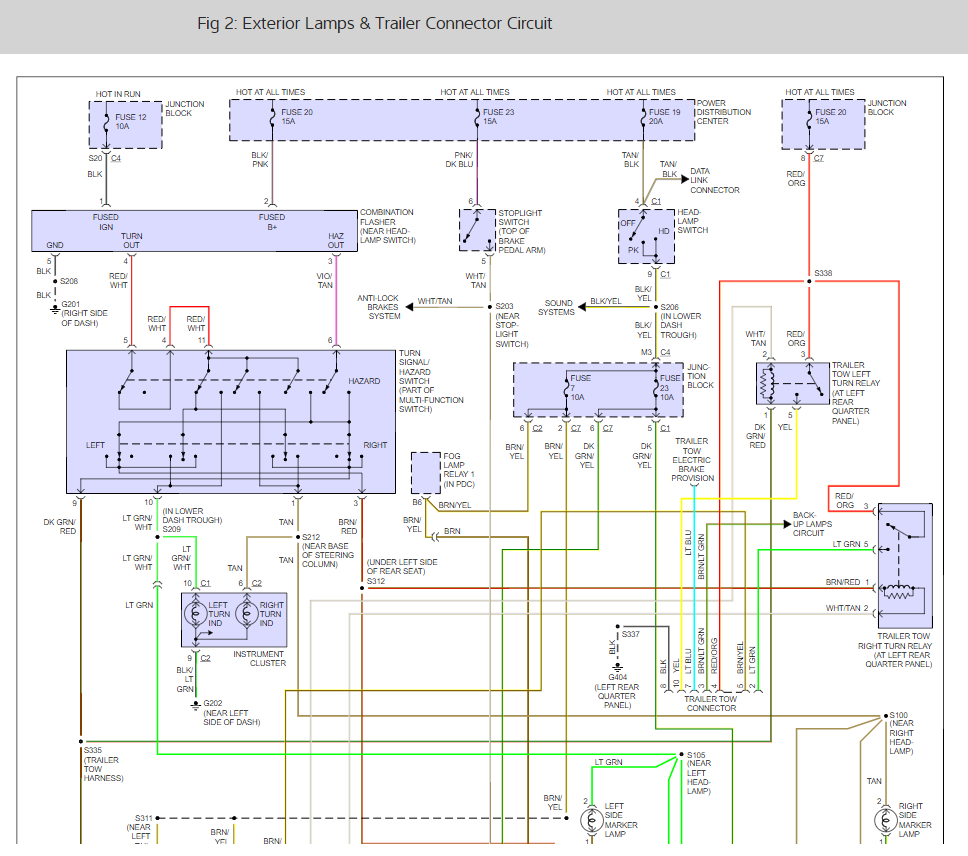
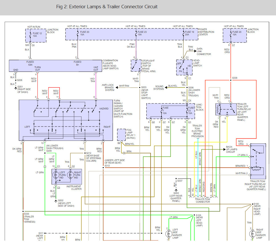
What type of Cherokee is this? You have a fuse in the power distribution box that powers the brake switch. It is number 23 15 amp. The wire colors at the brake switch is tan/white and pink/dark blue confirm this. You should have power at pink/dark blue at all times. When you depress the brake both should have power. This is the best I could do with EWD image you need to blow it up, need more help comeback.


https://www.2carpros.com/forum/automotive_pictures/12900_cherokee_EWD_1.jpg

Mar 10, 2008 at 5:04 PM
Avatar
CUDARACER
  • MEMBER
  • 6 POSTS
It is a Jeep sport I believe. Not the Grand etc. When you say power distribution box you mean the fuse box, right? All the fuses in the fuse-box are good. I keep checking that continually as I go. I will look over the diagram you presented. This is frustrating. I appreciate your help.

The only power I have at the brake light switch is the pink/white and it reacts to the plunger. On a pin out of the harness-connector it is called the "brake light sense" what ever that means or does I am clueless. No power at the tan/white wire. I will confirm the colors when I get home.

Thanks
Dave
Mar 11, 2008 at 7:24 AM
Avatar
CUDARACER
  • MEMBER
  • 6 POSTS
unfortunately, there is no way for me to blow up the provided diagram and have it legible.
Mar 11, 2008 at 7:28 AM
Avatar
RASMATAZ
  • CERTIFIED EXPERT
  • 75,992 POSTS
The pink/white wire should always have power-depressing the plunger should open the circuit and depressing it should transfer power to the white/tan wire.
Mar 11, 2008 at 3:47 PM
Avatar
RASMATAZ
  • CERTIFIED EXPERT
  • 75,992 POSTS
Thanks for all your help. under hood fuse 23 was the problem.

Thank you for your time on this.

Dave

You are welcome. If you have another other car problems you know where to go.
Thanks for the donation and tell friends about us.
Mar 12, 2008 at 9:45 AM
Avatar
PLGXX
  • MEMBER
  • 2 POSTS
Hi rasmataz,
Fuse number 23 under the hood fixed Dave's 2000 Jeep Sport. I do not have a number 23 on my 1999 Grand Cherokee Laredo. (The slot is empty). Would you know which fuse/plug thing might help my brake light problem?
Apr 14, 2008 at 10:51 PM
Avatar
RASMATAZ
  • CERTIFIED EXPERT
  • 75,992 POSTS
I do not. what is going on? I came up for yours the same fuse at number 23 see below.


https://www.2carpros.com/forum/automotive_pictures/12900_brake_3.jpg

Apr 15, 2008 at 2:50 AM
Avatar
PLGXX
  • MEMBER
  • 2 POSTS
Okay got it. That one is under the driver side dash. I thought maybe you were referring to the fuses in the black box under the hood.

Number 23 under the dash is my problem. It keeps blowing. I read about changing the the turn signal switch so I changed it and bam! all fixed.

This site rocks!
Apr 15, 2008 at 11:32 AM
Avatar
BOB 1950
  • MEMBER
  • 7 POSTS
I have no brake lights at all on my vehicle listed above Sport. I have no power to the brake switch on the lower column (pink wire), but I have power to and through fuse 22, which by the wiring schematic I have is supposed to supply power to that switch.
Nov 12, 2020 at 12:23 PM (Merged)
Avatar
JACOBANDNICKOLAS
  • CERTIFIED EXPERT
  • 110,175 POSTS
Welcome to 2CarPros.

If there is power at the fuse, does it exit the fuse box? You could have power available that goes nowhere because of a bad fuse, pushed out pin in the box, or a bad connection. If the power does leave the fuse box to the switch, there has to be a break in the wiring at some point preventing the power from reaching the switch.

I cut a portion of my schematic for you to compare to what you have. See if it is the same. If it is and the power leaves the fuse box but is lost at some point between the box and the switch, the only thing you can do is start tracing that wire and determine where it is broken.

Here are a few links you may find helpful. I'm adding them just in case, but based on what you have already done, I have a feeling you won't need them.

https://www.2carpros.com/articles/how-to-use-a-test-light-circuit-tester

https://www.2carpros.com/articles/how-to-use-a-voltmeter

https://www.2carpros.com/articles/how-to-check-wiring

https://www.2carpros.com/articles/how-to-check-a-car-fuse

_________________

Let me know if any of this helps or if you have other questions.

Take care,
Joe
Nov 12, 2020 at 12:23 PM (Merged)
Avatar
BOB 1950
  • MEMBER
  • 7 POSTS
Well that is interesting. the schematic that I am using (Haynes manual, Cherokee 84-01 copyright date 2005) designates the fuse as #22 and I see that your schematic designates #23. although they (the schematics) are identical otherwise. Guess I'll be checking #23 in the morning. And yes the fuse in 22 is good and lights at both test posts.
Nov 12, 2020 at 12:23 PM (Merged)
Avatar
JACOBANDNICKOLAS
  • CERTIFIED EXPERT
  • 110,175 POSTS
Welcome back:
Let me know what you find. If the fuse is good and lights on both sides, we have an open circuit between the fuse box and the switch.

I just doubled checked on another schematic and the fuses are correct that I said, but I found one thing of interest. There is a splice to power the switch. Take a look at the schematic I added. I just cut out the section I am referring to. You may want to also check that splice to make sure it isn't corroded or damaged. That will cause the issue for sure.

Let me know.

Joe
Nov 12, 2020 at 12:23 PM (Merged)
Avatar
BOB 1950
  • MEMBER
  • 7 POSTS
Hello. Hmm, okay, thanks. Any chance that I could get an expanded shot of that splice specifically? wondering what the yellow-outlined unit is. I have a white/pink line going to the brake switch, and there was power there. I'll be diving back in later today.
Nov 12, 2020 at 12:23 PM (Merged)
Avatar
JACOBANDNICKOLAS
  • CERTIFIED EXPERT
  • 110,175 POSTS
Welcome back:
I highlighted the white/pink wire so you could easily see what I was talking about. That's why it looks yellow.

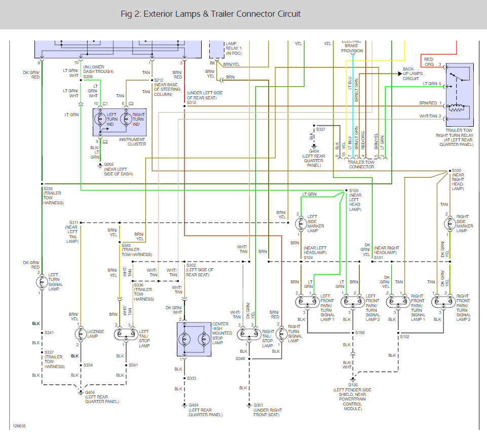
I attached the entire schematic for you, I had to break it into a few pictures because of its size. The pictures are in order and I overlapped them so you could follow from one to the next.

Let me know if this helps.

Joe
Nov 12, 2020 at 12:23 PM (Merged)
Avatar
BOB 1950
  • MEMBER
  • 7 POSTS
Thanks. Yesterday was a long work day, didn't get home until 7:30, and probably more today, so I haven't looked further yet. Dayum, why have they made wiring so convoluted? why can't it be a whole lot more simple like with my 1971 Cutlass?
Nov 12, 2020 at 12:23 PM (Merged)
Avatar
JACOBANDNICKOLAS
  • CERTIFIED EXPERT
  • 110,175 POSTS
Ha! Good point. You should try working on a 2019. The more technology, the crazier things get.

When you get to it, let me know what you find.

Take care,
Joe
Nov 12, 2020 at 12:23 PM (Merged)
Avatar
BOB 1950
  • MEMBER
  • 7 POSTS
Whew. dayum long week, lots of late nights working. I took a second and found that I had no power going to fuse location #23. and the Haynes wiring schematic is not good! I'm not discerning where the power comes from, and don't look forward to a major tear-apart to trace it back. Any knowledge? Thanks.
Nov 12, 2020 at 12:23 PM (Merged)
Avatar
BOB 1950
  • MEMBER
  • 7 POSTS
P.S. But interestingly both tail lights are working,, and directionals..
Nov 12, 2020 at 12:23 PM (Merged)
Avatar
JACOBANDNICKOLAS
  • CERTIFIED EXPERT
  • 110,175 POSTS
Welcome back:

They are working? Did you do anything that may have led to them working? If they are working, you may want to leave well enough alone. LOL

Let me know,
Joe
Nov 12, 2020 at 12:23 PM (Merged)
Avatar
BOB 1950
  • MEMBER
  • 7 POSTS
No. my taillights are both working, and the directional's, even though fuse #23 has no power to it. still no brake lights. I'm needing to know where is the source of power to 23 supposed to be.
Nov 12, 2020 at 12:23 PM (Merged)
Avatar
JACOBANDNICKOLAS
  • CERTIFIED EXPERT
  • 110,175 POSTS
According to the schematic, it comes from fuse 2 of the junction box. However, take a look at the picture. If there was not power from fuse 2 (40 amp) many other things would not work. I highlighted the supply. I have a feeling the box itself has failed or melted internally for fuse 23. Take a look at the pic and let me know your thoughts. You may have to disconnect the battery and remove this fuse box to inspect it from the underside.
Nov 12, 2020 at 12:23 PM (Merged)
Avatar
MAISHA143
  • MEMBER
  • 1 POST
Brakes problem
2000 Jeep Cherokee 6 cyl Four Wheel Drive Automatic

We have changed the bulbs and checked all fuses and still cannot figure out why the back brake lights are not working not even the third light. please help
Nov 12, 2020 at 12:23 PM (Merged)
Avatar
BLACKOP555
  • CERTIFIED EXPERT
  • 10,386 POSTS
since none of them are working i would check and adjust the BOO switch aka. brake on/off switch

just because it goes out of park doesnt mean its good as the wiriengs inside a separate and sometimes each part will go out.
Nov 12, 2020 at 12:23 PM (Merged)
Avatar
DVMAN
  • MEMBER
  • 1 POST
Brakes problem
2000 Jeep Cherokee 4 cyl Four Wheel Drive Automatic

The bulbs and the fuses are good; the car will go into gear by pushing the brakes; but the brake lights still won't work. Do you know what could be erong with the car?
Nov 12, 2020 at 12:23 PM (Merged)
Avatar
RASMATAZ
  • CERTIFIED EXPERT
  • 75,992 POSTS
Does the high mounted center brake light works? If not check and test the brake switch.
Nov 12, 2020 at 12:23 PM (Merged)
Avatar
MJWILL
  • MEMBER
  • 1 POST
I have a 2000 Jeep Cherokee and I changed the brake light on my Jeep and it still does not work. I have no brake lights on my vehicle and have tested the fuses and they all seem to be fine. What could possibly be the problem with the brake lights?
Nov 12, 2020 at 12:24 PM (Merged)
Avatar
2CARPRO JACK
  • CERTIFIED EXPERT
  • 11,533 POSTS
If it the same lights as the turn signals it may be the turn signal switch that is bad. Use a test light to be sure that the brake light switch is passing power through it when the brakes are applied, if so the TSS is most likely the problem, but only if it uses the same bulbs as the brake lights.
Nov 12, 2020 at 12:24 PM (Merged)
Avatar
RICHARDWBRANDSTETTER
  • MEMBER
  • 1 POST
my brake lights are inop when i have the running lights on with the lights off the brake lights work..
Nov 12, 2020 at 12:24 PM (Merged)
Avatar
BLACKOP555
  • CERTIFIED EXPERT
  • 10,386 POSTS
does the thrid brake light come on when brakes on with lights on?

check out the brake light switch to see whats what. could be bad bulbs also causing feedback. check those first and get back to me
Nov 12, 2020 at 12:24 PM (Merged)