tail light not working

1999 JEEP CHEROKEE
Avatar
KNZNAUDM
  • MEMBER
  • 1 POST
have put in new bulb in tail light and checked the connection, still won't work any ideas?
Jun 10, 2009 at 4:36 PM
Advertisement
Avatar
  • MEMBER
  • 7 POSTS
if its like my jeep your tail light relay is out here is a guide to help test it and the running light wiring diagrams so you can see how it works with the relay location as well.

https://www.2carpros.com/articles/how-to-check-an-electrical-relay-and-wiring-control-circuit

Check out the diagrams (Below). Please let us know what you find. We are interested to see what it is.
Jun 11, 2009 at 3:35 PM
Avatar
MATTICE31
  • MEMBER
  • 1 POST
Thanks you for this post I had this problem and had to get a new relay cost me $23.00 all fixed I love this site.
Sep 10, 2019 at 5:34 PM
Advertisement
Avatar
HOUSEJUDGE
  • MEMBER
  • 2 POSTS
I hooked up to a trialer I had not hooked upto before. I noticed later that the marker lights were not working on the trailer, or on the driver side marker lights. This is a trailer 'T' connection, that I have used in the past. I've checked fuses, blubs, and everything seems to be in good working order, turns, brakes, and hazard all work, markers on right side work. I have tried removing the 'T' connector, still same problem.
Sep 10, 2019 at 5:35 PM (Merged)
Avatar
JACOBANDNICKOLAS
  • CERTIFIED EXPERT
  • 110,175 POSTS
Is there power to the light?
Sep 10, 2019 at 5:35 PM (Merged)
Avatar
HOUSEJUDGE
  • MEMBER
  • 2 POSTS
Not on the marker lights, there is on the brakes, and turns
Sep 10, 2019 at 5:35 PM (Merged)
Avatar
JACOBANDNICKOLAS
  • CERTIFIED EXPERT
  • 110,175 POSTS
The markers are on a seperate power supply. Follow the wiring from them to the power source. There has to be an open circuit.
Sep 10, 2019 at 5:35 PM (Merged)
Avatar
WASKOWSTEVE
  • MEMBER
  • 2 POSTS
Electrical problem Four Wheel Drive Automatic 206000 miles
----------------------------------------------------------------
The tail lights don't work on my jeep. The brake lights work and I suspect a blown fuse, but can't find the blown fuse. I need to know which fuse or fuses may cause this.
Sep 10, 2019 at 5:35 PM (Merged)
Avatar
STRAILER
  • CERTIFIED EXPERT
  • 53,855 POSTS
Hello,

It does sounds like a fuse has blown. Here is guide that will show you how to test the fuses and to if the fuse has power.

https://www.2carpros.com/articles/how-to-check-a-car-fuse

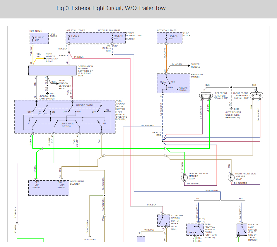
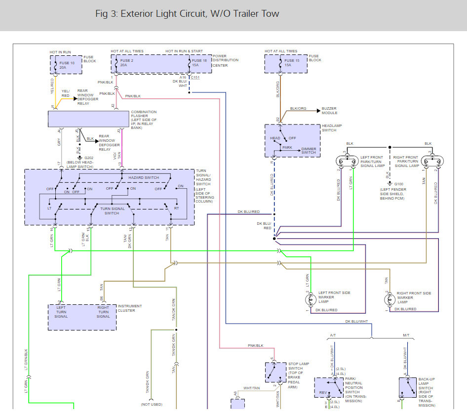
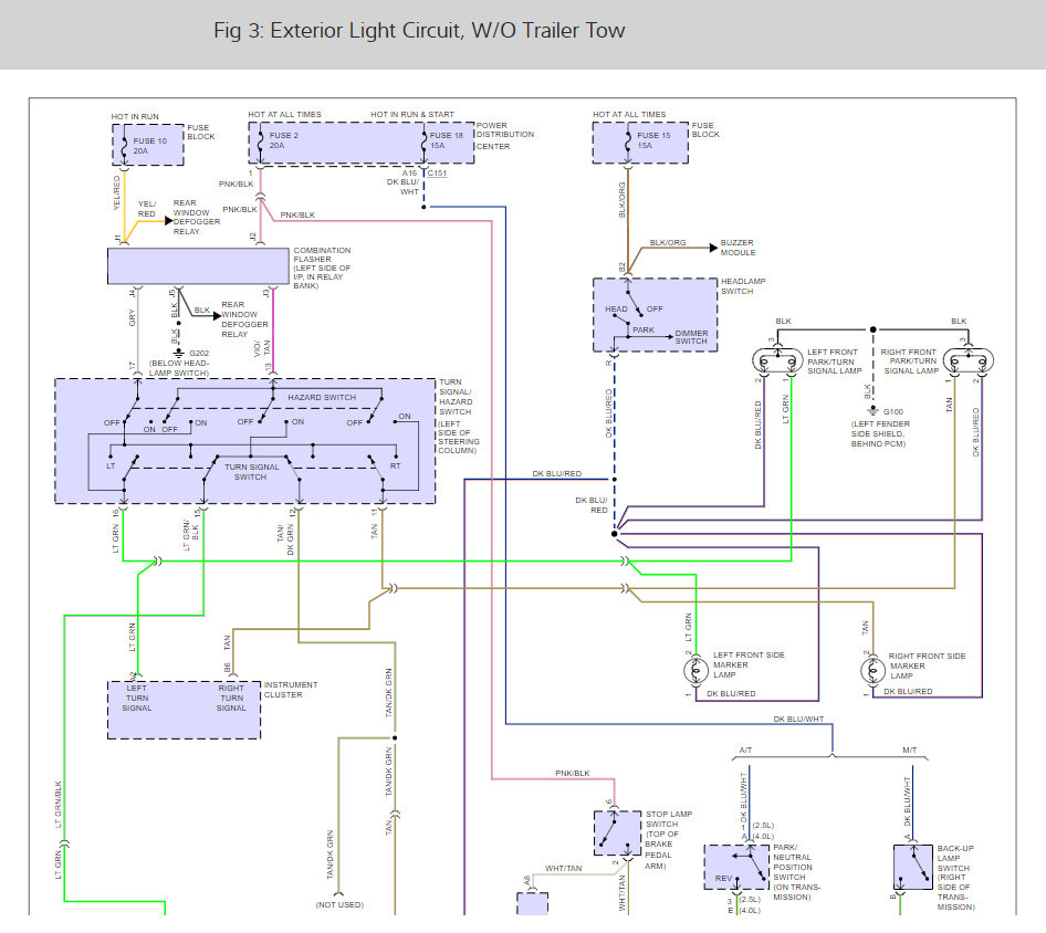
Here is the wiring diagrams so you can see where you are losing power.

Please let us know what you find.

Cheers, Ken
Sep 10, 2019 at 5:35 PM (Merged)
Avatar
ANGELLEE06
  • MEMBER
  • 1 POST
no dash lights and no tail lights, i checked all fuses and replaced the headlight switch. what could it be?
Sep 10, 2019 at 5:36 PM (Merged)
Avatar
WRENCHTECH
  • CERTIFIED EXPERT
  • 20,761 POSTS
That's either a bad headlamp switch or a fuse. Make sure you are testing those fuses with a test light and the lights have to be on at the time.
Sep 10, 2019 at 5:36 PM (Merged)
Avatar
BAILEYROCK65
  • MEMBER
  • 1 POST
I have no running lights. Have changed bulds, fuses, and switch. Is there a inline fuse or relay. My head lights, brake lights and backup lights all work. My dash lights are also out. Even replaced the negative ground on the battery. Please help, am ready to straight wire to a switch.
Sep 10, 2019 at 5:36 PM (Merged)
Avatar
2CARPRO JACK
  • CERTIFIED EXPERT
  • 11,533 POSTS
You will find a full wiring diagram here

https://www.2carpros.com/articles/mitchell1eautorepair-car-repair-manuals

printable. Looks like your running lights are tied into some other stuff.
Sep 10, 2019 at 5:36 PM (Merged)
Avatar
530JEEPDRIVER
  • MEMBER
  • 4 POSTS
i had an issue with my head lights before where they would shut off and then turn back on when i pushed the headlight switch in then pulled it back out. then they stopped working completely so i replaced the switch and everything worked fine, then i noticed that my turn signals were acting up and shortly after that my dashlights and running lights went out. i replaced the fuse that it blew but that one blew again to. so i think that it could be one of the relays or maybe the combination buzzer but im not sure
Sep 10, 2019 at 5:36 PM (Merged)
Avatar
JDL
  • CERTIFIED EXPERT
  • 16,098 POSTS
Thanks for the donation, can you tell us the amp rating of the fuse that keeps blowing? I was trying to find what all was on the fuse circuit, just not sure which fuse? That fuse serves several circuits. In the picture for the headlamp switch, the dark blue wire with red tracer goes to the fog lamp relay. I had to enlarge the picture to make it readable. When I enlarge, I can only capture a small part of diagram.


https://www.2carpros.com/forum/automotive_pictures/170934_instrument_panel_lamps_jeep_1.jpg


https://www.2carpros.com/forum/automotive_pictures/170934_headlamp_switch_jeep_1.jpg

Sep 10, 2019 at 5:36 PM (Merged)
Avatar
530JEEPDRIVER
  • MEMBER
  • 4 POSTS
its a 15amp fuse and its number 15
Sep 10, 2019 at 5:36 PM (Merged)
Avatar
SCOTTY DEE
  • CERTIFIED EXPERT
  • 592 POSTS
Relays and chime are okay. There is a direct short in that circuit. You will need a wiring diagram in order to locate the short in the turn signals, dash lights, & running lights. They may share a common ground.
Sep 10, 2019 at 5:36 PM (Merged)
Avatar
530JEEPDRIVER
  • MEMBER
  • 4 POSTS
alright but the chime acts up also sometimes it works, sometimes it doesnt and sometimes it sounds really weak
Sep 10, 2019 at 5:36 PM (Merged)
Avatar
530JEEPDRIVER
  • MEMBER
  • 4 POSTS
well i checked out the license plate light pulled it out put a new fuse in and my dash lights work and all of my running lights work now so it must have been the license plate light but my blinkers are still acting up
Sep 10, 2019 at 5:36 PM (Merged)
Avatar
SCOTTY DEE
  • CERTIFIED EXPERT
  • 592 POSTS
You're cooking with gas daddy! Keep it up.
Sep 10, 2019 at 5:36 PM (Merged)
Avatar
SHOT2HELL6969
  • MEMBER
  • 1 POST
Electrical problem
1989 Jeep Cherokee 6 cyl Four Wheel Drive Automatic

i turned the hazard lights on the other night and now i have no head light, dash, tail light but i have turn signals what could be the problem
Sep 10, 2019 at 5:36 PM (Merged)
Avatar
JDL
  • CERTIFIED EXPERT
  • 16,098 POSTS
Hi, I'd have to check park fuse, use a testlite, make sure the circuit is hot. Then I'd check the circuits at the headlamp switch.


https://www.2carpros.com/forum/automotive_pictures/170934_jeep_headlamp_circuit_1.jpg

Sep 10, 2019 at 5:36 PM (Merged)