Electrical problem 6 cyl Four Wheel Drive Automatic 220000 miles
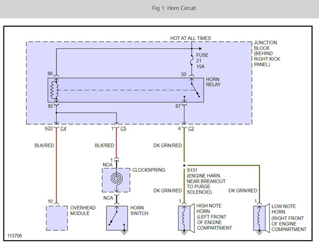
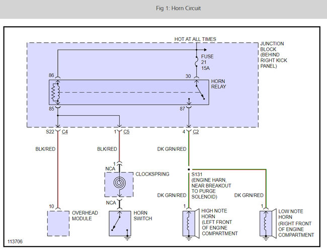
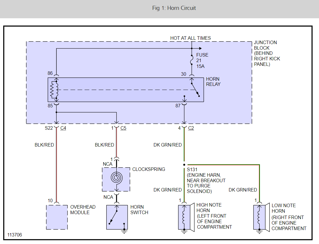
The horn in my 99 Jeep Cherokee Sport just won't work. I have checked all the fuses and seems like there is no power going to the horn
The horn in my 99 Jeep Cherokee Sport just won't work. I have checked all the fuses and seems like there is no power going to the horn
Nov 8, 2008 at 11:04 AM
































