Where is the Blower Motor Relay located

1996 JEEP CHEROKEE
Avatar
GUAMSQUID
  • MEMBER
  • 1 POST
Trying to replace the blower motor relay but not sure where it's located. Thanks!
Sep 4, 2009 at 10:31 PM
Advertisement
Avatar
STRAILER
  • CERTIFIED EXPERT
  • 53,855 POSTS
Hey Guamsquid,

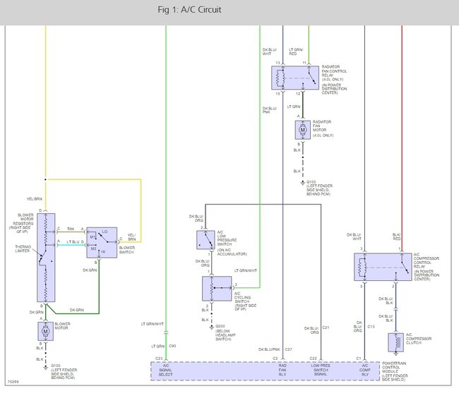
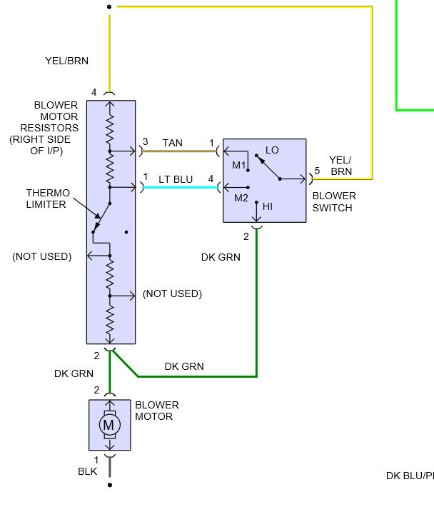
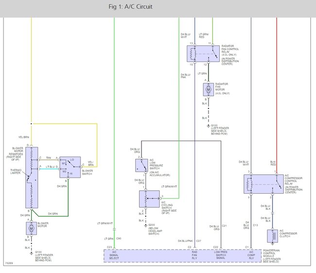
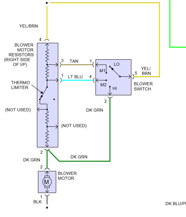
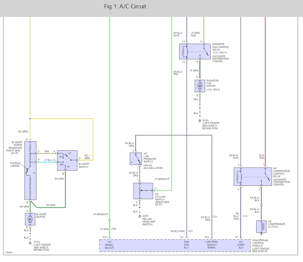
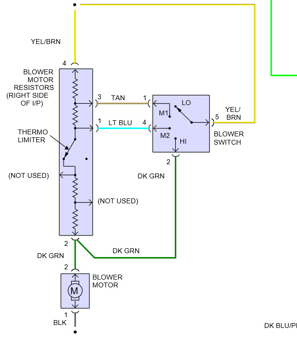
The blower motor does not have a relay. here is a wiring diagram to help you troubleshoot the problem. please let us know what you find so it with help others.

Best, Ken
Nov 22, 2016 at 2:51 PM
Avatar
HALL79
  • MEMBER
  • 1 POST
I cannot locate where the blower motor relay goes. I was able to purchase a blower motor relay, but I do not see and cannot find where it goes. i have a book it does not show where. however, it does mention the relay in heater core replacement instructions.
Aug 9, 2019 at 11:59 AM (Merged)
Advertisement
Avatar
HMAC300
  • CERTIFIED EXPERT
  • 48,601 POSTS
according to our wiring schematic there is no blower relay, just a resistor and nothing else. Check out the diagrams (below). Please let us know if you need anything else to get the problem fixed.
Aug 9, 2019 at 11:59 AM (Merged)
Avatar
RICK465
  • MEMBER
  • 1 POST
My blower will occasionally continue to run when the key is out. It's my understanding that this is a relay going bad. I got what was said to be a blower motor relay. There is not one, as you have said. The only relay that sounds close is the A/C clutch relay. I don't think that would be a source of the issue. If there is no relay, what is going on and why would they sell a relay that says its for the blower motor? 1997 Jeep Grand Cherokee 4.0.
Jun 25, 2020 at 4:59 PM
Avatar
KASEKENNY
  • CERTIFIED EXPERT
  • 18,907 POSTS
I attached the information about this relay. More then likely you are correct that the relay is the issue so let us know what happens after you swap it out.

Here is a guide that will help with testing the relay.

https://www.2carpros.com/articles/how-to-check-an-electrical-relay-and-wiring-control-circuit

Thanks
Jun 25, 2020 at 5:34 PM