Sorry for the late reply.
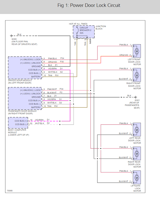
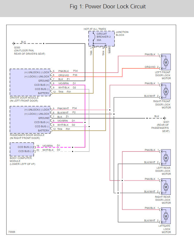
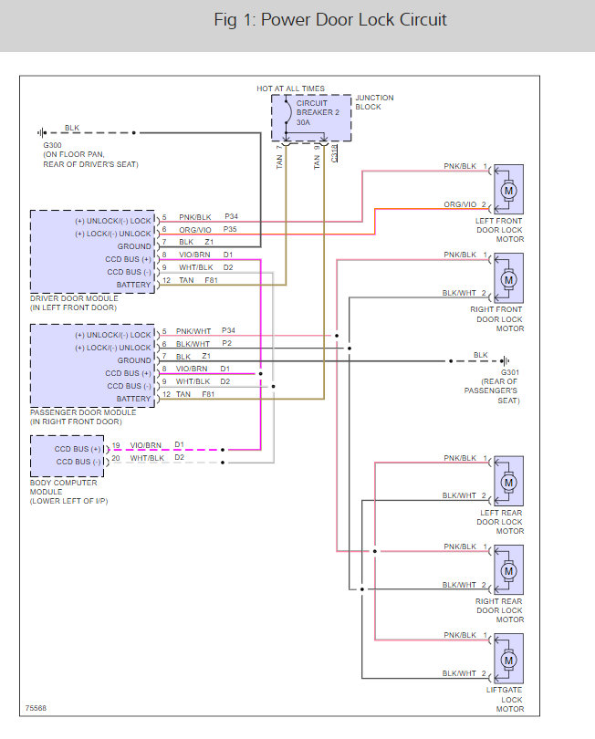
There is a circuit breaker for power windows, check for voltage at circuit, hot all the time. By fixing one system it may or may not fix the others.
Also check the wire harness going into the driver door, hinge side. It probably has a rubber boot protective covering, pull the boot back to access proper wire color to check. Because you open/close that door so much, sometimes the wires break. As you can see in diagram, the tan wire is voltage to driver door switch, black wire is ground.
I realize this is an old post. You may no longer own this vehicle. In the future hope you don't have any vehicle issues, but, if you do, keep the site in mind. They are always working to improve the site and it's free.
Have a good day.
Jan 29, 2019 at 1:05 PM
(Merged)