headlight relay

1995 JEEP CHEROKEE
203,000 MILES • 6 CYL • 4WD • AUTOMATIC
Avatar
1111111112
  • MEMBER
  • 1 POST
Both high and low beams inop lamps have been checked on/off switch replaced Where is the headlight relay located?
Sep 9, 2010 at 12:32 PM
Advertisement
Avatar
RASMATAZ
  • CERTIFIED EXPERT
  • 75,992 POSTS
Hello,

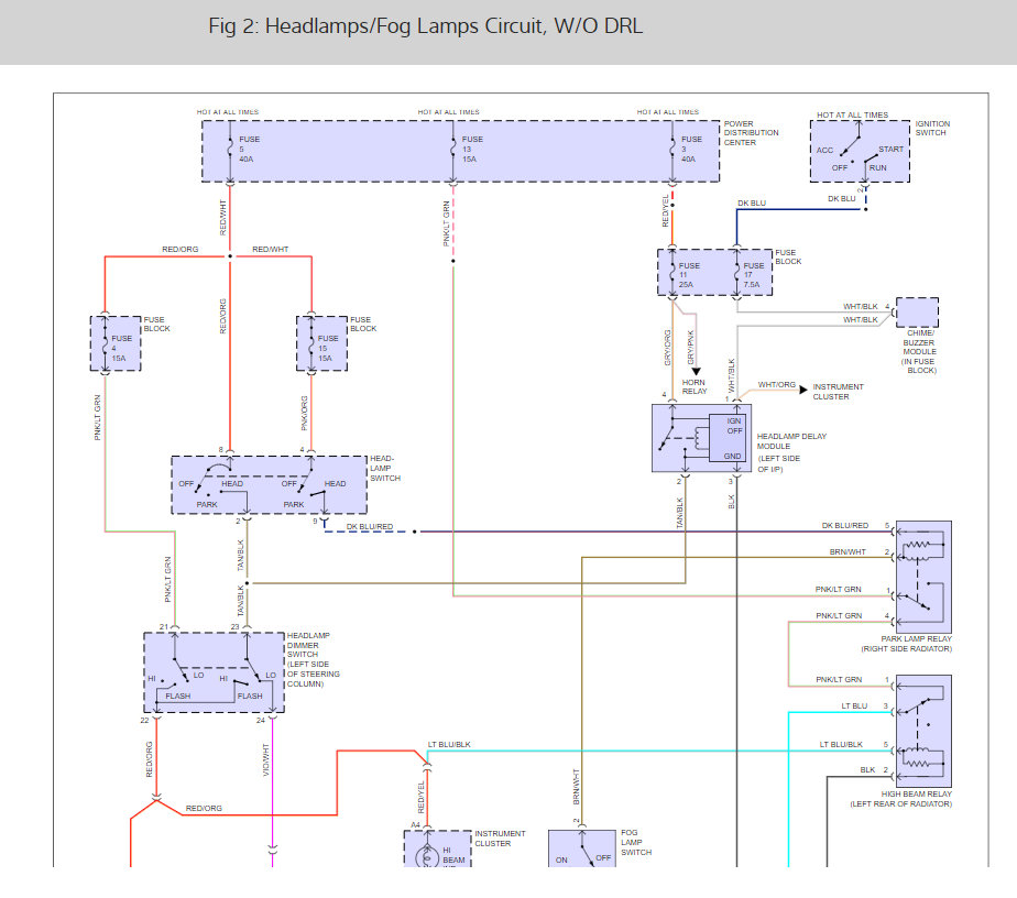
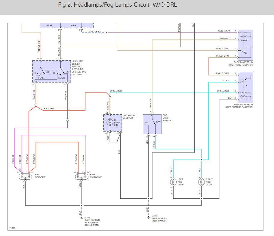
Here is a guide to help you test to see where you are losing power and the relay locations with the headlight wiring diagrams so you can see how it works.

https://www.2carpros.com/articles/how-to-use-a-test-light-circuit-tester


High Beam Relay - On left side of radiator closure panel.


Check out the diagrams (Below). Please run some tests and get back to us. Cheers
Sep 10, 2010 at 9:32 AM
Avatar
OIDAVEY
  • MEMBER
  • 0 POST
Thanks for this post I had this problem and it was the dimmer switch FYI cost me $67.00 for a new one.
Nov 19, 2018 at 6:25 PM
Advertisement