headlight dims not working

1995 JEEP CHEROKEE
17,500 MILES • 6 CYL • 4WD • AUTOMATIC
Avatar
KCPT
  • MEMBER
  • 5 POSTS
The dim lights stopped working suddenly and both right and left. Bulbs okay and fuses okay. Could it be dimmer switch on column or relays?
Feb 10, 2008 at 5:51 PM
Advertisement
Avatar
2CARPRO JACK
  • CERTIFIED EXPERT
  • 11,533 POSTS
Are you talking about the DRL's (daytime running lights) or the low-beam headlights. Your Jeep came with or without DRL's that year.Low beam lights dont go through a relay, so if they arent working it could be the headlight switch or the dimmer switch. Test the violet/white wire out of the dimmer switch for power. Do you have power at the headlights?
Feb 18, 2019 at 1:07 PM
Avatar
KCPT
  • MEMBER
  • 5 POSTS
Thanks for the response. I do not have running lights and yes there is power to the headlight, the brights do work. When I activate the dimmer switch I only have the brights working. No dims. I will check the violet and other wire. I can do that with a tester.

thanks again,
KC
Feb 18, 2019 at 1:07 PM
Advertisement
Avatar
2CARPRO JACK
  • CERTIFIED EXPERT
  • 11,533 POSTS
Is this a 4 headlight system? Cant have brights and low beams on at the same time. Have you checked all fuses?
Feb 18, 2019 at 1:07 PM
Avatar
KCPT
  • MEMBER
  • 5 POSTS
It is a two light system. I replaced the bulb but no change. thanks
Feb 18, 2019 at 1:07 PM
Avatar
2CARPRO JACK
  • CERTIFIED EXPERT
  • 11,533 POSTS
Try swapping the a/c relay for the parking lamp relay under the hood. The low and high beams cant be on at the same time.

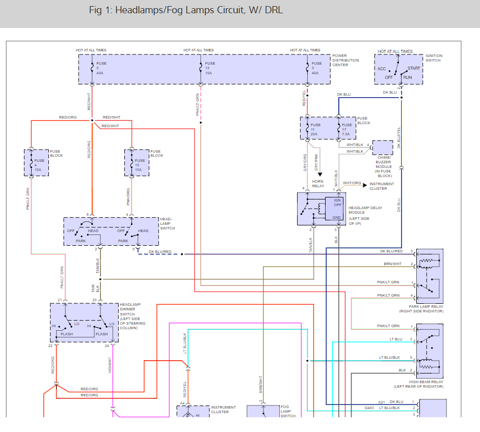
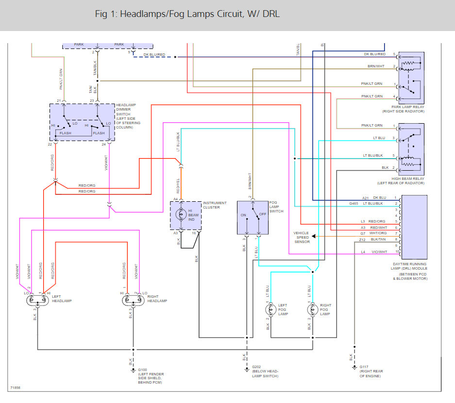
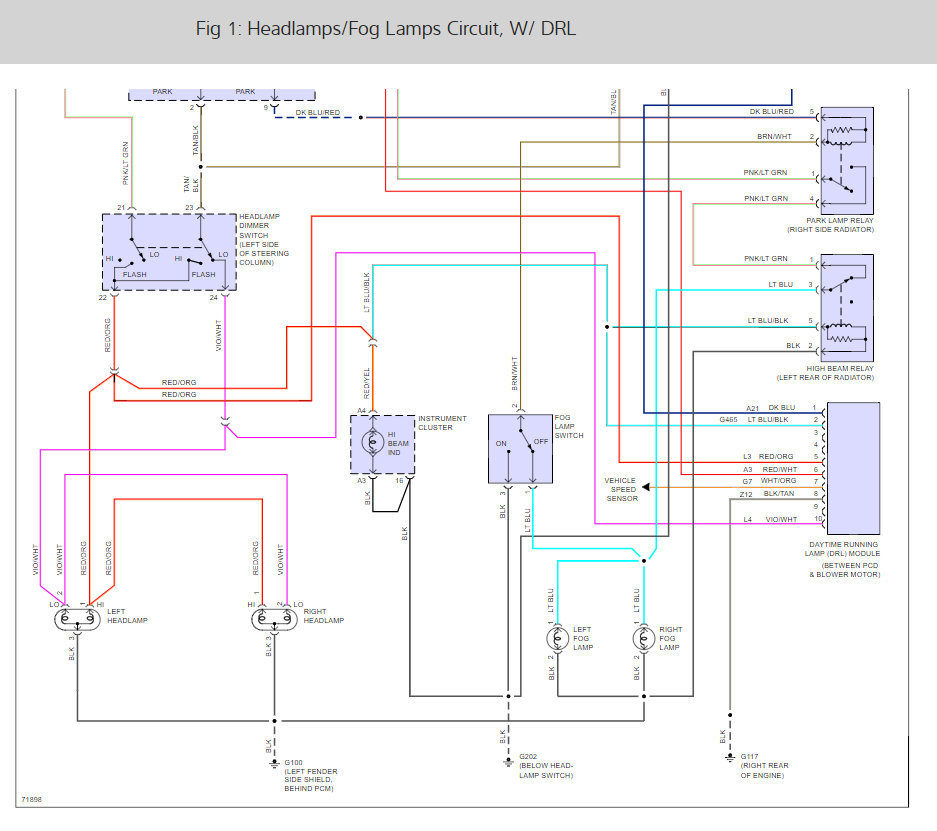
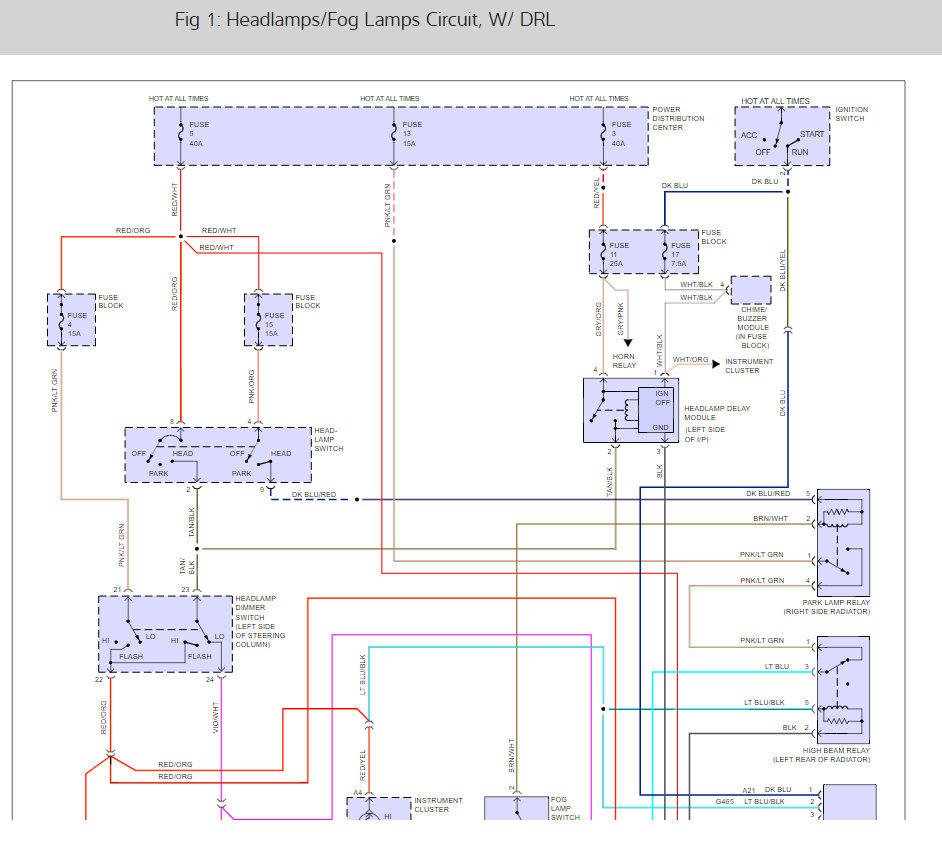
Here are headlight wiring diagrams to help us see whats going on.

https://www.2carpros.com/articles/how-to-use-a-test-light-circuit-tester

Check out the diagrams (Below)

Please let us know what happens.

Cheers
Feb 18, 2019 at 1:07 PM
Avatar
KCPT
  • MEMBER
  • 5 POSTS
Yes the high beams are working, but the low do not. Parking lights work also. The only light not working is the low beams. Visual inspection indicates the filaments are good. Replaced the driver bulb and still only high beam is working. No low beams.
thanks
Feb 18, 2019 at 1:07 PM
Avatar
2CARPRO JACK
  • CERTIFIED EXPERT
  • 11,533 POSTS
Have you tested the violet wire out of the dimmer switch yet?
Feb 18, 2019 at 1:07 PM
Avatar
KCPT
  • MEMBER
  • 5 POSTS
Did not test violet wire. I found an exposed wire going to the driver door that was causing a short and running down the battery. When I fixed this the lights began to work again. Weird. Not sure what the exposed wires are for, perhaps to the driver electric door lock which does not work. All other doors lock when the switch for the locks on the driver door is pressed but not the lock on the driver door. ?? Thanks for your help and you have been great!
Feb 18, 2019 at 1:07 PM