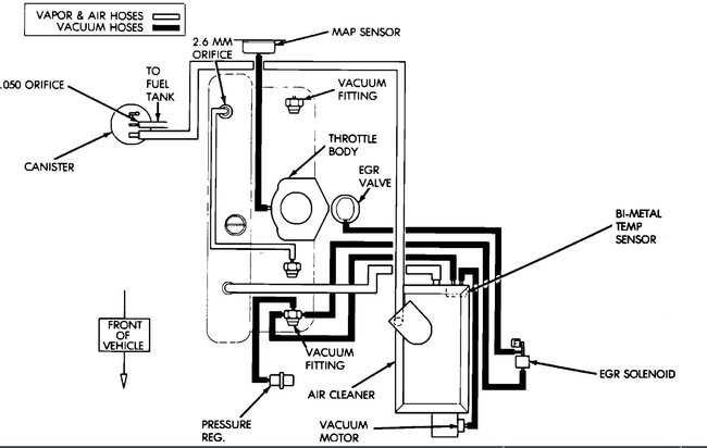
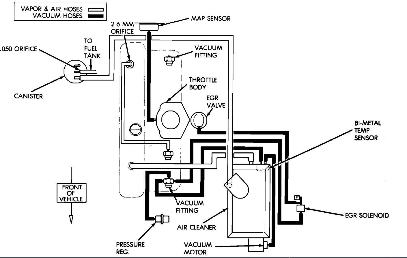
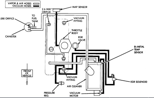
I am having oil blowing out of the breather valve (or what looks like a tube coming out of the PCV area and into the air box.) While driving out and about yesterday it blew almost a full quart of oil out this area and all over the engine. My question is, can I just put a breather plug in this from the local napa, or do I need to (have to) put a new "breather" tube back to the air box.
Also, while it was a quart low, my engine temp jumped almost 30 degrees...is this normal for running low on oil, or did I possibly damage the thermostat?
Also, while it was a quart low, my engine temp jumped almost 30 degrees...is this normal for running low on oil, or did I possibly damage the thermostat?
May 18, 2009 at 5:56 PM
