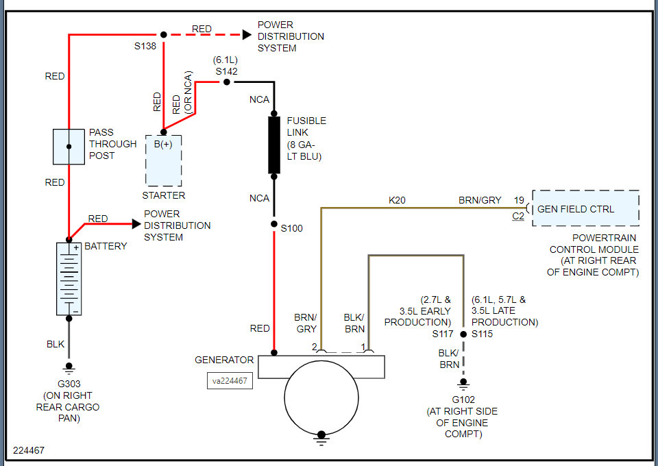
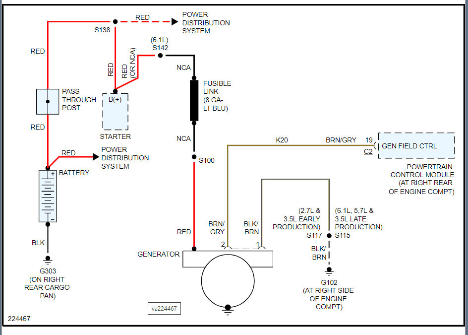
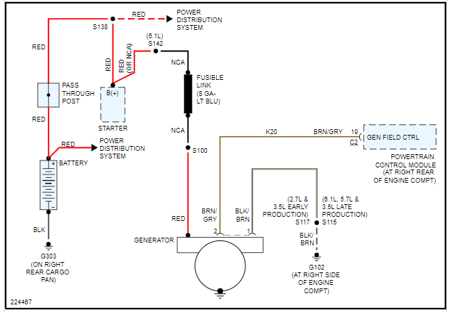
Converting to 70's electronic regulator, is there a way to wire it so the battery light will go out?
Also when engine is off I have one wire hot in the pig tail. I think both should have no voltage until key is in run position right. Tested unplugged.
Also when engine is off I have one wire hot in the pig tail. I think both should have no voltage until key is in run position right. Tested unplugged.
Sep 21, 2021 at 3:05 PM











