No reverse

2003 JAGUAR
Avatar
WARWICK_HALL
  • MEMBER
  • 1 POST
Transmission problem 6 cyl All Wheel Drive Automatic

After topping up the geabox of my 2003 Jaguar x-type the car would not reverse.Oil level is correct level
Nov 16, 2008 at 4:59 PM
Advertisement
Avatar
STRAILER
  • CERTIFIED EXPERT
  • 53,855 POSTS
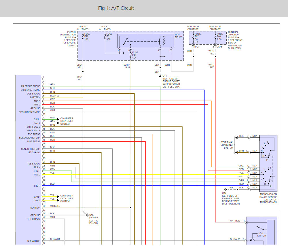
It sounds like you have a reverse shift solenoid that is not working. Here is a wiring diagram and a few guides to help us test and replace the solenoid. Also a transmission range selector switch can cause the problem as well.

You will need to remove the pan

https://www.2carpros.com/articles/how-to-service-an-automatic-transmission

Here is a guide so you can test the switch

https://www.2carpros.com/articles/how-to-use-a-test-light-circuit-tester

Here is the wiring diagram (below)

Please let us know what happens.

Cheers, Ken
Oct 25, 2017 at 8:48 PM