Clutch safety switch I need to know the location

1986 FORD RANGER
200,000 MILES • 2.9L • V6 • 4WD • MANUAL
Avatar
SAMUELMED
  • MEMBER
  • 2 POSTS
I need to know the location of the neutral safety switch, with a picture. No one seems to know.
Nov 30, 2019 at 11:37 PM
Advertisement
Avatar
JIS001
  • CERTIFIED EXPERT
  • 3,412 POSTS
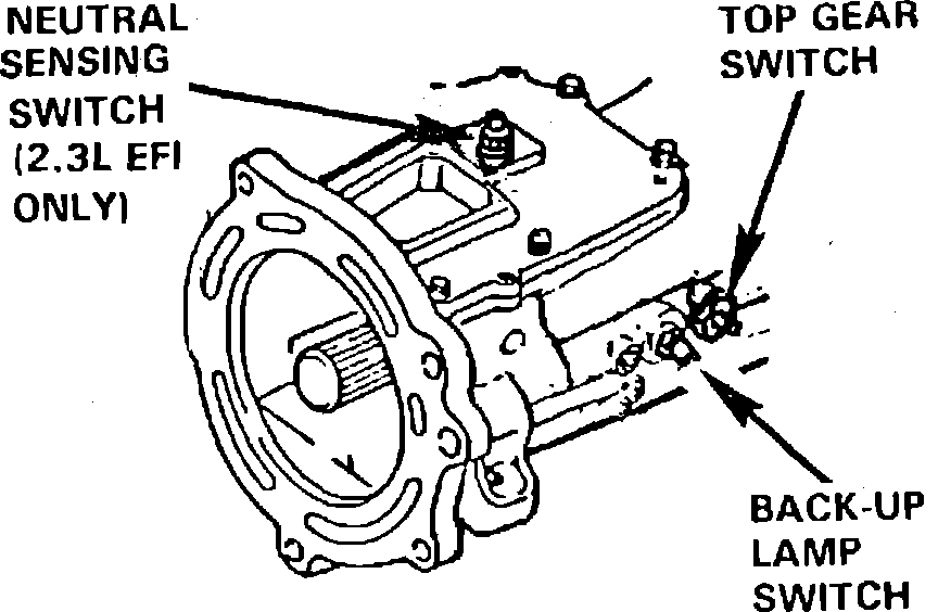
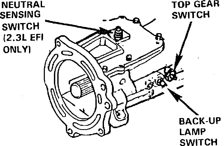
According to my repair guide there are 2 possible transmissions. The first image is the Mazda transmission. The second image is an MMC transmission. Let us know if one of those images is correct. Also just to note, those transmissions are for the USA market.
May 4, 2021 at 10:12 AM
Avatar
SAMUELMED
  • MEMBER
  • 2 POSTS
I believe I have the TK5 transmission, which is the Mazda one because it’s 4x4, correct?
May 4, 2021 at 10:12 AM
Advertisement
Avatar
JIS001
  • CERTIFIED EXPERT
  • 3,412 POSTS
The difference I see is that the Mazda transmission has the switch on top and the MMC transmission has the switch on the side. I cannot tell you which one you have because I am not looking at your transmission. But I believe the images are straight forward unless you upload some images of the transmission. Especially the top of the transmission and the side of it to see which one you have.
May 4, 2021 at 10:12 AM